P-0223-001 - 第24页
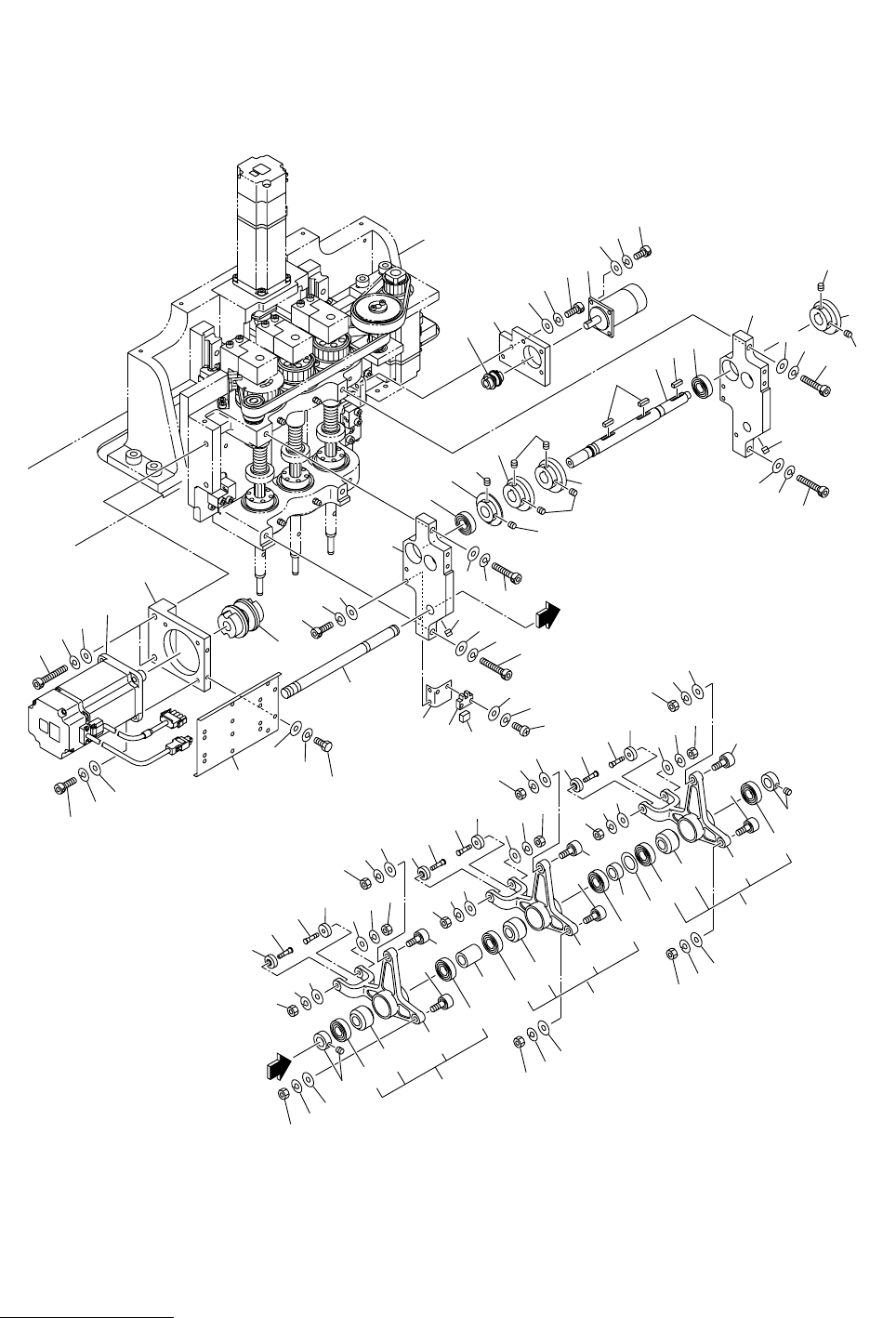
MODEL TDM-3500E-2 0209-001 22 ヘッド部 HEAD SECTION Fig. 2-3 S Z 軸 SZ Axis 21 26 27 28 23 24 25 22 A 11 13 13 14 14 15 15-1 31 36 37 38 30 32 35 34 33 12 5 6 3 4-1 4-1 6 55 43 42 41 50 47 48 49 20 29-1 29-2 29-3 29 44 45 46 …

21
Key No. PART No. PART NAME Q’ty REMARKS
NOTE
MODEL TDM-3500E-2
0209-001
2-2
122 630 066 4782 SOLENOID VALVE 3 SV7,SV8,SV102,#SA103
687K--02H-061
123 630 003 8026 PIPE FITTINGS 3
124 630 003 8163 PIPE FITTINGS 3
125 630 003 8064 PIPE FITTINGS 3
126 630 003 6541 AIR LINE EQPT 3 687K--02H-068
127 630 003 7302 PIPE FITTINGS 3
128 630 003 7050 PIPE FITTINGS 3
129 630 003 7265 PIPE FITTINGS 1
131 630 003 7463 PIPE FITTINGS 2
133 630 009 2400 PIPE FITTINGS 1 687K--02H-077

MODEL TDM-3500E-2
0209-001
22
ヘッド部 HEAD SECTION
Fig. 2-3 SZ 軸 SZ Axis
21
26
27
28
23
24
25
22
A
11
13
13
14
14
15
15-1
31
36
37
38
30
32
35
34
33
12
5
6
3
4-1
4-1
6
55
43
42
41
50
47
48
49
20
29-1
29-2
29-3
29
44
45
46
3
4
4
2
2
1
11
13
13
14
14
15
15-1
55
12
3-1
Fig.2-3
A
60
63
64
65
51
59
58
57
63
60
62
61
60
63
64
65
63
64
65
56
56
64
65
52-3
52-1
52-2
52
52-3
54
62
61
60
59
58
59
57
56
52-3
52-1
52-2
52
52-3
56
59
58
57
59
58
57
53
53-1
56
63
60
62
61
60
63
64
65
64
65
54
52-3
52-1
52-2
52
52-3
58
57
56
59
58
57
TDM-3500E-2

23
Key No. PART No. PART NAME Q’ty REMARKS
NOTE
MODEL TDM-3500E-2
0209-001
2-3
1 630 058 4677 SHAFT 1 687K--02B-026
2 630 055 2966 KEY 3 687K--02H-013
3 630 054 8488 CAM 2 687K--02B-054
3 -1 630 055 2980 CAM 1 687K--02B-086
4 630 000 8944 SET SCREW 3 M5X6 SET
4 -1 630 000 8951 SET SCREW 3 M5X8 SET
5 630 066 1422 DISK 1 687K--02B-029
6 630 000 8920 SET SCREW 2 M4X6 SET
11 630 056 1982 PLATE 2 687K--02B-021
12 630 055 3383 BEARING,RADIAL 2 687K--02H-035
13 411 141 4503 WASHER V 8X17X1.6 4 FW8
14 411 141 3100 WASHER SPR 8 4 SW8
15 630 000 8050 BOLT,HEX-SCT 2 M8X40
15 -1 630 000 8067 BOLT,HEX-SCT 2 M8X45
20 630 054 5364 COUPLING 1 687K--02H-011
21 630 058 4981 BRACKET 1 687K--02B-056
22 630 091 2968 MOTOR,AC-SERVO 1 SVM3(SZ),#SGMAH-08AAA21
687K--02H-016
23 411 141 4305 WASHER V 6X12.5X1.6 4 FW6
24 411 141 3001 WASHER SPR 6 4 SW6
25 630 000 7909 BOLT,HEX-SCT 4 M6X25
26 411 141 4503 WASHER V 8X17X1.6 2 FW8
27 411 141 3100 WASHER SPR 8 2 SW8
28 630 000 8074 BOLT,HEX-SCT 2 M8X50
29 630 058 4974 PLATE 1 687H--02V-008
29 -1 411 088 1702 WASHER V 5X10X1 2 FW5 F
29 -2 411 008 2109 WASHER SPR 5 2 SW5 F
29 -3 411 140 4900 BOLT HEX 5X12 2 M5X12 HEX
30 630 061 8259 COUPLING 1 687K--02H-079
31 630 058 1959 PLATE 1 687K--02B-049
32 630 006 1130 UNIT,I/O 1 3F88L-RS-17 687K--02H-025
33 411 141 4008 WASHER V 4X9X0.8 4 FW4
34 411 141 2905 WASHER SPR 4 4 SW4
35 630 000 7657 BOLT,HEX-SCT 4 M4X16
36 411 141 4107 WASHER V 5X10X1 2 FW5
37 411 141 6705 WASHER SPR 5 2 SW5
38 630 000 7770 BOLT,HEX-SCT 2 M5X20
41 630 058 4332 BRACKET 1 687K--02B-013
42 630 000 0245 SENSOR,PHOTO 1 PHS18 687K--02H-022
43 630 000 0269 SENSOR,PHOTO(CONNECTOR) 1 687K--02H-053
44 411 141 3902 WASHER V 3X7X0.5 2 FW3
45 411 141 2806 WASHER SPR 3 2 SW3
46 630 000 7534 BOLT,HEX-SCT 2 M3X12
47 411 141 4008 WASHER V 4X9X0.8 2 FW4
48 411 141 2905 WASHER SPR 4 2 SW4
49 630 000 7671 BOLT,HEX-SCT 2 M4X25
50 630 054 8334 SHAFT 1 687K--02B-039
51 630 054 8358 COLLAR 1 687K--02B-041
52 630 065 6756 ASSY,LEVER 3
52 -1 630 054 8471 LEVER 1 687K--02B-053