P-0223-001 - 第35页
33 Key No. P AR T No. P AR T NAME Q’ty REMARKS NOTE MODEL TDM-3500E-2 0209-001 2-6 1 630 063 8455 P L A T E 1 687K--02B-059 2 630 001 0220 WASHER 2 687K--02H-057 3 4 1 1 1 41 67 05 WASHER SPR 5 2 SW5 4 630 000 7794 BO L …

MODEL TDM-3500E-2
0209-001
32
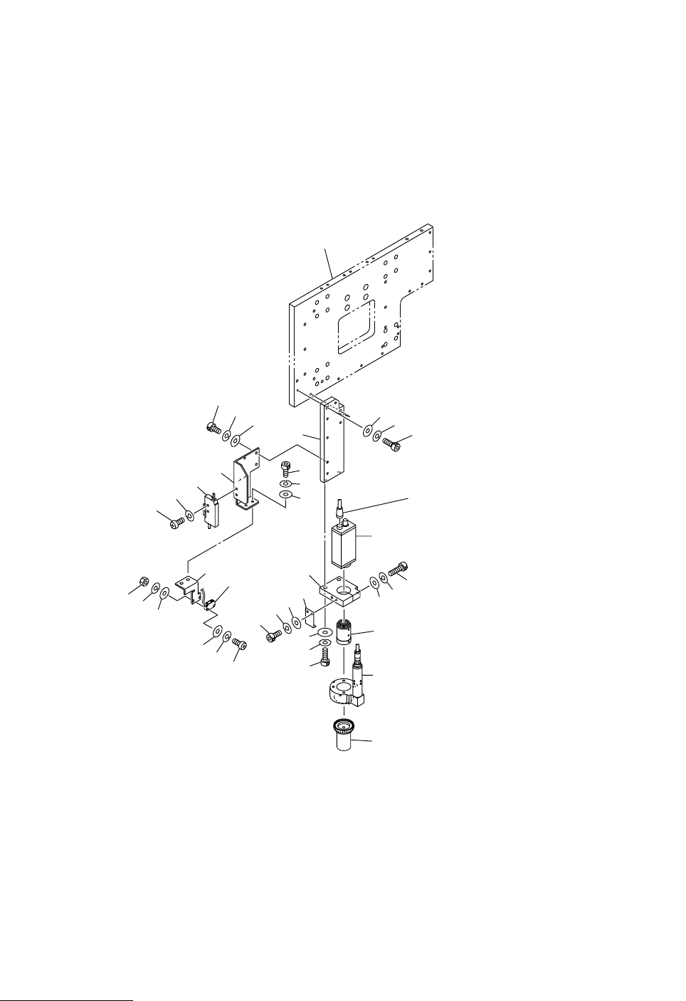
ヘッド部 HEAD SECTION
Fig. 2-6 認識カメラ Recognition Camera
2
1
37
36
35
3
4
See Fig.2-1
Key No.51
See Fig.8-8
Key No.57
13
17
15 15-1
20
21
10
11
12
22
23
32
34-1
29
28
27
26
43
42
41
33
32
30
31
33
34
9
18
19
16
14
Fig.2-6
TDM-3500E-2
.

33
Key No. PART No. PART NAME Q’ty REMARKS
NOTE
MODEL TDM-3500E-2
0209-001
2-6
1 630 063 8455 PLATE 1 687K--02B-059
2 630 001 0220 WASHER 2 687K--02H-057
3 411 141 6705 WASHER SPR 5 2 SW5
4 630 000 7794 BOLT,HEX-SCT 2 M5X30
9 630 056 2118 PLATE 1 687K--02B-060
10 630 001 0220 WASHER 2 687K--02H-057
11 411 141 6705 WASHER SPR 5 2 SW5
12 630 000 7794 BOLT,HEX-SCT 2 M5X30
13 630 085 9355 UNIT,CAMERA 1 #CS8310B-05 687GB-02D-001
14 630 095 4692 SCOPE UNIT 1 #16-32-L42-2.5F-V3 687GB-02D-003
15 630 066 2009 LIGHTING UNIT 1 #MRG-L31LB-2 687GB-02D-004
15 -1 630 005 5580 LAMP 1 LAMP,MH-02
16 630 066 2580 ACCESSORY,LIGHT 1 #SA-02A-1 687GB-02D-005
17 411 141 4107 WASHER V 5X10X1 1 FW5
18 411 141 6705 WASHER SPR 5 1 SW5
19 630 000 7800 BOLT,HEX-SCT 1 M5X35
20 630 056 2101 HOLDER 1 687K--02B-069
21 411 141 3902 WASHER V 3X7X0.5 2 FW3
22 411 141 2806 WASHER SPR 3 2 SW3
23 630 000 7503 BOLT,HEX-SCT 2 M3X6
26 630 063 8431 BRACKET 1 687K--02B-087
27 630 055 3048 SENSOR,PELEC 1 687K--02H-081
28 411 086 4408 WASHER SPR 3 2 SW3 F
29 411 041 8908 SCR PAN 3X6 2 M3X6 PAN
30 630 063 8448 BRACKET 1 687K--02B-088
31 630 055 3055 SENSOR,PELEC 1 687K--02H-080
32 411 119 1909 WASHER V 3X7X0.5 4 FW3 F
33 411 086 4408 WASHER SPR 3 4 SW3 F
34 411 113 0700 SCR PAN 3X16 2 M3X16 PAN
34 -1 411 054 6809 NUT HEX 3 2 M3 F
35 630 001 0220 WASHER 2 BW5
36 411 141 6705 WASHER SPR 5 2 SW5
37 630 000 7756 BOLT,HEX-SCT 2 M5X12
41 411 141 4107 WASHER V 5X10X1 2 FW5
42 411 141 6705 WASHER SPR 5 2 SW5
43 630 000 7756 BOLT,HEX-SCT 2 M5X12

MODEL TDM-3500E-2
0209-001
34
ヘッド部 HEAD SECTION
Fig. 2-7 スポットライト Spotlight
Fig.2-7
TDM-3500E-2
51
52
57
53
54
55
55-1
56
57
57
See Fig.1-1
Key No.7