P-0223-001 - 第63页
MEMO

MODEL TDM-3500E-2
0209-001
Key No. PART No. PART NAME Q’ty REMARKS
NOTE
60
3-5
61 630 008 0988 BOLT,HEX-SCT 8 687J--02H-113
112 630 008 0988 BOLT,HEX-SCT 1 PHS14-NCN4

MEMO

MODEL TDM-3500E-2
0209-001
62
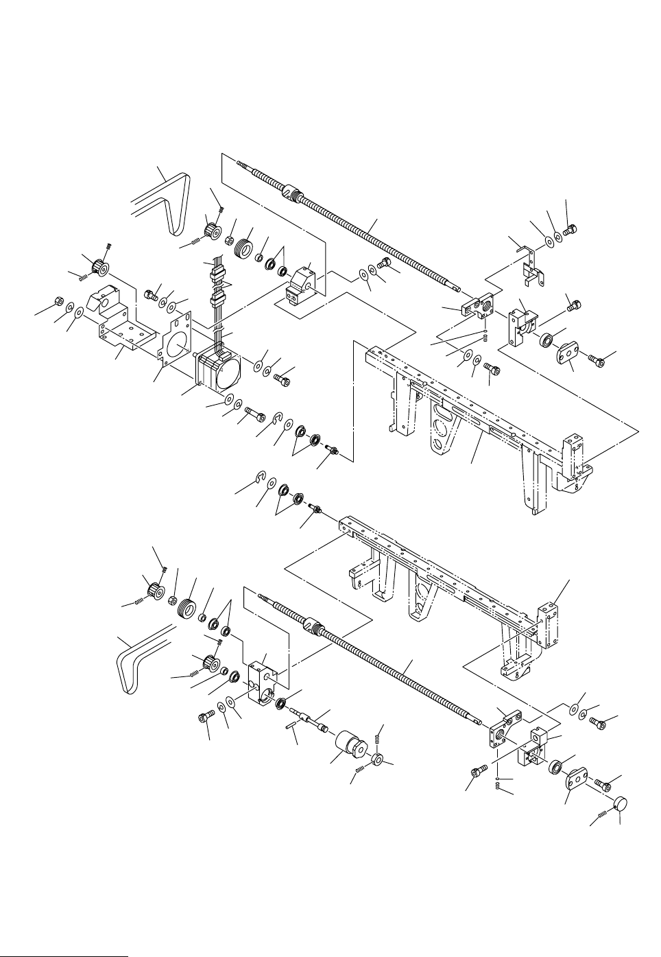
XYテーブル部 XY TABLE SECTION
Fig. 3-6 シュート駆動部 Chute Driver
Fig.3-6
TDM-3500E-2
See Fig.3-5
Key No.2
See Fig.3-5
Key No.1
1
2
3
4
5
6
7
8
9
10
11
12
12
13
14
16
17
18
13-1
19
20
21
22
23
33
118
119
122
24
26
27
26
27
29
28
31
25
26
27
30
32
34
35
36
37
38
39
41
42
43
44
45
46
47
48
49
50
51
52
52
53
54
53-1
55
60
61
62
45-1
59
56
57
58
64
65
70
69
71
55-1
66
45-1
67
68
68
71
78
77
76
79
78
77
76
79
80
80