SM481_PLUS_TRM(Ver1.9_CS20.07).pdf - 第123页
Page +$1:+$ 107 SM481 PLUS

Page
+$1:+$
106
SM481
PLUS
Electric Control Part

Page
+$1:+$
107
SM481
PLUS

Page
+$1:+$
108
SM481
PLUS
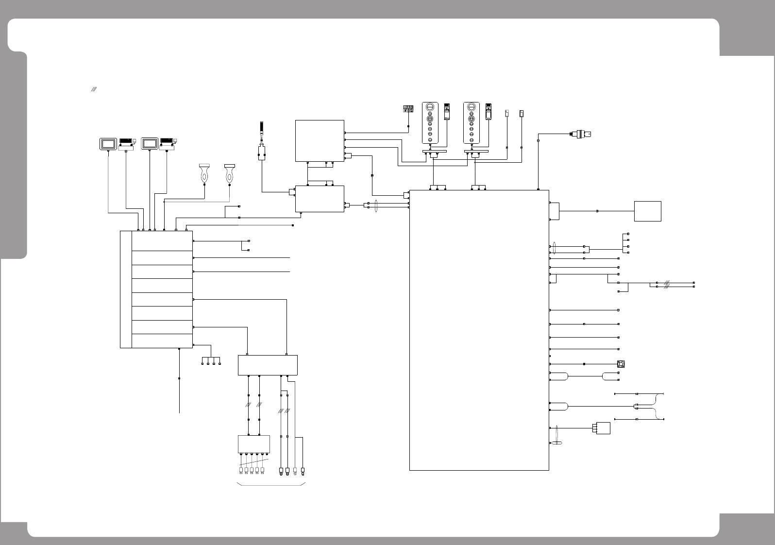
SM481 PLUS Harness Wiring Diagram (1/6)
TOWER LAMP
FLY CAM1~5
SM471_VIS011
FLAT CABLE
G
R
S
T
M
E
E
RESET
STOP
START
READY
E
O
P
C
N
Y
RESET
STOP
START
READY
P
O
T
S
Y
N
C
E
E
E
M
R
G
<FRONT-OP> <REAR-OP>
INDUSTRIAL PC
COM1/2 LAN1
PC-232-EXT
SBC
PCIE ADAPTER #1
PCIE X1 (3M)
AXIO B/D #1-CN1
SAMC-ME #1
PC RACK 12V
SAFETY CONTROL B/D
CN30
CN3
F-OP
CN31
CN3
R-OP
[SC]
T-BOX
FRONT
T-BOX
REAR
SM48_FD101-1
P1 P2
COM1
COM2
COM3
COM4
COM5
CN9
PWR
SM48C_VIS012-1
SM400 VISION IF B/D
CN1
FID.CAM
SM400 CAMERA IO B/D#1
[FID1]
CN6CN8
SM471C_VIS007
CN10
SM471C_VIS010
IT MASTER
12V
SM48C_VIS000
AM03-005548G
HEAD1
CN11
CN10
CN11
CN20
CN21
CN22
CN23
CN27
CN25
CN26
CN7
SCANNER
CN5
CONV I/F B/D
[CV]
CN33
CN26
SM48C_CV101
[SUB]
CONV.SUB I/F B/D
CN32
CN27
CN28
SM48_CV003_LT
CN6
CN1
CN17
CN2
CN18
CN3
START,FFD,RFD
CN7
CN4
CN2
SM421_OP103(AM03-003901C)
START,STOP,RESET,FFD
CN5
SM421_OP104(AM03-003902B)
START,STOP,RESET,FFD
CN2
SM33_OP005
CN7
CN13
AM03-006878B
CN8
SM48_CV026(AM03-006879B)
AIR SENSOR
SM48_SC001_LT
CN3
CN1
CN4
CN1
CN6
CN13
EM,READY,DOOR,FSO
[VIS]
CN24
1234 5
CN18
MC1
+A1
-21
-A2
-22
CN19
SM41_SC006
SM48_CV026-1
J1R-3
J1R-4
SM48C_PC003-1
CN35
SM48_SC201
J1R-2
SM48_SC002_LT
SM421_IT003(AM03-012662A)
SM48-SC105(AM03-007055C)
SM48-SC105-1
SAFEGUARD OVERRIDE KEY
SM41_SC008
SM411_SC009
R DRIVER-PW
21/22
JUMPER
SM511_VM111
REAR PANEL LAN PORT
CV-CN27
CV-CN26
FFD-CN4
AX-CN1
SM41_AX001(AM03-010659A)
CAN
CAN_CH1_L
CAN_CH2_R
CAN_CH3_L
CAN_CH4_R
COM6
FIX.CAM
BS1 DRV CN1
SM41_SC012
CN12
BS2 DRV CN1
AXIO#1-CN2
SM48_SC007
CN28
HD-PW-EXT
FL1-#12
HEAD IF CN1
FL2-#1
X_SEN.
FIX_ILL-CN1
SM48_SC008
CN29
J1R-1
SM481_AX006-1
R-SC-CN13/32
CN6
SM471_PW020
SM471_PW022
STEP/HEAD DRIVER FAN
PCIE ADAPTER #2
PCIE X1 (3M)
AXIO B/D #2-CN1
AM03-005551E
#2F-FL13.14
#1F-FL-13.14
#1F-FL-15
AM03-010263D
#2F-FL-15
12
AM03-010262D
AM03-015510B
1 2
AXIO#2-CN2
SM481_SC009
SM48_CV104-1
CN14
SM421_VM101-2
CN15
SC-CN15-EXT [R]
SC-CN14-EXT [R]
TF-CH1
TF-CH2
PMC1-EXT
PMC2-EXT
COM5
COM6
SM48_VM101
SM48_VM102
SM421_VM101-1
AM03-003689B
USB1
VGA1
<FRONT>
<REAR>
SM48C_KV003-2
USB2
VGA2
<FRONT>
BARCODE READER
<REAR>
COM3/4
AM03-014386A
COM5
COM6
PMC1-EXT
PMC2-EXT
SM48C_VM101
CN1
CN2
입력
입력
SM48C_PW202
T2L
SM48C_PW312
PS1
+24V
24G
AM03-006409A
AM03-021133F
AM03-007151I
SM471_VIS006
SM471_VIS009
AM03-005553C
SM481_VIS002-1
SM481_VIS002-2
AM03-014755B
SM481_VIS002
* 2 STAGE CAMERA
AM03-018611B
SM481_VIS002-1
* 1 STAGE CAMERA
AM03-022141A
SM48C_IT004
AM03-014388C
PWR
PS#2
SM48C_IT005
AM03-014629A
SM48C_IT005-1
AM03-014385A
AM03-014389A
AM03-014390A
AM03-014384A
MULTIPORT
SM48C_PC003
AM03-014387A
SM471-PC007
USB HUB
AM03-014335A
SM471-PC007
USB HUB
AM03-014335A
AM03-028173A
SM48C-IT001
AM03-021754A
SM511_KV003-3
AM03-010874A
FFD-PW
SM48_FD101
AM03-006891C
SM481C_VIS001
AM03-028173A
AM03-015495D
AM03-015496D
SM48_CV004
FEEDER
CHANGE
SELECT
F/R
FEEDER
CHANGE
SELECT
F/R
SUB-CN6/7
AM03-014614B
AM03-014711B
AM03-014715C
AM03-020594A
AM03-003687A
AM03-006922B
AM03-005723C
SM471_SC111-2
SM481_SC011
AM03-007044B
AM03-007045A
AM03-007056A
HD-PW
X-SNS-EX
X-SNS-EX
AM03-007080C
AM03-009943B
AM03-010090B
AM03-010657A
AM03-022140A
AM03-014613A
SM48_SC201
AM03-014613A
CN34
AM03-020588A
CN36
AM03-020590B
AM03-006892A
AM03-003686C
SM421_VM102-1
AM03-010986D
AM03-010079B
AM03-010078A
SM33_OP005
AM03-010078A
AM03-017469A
SM471_OP001
AM03-017469A
SM471_OP001
SM33_CV023-5
SM33_CV023-4
AM03-010654C
AM03-010655C
RFD-CN4
CV-CN4
SM48C_CV101
AM03-014614B
FAN
AM03-006407B