SM481_PLUS_TRM(Ver1.9_CS20.07).pdf - 第124页
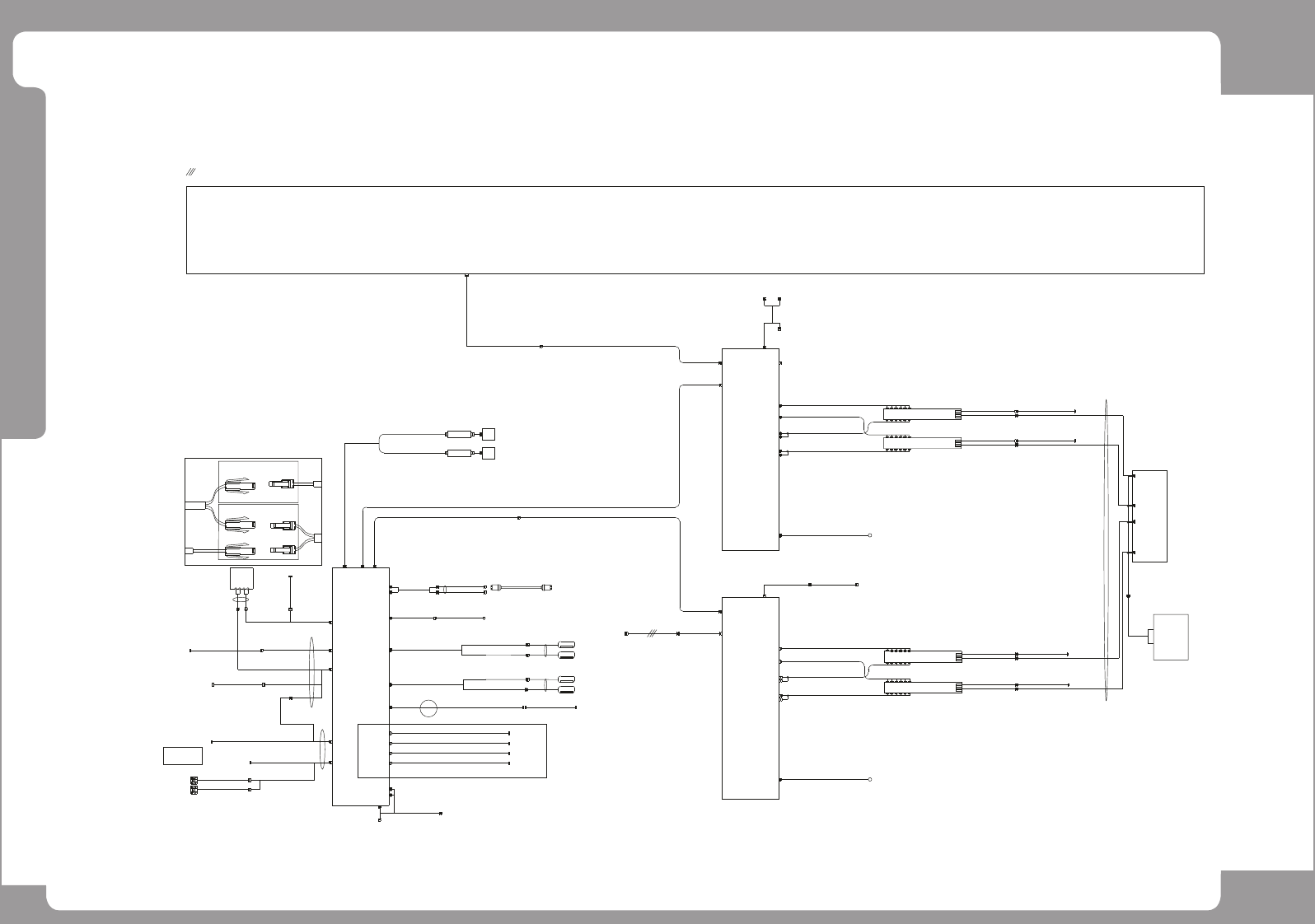
Page +$1:+$ 108 SM481 PLUS SM481 PLUS Harness Wiring Diagram (1/6) TOWER LAMP FL Y CAM1~5 SM471_VIS011 FLA T CABLE G R S T M E E RESET STOP START READY E O P C N Y RESET STOP START READY P O T S Y N C E E E M R G <FRO…

Page
+$1:+$
107
SM481
PLUS

Page
+$1:+$
108
SM481
PLUS
SM481 PLUS Harness Wiring Diagram (1/6)
TOWER LAMP
FLY CAM1~5
SM471_VIS011
FLAT CABLE
G
R
S
T
M
E
E
RESET
STOP
START
READY
E
O
P
C
N
Y
RESET
STOP
START
READY
P
O
T
S
Y
N
C
E
E
E
M
R
G
<FRONT-OP> <REAR-OP>
INDUSTRIAL PC
COM1/2 LAN1
PC-232-EXT
SBC
PCIE ADAPTER #1
PCIE X1 (3M)
AXIO B/D #1-CN1
SAMC-ME #1
PC RACK 12V
SAFETY CONTROL B/D
CN30
CN3
F-OP
CN31
CN3
R-OP
[SC]
T-BOX
FRONT
T-BOX
REAR
SM48_FD101-1
P1 P2
COM1
COM2
COM3
COM4
COM5
CN9
PWR
SM48C_VIS012-1
SM400 VISION IF B/D
CN1
FID.CAM
SM400 CAMERA IO B/D#1
[FID1]
CN6CN8
SM471C_VIS007
CN10
SM471C_VIS010
IT MASTER
12V
SM48C_VIS000
AM03-005548G
HEAD1
CN11
CN10
CN11
CN20
CN21
CN22
CN23
CN27
CN25
CN26
CN7
SCANNER
CN5
CONV I/F B/D
[CV]
CN33
CN26
SM48C_CV101
[SUB]
CONV.SUB I/F B/D
CN32
CN27
CN28
SM48_CV003_LT
CN6
CN1
CN17
CN2
CN18
CN3
START,FFD,RFD
CN7
CN4
CN2
SM421_OP103(AM03-003901C)
START,STOP,RESET,FFD
CN5
SM421_OP104(AM03-003902B)
START,STOP,RESET,FFD
CN2
SM33_OP005
CN7
CN13
AM03-006878B
CN8
SM48_CV026(AM03-006879B)
AIR SENSOR
SM48_SC001_LT
CN3
CN1
CN4
CN1
CN6
CN13
EM,READY,DOOR,FSO
[VIS]
CN24
1234 5
CN18
MC1
+A1
-21
-A2
-22
CN19
SM41_SC006
SM48_CV026-1
J1R-3
J1R-4
SM48C_PC003-1
CN35
SM48_SC201
J1R-2
SM48_SC002_LT
SM421_IT003(AM03-012662A)
SM48-SC105(AM03-007055C)
SM48-SC105-1
SAFEGUARD OVERRIDE KEY
SM41_SC008
SM411_SC009
R DRIVER-PW
21/22
JUMPER
SM511_VM111
REAR PANEL LAN PORT
CV-CN27
CV-CN26
FFD-CN4
AX-CN1
SM41_AX001(AM03-010659A)
CAN
CAN_CH1_L
CAN_CH2_R
CAN_CH3_L
CAN_CH4_R
COM6
FIX.CAM
BS1 DRV CN1
SM41_SC012
CN12
BS2 DRV CN1
AXIO#1-CN2
SM48_SC007
CN28
HD-PW-EXT
FL1-#12
HEAD IF CN1
FL2-#1
X_SEN.
FIX_ILL-CN1
SM48_SC008
CN29
J1R-1
SM481_AX006-1
R-SC-CN13/32
CN6
SM471_PW020
SM471_PW022
STEP/HEAD DRIVER FAN
PCIE ADAPTER #2
PCIE X1 (3M)
AXIO B/D #2-CN1
AM03-005551E
#2F-FL13.14
#1F-FL-13.14
#1F-FL-15
AM03-010263D
#2F-FL-15
12
AM03-010262D
AM03-015510B
1 2
AXIO#2-CN2
SM481_SC009
SM48_CV104-1
CN14
SM421_VM101-2
CN15
SC-CN15-EXT [R]
SC-CN14-EXT [R]
TF-CH1
TF-CH2
PMC1-EXT
PMC2-EXT
COM5
COM6
SM48_VM101
SM48_VM102
SM421_VM101-1
AM03-003689B
USB1
VGA1
<FRONT>
<REAR>
SM48C_KV003-2
USB2
VGA2
<FRONT>
BARCODE READER
<REAR>
COM3/4
AM03-014386A
COM5
COM6
PMC1-EXT
PMC2-EXT
SM48C_VM101
CN1
CN2
입력
입력
SM48C_PW202
T2L
SM48C_PW312
PS1
+24V
24G
AM03-006409A
AM03-021133F
AM03-007151I
SM471_VIS006
SM471_VIS009
AM03-005553C
SM481_VIS002-1
SM481_VIS002-2
AM03-014755B
SM481_VIS002
* 2 STAGE CAMERA
AM03-018611B
SM481_VIS002-1
* 1 STAGE CAMERA
AM03-022141A
SM48C_IT004
AM03-014388C
PWR
PS#2
SM48C_IT005
AM03-014629A
SM48C_IT005-1
AM03-014385A
AM03-014389A
AM03-014390A
AM03-014384A
MULTIPORT
SM48C_PC003
AM03-014387A
SM471-PC007
USB HUB
AM03-014335A
SM471-PC007
USB HUB
AM03-014335A
AM03-028173A
SM48C-IT001
AM03-021754A
SM511_KV003-3
AM03-010874A
FFD-PW
SM48_FD101
AM03-006891C
SM481C_VIS001
AM03-028173A
AM03-015495D
AM03-015496D
SM48_CV004
FEEDER
CHANGE
SELECT
F/R
FEEDER
CHANGE
SELECT
F/R
SUB-CN6/7
AM03-014614B
AM03-014711B
AM03-014715C
AM03-020594A
AM03-003687A
AM03-006922B
AM03-005723C
SM471_SC111-2
SM481_SC011
AM03-007044B
AM03-007045A
AM03-007056A
HD-PW
X-SNS-EX
X-SNS-EX
AM03-007080C
AM03-009943B
AM03-010090B
AM03-010657A
AM03-022140A
AM03-014613A
SM48_SC201
AM03-014613A
CN34
AM03-020588A
CN36
AM03-020590B
AM03-006892A
AM03-003686C
SM421_VM102-1
AM03-010986D
AM03-010079B
AM03-010078A
SM33_OP005
AM03-010078A
AM03-017469A
SM471_OP001
AM03-017469A
SM471_OP001
SM33_CV023-5
SM33_CV023-4
AM03-010654C
AM03-010655C
RFD-CN4
CV-CN4
SM48C_CV101
AM03-014614B
FAN
AM03-006407B

Page
+$1:+$
109
SM481
PLUS
SM481 PLUS Harness Wiring Diagram (2/6)
MAIN-AIR
PUMP-PWR
PUMP-PWR
CAN
R-FEEDER I/F
BOARD
FLAT CABLE
AXIS IO BOARD #1
[AXIO#1]
[RFD]
CN3
CN4
SACO-CN22
CV-CN4
J2R-2
J2R-1
F-FEEDER I/F
BOARD
CONVEYOR I/F
BOARD
CN3
CN4
CN3
CAN
[FFD]
[CV]
CN9
CN20
AM03-003541B
SACO-CN21
SACO-CN20
CN21
SM421_CV115
FAREA-E
FAREA-R
J90831139A
FRONT AREA SENSOR
CN22
SM33_CV018
REAR AREA SENSOR
SM421_CV106-2
CN14
CAN
CN3
CN12
CN15
CN4
SM48C_CV101
J1R-1
RFD-CN4
RAREA-E
CN2
CN3
CN2
CN3CN3CN3 CN2
CAN
CAN
FL2-#10 (CAN)
SM48_CA106
SM48_CA102
SM41_CA003(AM03-010656A)
SM48_CA104
SM48_CA104-1
SM481_CA104
RAREA-R
SM421_CV151
SM421_CV151-1
PLACE STOPPER SENSOR
SM421_CV150-1
BUT SENSOR
CN5
SM48_CV102
CONVEYOR SOL VALVE
PLACE STOPER SOL
BACK UP TABLE SOL
EDGE PUSHER SOL
ANC#1 SHUTTER SOL
FFD-PW
SM421_CV117
CN5
CN6
REAR FEEDER BASE RIGHT B/D
JK1 JK2 JK3 JK4 JK5 JK6
CN7
JK7 JK8 JK9 JK10 JK11 JK12
CN8
CN12
JJ1 JJ2 JJ3 JJ4 JJ5 JJ6
JJ7 JJ8 JJ9 JJ10 JJ11 JJ12
CAN
PWR
CAN
PWR
REAR FEEDER BASE LEFT B/D
CAN
PWR
CAN
PWR
CN11
CN5
CN6
CN11
CAN
PWR
CAN
PWR
CN7
JK1 JK2 JK3 JK4 JK5 JK6
CN8
JK7 JK8 JK9 JK10 JK11 JK12
JJ1 JJ2 JJ3 JJ4 JJ5 JJ6
JJ7 JJ8 JJ9 JJ10 JJ11 JJ12
FRONT FEEDER BASE LEFT B/D
FRONT FEEDER BASE RIGHT B/D
CAN
PWR
CAN
PWR
CN12
PS2
SM48C_IT005
+24V
24G
IT
MASTER
CH1
CH2
CH3
CH4
AM03-014629A
FFD-CAN-EXT
FIX_ILL_IF
FIX1 LED I/F B/D
FIX2 LED I/F B/D
FIX.ILL
CN29
CN26
CN27
MC2
TH-N12
SM48_1TCV_006+
SM48C_PW147-1
PUMP-PWR
MAIN-AIR
PUMP-ALARM
EJECTOR
SM48C_PW146
VACCUM-AIR
VACUUM-AIR
PUMP-ALARM
SM48C_PW146
PUMP-ALARM
EJECTOR Option Connection
Vacuum Pump Option Connection
SM_FD004
SM_FD003
SM_FD007
SM_FD006
J90800842C
J90800839D
J90800838D
J90800841C
SM48C_IT004
AM03-014388B
PS3
PS3
AM03-014482C
SM48C_FD004
AM03-014484C
SM48C_FD005
SM_FD023
AM03-000764A
SM_FD022
AM03-000765A
PS4
PS4
AM03-014485C
SM48C_FD006
AM03-014489C
SM48C_FD007
SM_FD023
AM03-000764A
SM_FD022
AM03-000765A
SM48C_IT005-1
AM03-014385A
AM03-014907B
AM03-014853A
SM48C_PW146
AM03-014853A
AM03-006943C
HD-CAN
AM03-007053A
CN13
SM48C_FD302
PS3 REMOTE CONNECTOR
AM03-022138B
SM_FD023
AM03-000764A
SM_FD022
AM03-000765A
SM421_CV106-1
AM03-006876B
FIX-ILL-R
AM03-006942A
SM48C_CV101
AM03-014614B
CN14
P-SEN-EXT
BUT-SEN-EXT
PL-INPUT
AM03-024439A
SM33-CV028
SM33-CV029
SM33-CV019
SM33-CV020
F-DC-SOL
R-DC-SOL
F-DC-SNS
R-DC-SNS
DOCKING CART OPTION
CN10
CN11
CN23
CN24
CN16
RACK FAN
RACK-CN7
A-CL
A-OP
PL-OUT
SM480PLUS_CV012
AM03-021881A
SM48_1TCV_005
AM03-024326A
JP1
JP1
AM16-001209A
CN13
SM48C_FD303
PS4 REMOTE CONNECTOR
AM03-022139B
AM03-025118A
AM03-003542B
SMEMA
SM33_CV024
J90831146B
SM33_CV016
J90831759A
AM03-003598A
AM03-003597A
CN8
J90831742A
SM4_INLINE
IAW-N
AM03-012642A
SM4_IAW
IN LINE AUTO WIDTH
AM03-014614B
SM482_CV010
SM482_CV010-1
AM03-017002A
AM03-017001A
SM48_1TCV_006+
AM03-024439A
SM_FD004
SM_FD003
SM_FD007
SM_FD006
J90800842C
J90800839D
J90800838D
J90800841C
SM48_FD101-1
AM03-006892A
SM48_FD101
AM03-006891C
AM03-007151I
SM48C_PW147-1
AM03-014907B
AM03-014853A