SM481_PLUS_TRM(Ver1.9_CS20.07).pdf - 第128页
Page +$1:+$ 11 2 SM481 PLUS SM481 PLUS Harness Wiring Diagram (5/6) CONVEYOR I/F BOARD FLA T CABLE [CV] CN23 CAN CN2 FDOCK1 FDOCK2 FRONT DOCKING CART SENSOR1(LEFT T O FRONT SIDE) FRONT DOCKINF CART SENSOR2(RIGHT T O FRON…

Page
+$1:+$
111
SM481
PLUS
SM481 PLUS Harness Wiring Diagram (4/6)
HEAD IF B/D
CAN
CN2
SENSORSENSORSENSORSENSOR
VAC.
VAC.VAC.
VAC.
H1 H2
H3 H4
VACUUM SENSOR B'D(H1~H10)
H5
VAC. VAC.
SENSOR
H1~10 VAC SOL
AM03-007503A
CN1
CN11 CN21
Z109 AMP
FLAT CABLE
HEAD R AXIS
Z1 Z2 Z3 Z4
(50W)
SW
AXIS IO BOARD #2
[AXIO#2]
CN12
SM481_VM009-1
CN5
CN6
CN3 CN1
CN10
CN4 CN2
CN13
CN14
CN5
CN6
CN3 CN1 CN4 CN2
Z5 Z6
CN15 CN16
CN5
CN6
CN3 CN1 CN4 CN2
Z7 Z8
CN17 CN18
CN5
CN6
CN3 CN1 CN4 CN2
Z9 Z10
CN19 CN20
CN5
CN6
CN3 CN1 CN4 CN2
CN1
CN22 CN23
CN26
CN5
CN2
PWR
SACO-CN26
CN3
SM481_VM011
SM481C_VM106_LIQI
SM481_SC009
SM481_VM009-2
CN10
SM481_VM009-3
CN10
SM481_VM009-4
CN10
SM481_VM009-5
CN10
SM471_PW031
[VAC]
SENSORSENSOR
VAC.
H6 H7
H9H8
VAC. VAC.
SENSOR SENSOR
H10
VAC.
SENSOR
CN16
CN1
FHD-CAN
FRONT MOTOR IF B/D
CN11
Z87 AMP Z65 AMP Z43 AMP Z21 AMP
CN12 CN13 CN14 CN15 CN23 CN21
CN24
CN25
CN1 CN1 CN1 CN1
CN22
R1 R2 R3 R4
R5
CN19 CN20CN18CN17CN16
CN7 CN9
CN1
CN6 CN2 CN7 CN3 CN8 CN4 CN9 CN5 CN10 CN24
SM481_MD019_PANA
SM481_MD020_PANA
SM481_MD021_PANA
SM481_MD022_PANA
SM481_MD023_PANA
SM481_MD024_PANA
SM481_MD025_PANA
SM481_MD026_PANA
SM481_MD027_PANA
SM481_MD028_PANA
SM481_MD038
SM481_MD039
SM481_MD040
SM481_MD040-1
SM481_MD040-2
SW-ENSW-PW
SM471_MD025
#1F-FL3.4 #1F-FL5.6 #1F-FL7.8
FRONT
AM03-007495C
CN15
H1~10 BLOW SOL
CN14
AM03-007496B
FL2-#10
PCIE X1
CN5
CN4
CN12
AM03-015112A
CN11
CN9
SM471C_HD008
SW HOME
CN13
AM03-005587C
OVER BLOW
CN10
SM481C_HD007
R1~5 HOME
CN19CN18
Z1~Z8 HOME
Z9~Z10, R1~R5, SW HOME
CN8
AM03-007500B
조명
FIDUCIAL조명 #1
CN17
AM03-007501A
FIDUCIAL조명 #2
OUTER/INNER
조명
OUTER/INNER
CN6
CN7
CN20
CN1
PWR
PCIE ADAPTER #2
#1F-FL9.10
SM481_AX006-1
#1F-FL12
#2F-FL3.4 #2F-FL5.6 #2F-FL9
#2F-FL12
Z1~Z8 HOME
Z9~Z10, R1~R5, SW HOME
AM03-005590C
SIDE
조명
AM03-005593D
OUT
조명
COAX
조명
AM03-007502B
PWR
SM48C_PW027
PS#2
SM471_VI006
SM481_VM011-1
PW48_PW018_-01
SM481C_MD012_LIQI
SM481_MD011_LIQI
CN1
HOME SENSOR B/D
(Z1~Z10 HOME SENSOR)
F FEEDER IF CN2
FL1-#11
SM481_VI006
#2F-FL1
AM03-005505A
SM471_PW031
AM03-005505A
SM471_PW031
AM03-005505A
CN2 CN2
CN2
CN2 CN2
AM03-005723C
SM471_SC111-2
AM03-007484B
AM03-021133F
H5H10-VAC
AXIO-CN5-EX
H1H4-VAC
FL2-#11
AM03-007151I
HD-SOL1
HD-SOL
SM481_AX008-1
AM03-007482B
SM481_AX008
AM03-007047D
AXIO #1 CN5
HD_SOL
AM03-007526B
AM03-007527B
AM03-007528B
AM03-007529B
AM03-007530B
R5 AXIS
DRIVER
R4 AXIS R3 AXIS
R2 AXIS R1 AXIS
AM03-007531B
AM03-007532B
SM471_HD009
SM481_HD005
SM481_HD006
SM47C_HD003
AM03-015567A
AM03-015718A
SM481_HD010-1
SM481_HD004
SM481_HD010-2
SM471_HD010-3
SM471_HD010-6
SM481_HD010-11
AM03-019189A
AM03-019190A
AM03-019191A
AM03-019193A
AM03-019194A
AM03-019195A
AM03-019196A
AM03-019197A
AM03-019198A
AM03-019199A
AM03-007902A
AM03-007903A
AM03-007535A
AM03-007536A
AM03-007537A
AM03-005611D
SM471_PW031
AM03-005505A
AM03-015511A
AM03-020125A
AM03-015508A
X6
AM03-017089C
AM03-017091B
FL2-#7,8
AM03-007151I
AM03-007151I
SM481_CA104
AM03-007053A
Panasonic AC servo
SET
MODE

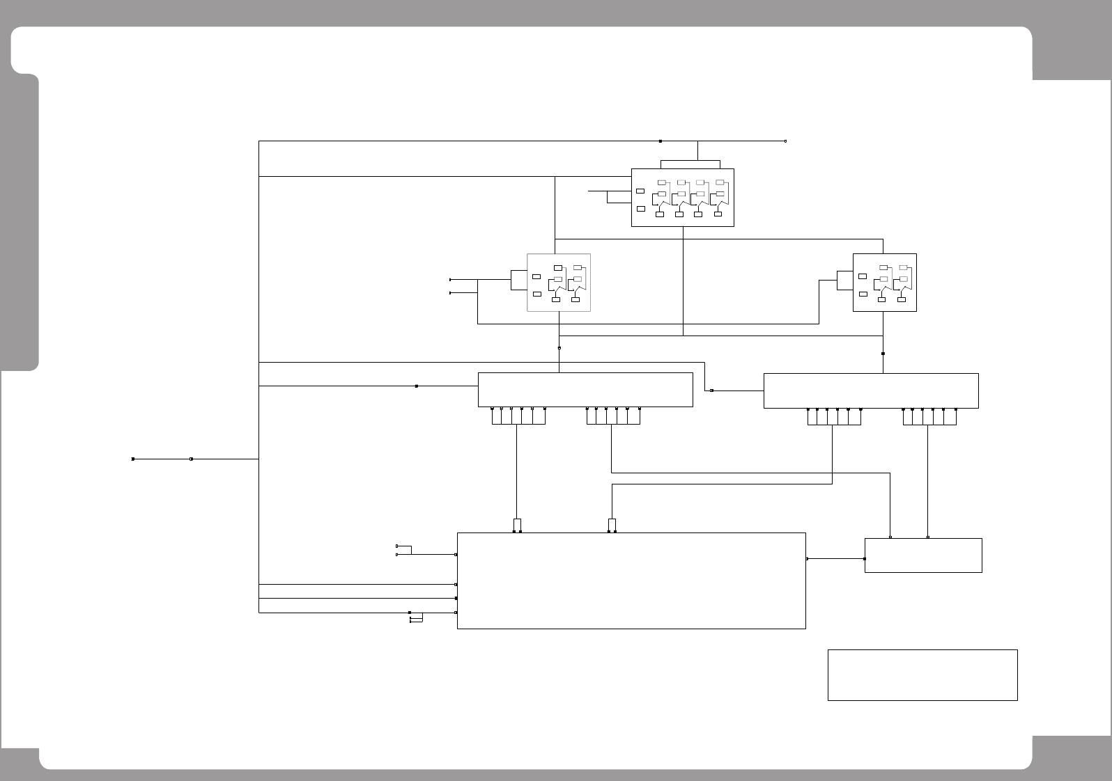
Page
+$1:+$
112
SM481
PLUS
SM481 PLUS Harness Wiring Diagram (5/6)
CONVEYOR I/F
BOARD
FLAT CABLE
[CV]
CN23
CAN
CN2
FDOCK1
FDOCK2
FRONT DOCKING CART SENSOR1(LEFT TO FRONT SIDE)
FRONT DOCKINF CART SENSOR2(RIGHT TO FRONT SIDE)
CN24
RDOCK1
RDOCK2
REAR DOCKING CART SENSOR1(LEFT TO FRONT SIDE)
REAR DOCKINF CART SENSOR2(RIGHT TO FRONT SIDE)
CN10
F/D_CART SOL1
F/D_CART SOL2
FRONT D_CART SOL1
FRONT D_CART SOL2
CN 111
J90831150B
R/D_SOL1
R/D_SOL2
REAR D_CART SOL1
REAR D_CART SOL2
FFD-EN2
FFD-EN3
FFD-CN2
FFD-CN3
SM48C_IT004
CAN
CAN
PC RACK
IT MASTER
CAN_CH1_L
CAN_CH3_L
F-24V-EX
AM03-001729A
AM03-001730A
RFD-EN3
RFD-EN2
RFD-CN3
RFD-CN2
CN3
CN21
[AXIO#1]
CN3
[SC]
[SC]
CN22
CAN_CH2_R
CAN_CH4_R
R-24V-EX
Front DOCKING CART EXT.
Rear DOCKING CART EXT.
F-DCART
R-DCART
HD-CAN
Front DOCK ING CART
Rear DOCK ING CART
5557-24R
5557-24R
DOCK ING CART (OPTION)
CAN
CAN
CAN
AM03-014388C
SM411N_FD010_DC
SM33_CV029
SM411N_FD011_DC
AM03-006704A
SM471_CV020
5559-24P
AM03-001731C
SM411N_FD012_DC
5559-24P
AM03-001731C
SM411N_FD012_DC
SM48C_IT005
AM03-014385A
AM03-006703A
SM471_CV019
J90831149B
SM33_CV028
SM48_CA104
SM48_CA104-1
FFD-CAN-EXT
AM03-006943C
AM03-006942A
FL2-#10 (CAN)
SM481_CA104
AM03-007053A
AM03-007151I
AM03-010656A
SM41_CA003
SM48_CA106
SM48_CA102
AM03-006876B
FIX-ILL-R
AM03-025118A

Page
+$1:+$
113
SM481
PLUS
SM481 PLUS Harness Wiring Diagram (6/6)
DOCKING CART
FBLD
FBRD
FEEDER IO BOARD
FEEDER INPUT EXT BOARD
AM03-001738E
J91741071A
CN1
CN11
SM_FD01
J9080857B
AM03-006346A
AM03-006345A
DEVICENET
PW
DEVICENET
SM421N_FD024_DC
AM03-001746A
SM421N_FD025_DC
AM03-001747A
SM421N_DC003
AM03-001738E
JK1
JK2
JK3
JK4
JK5
JK6
JJ1
JJ2
JJ3
JJ4
JJ5
JJ6
JK1
JK2
JK3
JK4
JK5
JK6
JJ1
JJ2
JJ3
JJ4
JJ5
JJ6
CN5 CN7
SM_FD012
J9080852D
CN6 CN8
SM_FD014
J9080854C
CN5
SM_FD013
J9080853B
SM_FD015
J9080855B
CN3
DEVICENET RIGHT
DEVICENET LEFT
CN3
CAN
CN4
FEEDER IO BD 24V
CN10
F/R DOCK SIG
DCART-PW
DEVICE-EX(D-SUB 15PIN)
TO IT WORKSTATION
CONNECTOR
1
5
9
14(+)
13(-)
2
6
10
3
7
11
4
8
12
D-NET-CAN
SM411N_DC004
AM03-001748D
1
4
(5~8)
RELAY #1
1
3
5
8(+)
7(-)
2
4
6
1
3
5
8(+)
7(-)
2
4
6
RELAY #2
RELAY #3
FD-CN13
CN7
FD-CN13-EX
FD-CN7-EX
SM411N_FD001_DC
AM03-001739A
FD-CN13-EX
SM411N_FD002_DC
AM03-001540B
PW
SM411N_DC005
AM03-003463B
SM411N_DC005
AM03-003463B
(9~12)
D24V/F24V
D24V
F24V
F24V
D24V
D24V
D24V
F24V
F24V
D24V/F24V
D24V/F24V
SM411N_DC007
AM03-006455B
SM411N_DC008
AM03-023728A
RY#1 1-2,3-4 SHORT
FD_CN4
SM411N_DC006
AM03-006535B
RELAY #1 -1
RELAY #1 -4
SM41N_FD016_DC
AM03-001745C