SM481_PLUS_TRM(Ver1.9_CS20.07).pdf - 第27页
Page +$1:+$ 11 SM481 PLUS Feeder Base Ass’y - DC (3/4) NO. Lev . PA R T N O . P ART NAME Q'TY Old No. Reference 1 J91741071A FEEDER_INPUT_EXT _BOARD VER 1.1 1 2 AM03-015857 E ASSY ,BOARD-FE EDER IO VER 2.0 1 (AM03-0…

Page
+$1:+$
10
SM481
PLUS
Feeder Base Ass’y - DC (3/4)
CAN FEEDER EXTENSION B
OARD
CAN CONVEYO
R BOARD
5
5
6
2
1
4
3

Page
+$1:+$
11
SM481
PLUS
Feeder Base Ass’y - DC (3/4)
NO. Lev. PART NO. PART NAME Q'TY Old No. Reference
1 J91741071A FEEDER_INPUT_EXT_BOARD VER 1.1 1
2 AM03-015857E ASSY,BOARD-FEEDER IO VER 2.0 1 (AM03-000819A / AM03-000819B/
AM03-000819C/ AM03-000819C/ AM03-000819E: ~2016.12)
Old: Version 1.6
New: Version 2.0 (2017.01~)
3 FC09-000977A FRONT SENSOR BKT2 1 J70540267B
4 FC09-000976A FRONT SENSOR BKT1 1 J70540266B/ J70540266C
5 FC29-900144 DRAWER PULL 2
6 FC15-001297A COVER-COVER LFM DC 1

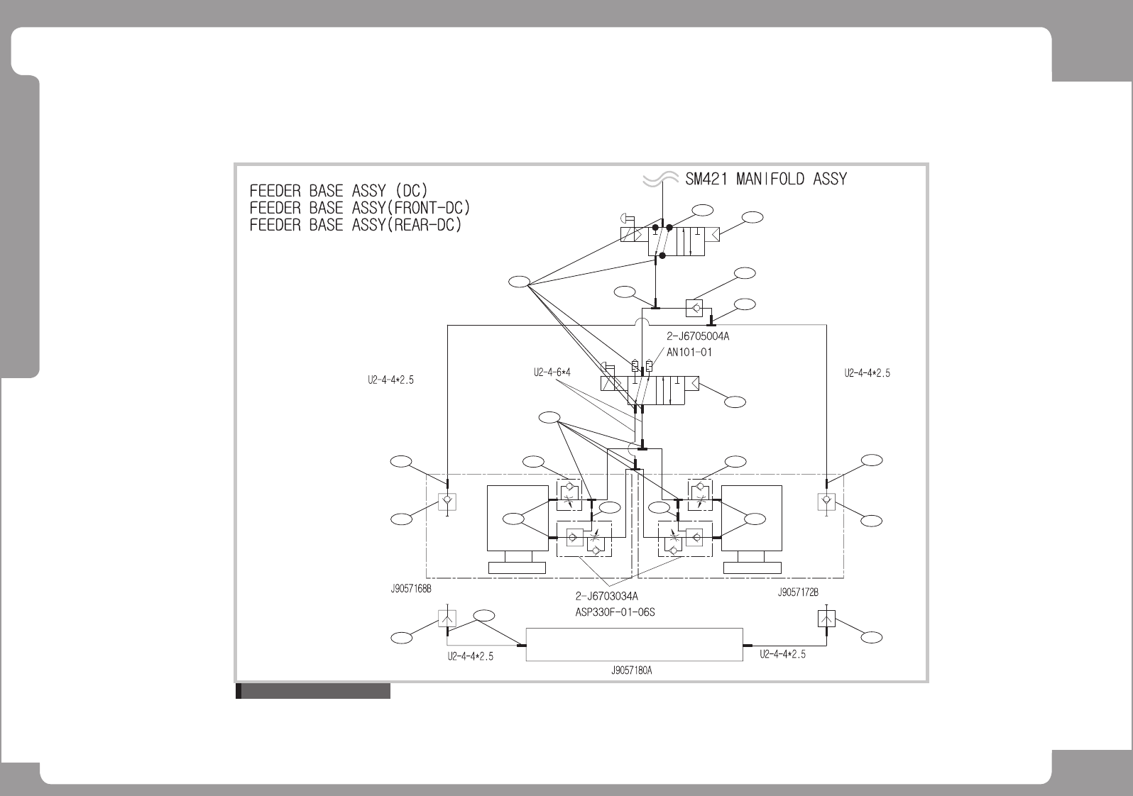
Page
+$1:+$
12
SM481
PLUS
Feeder Base Ass’y - DC (4/4)
Reference to Air Ass'y
ڡۀۀڿۀۍٻڝڼێۀٻڃڟڞڄ
1
1
2
3
3
6
6
2
2
4
5 5
4
10
11
12
7
10
9
8
12