JP-0001-001.pdf - 第28页
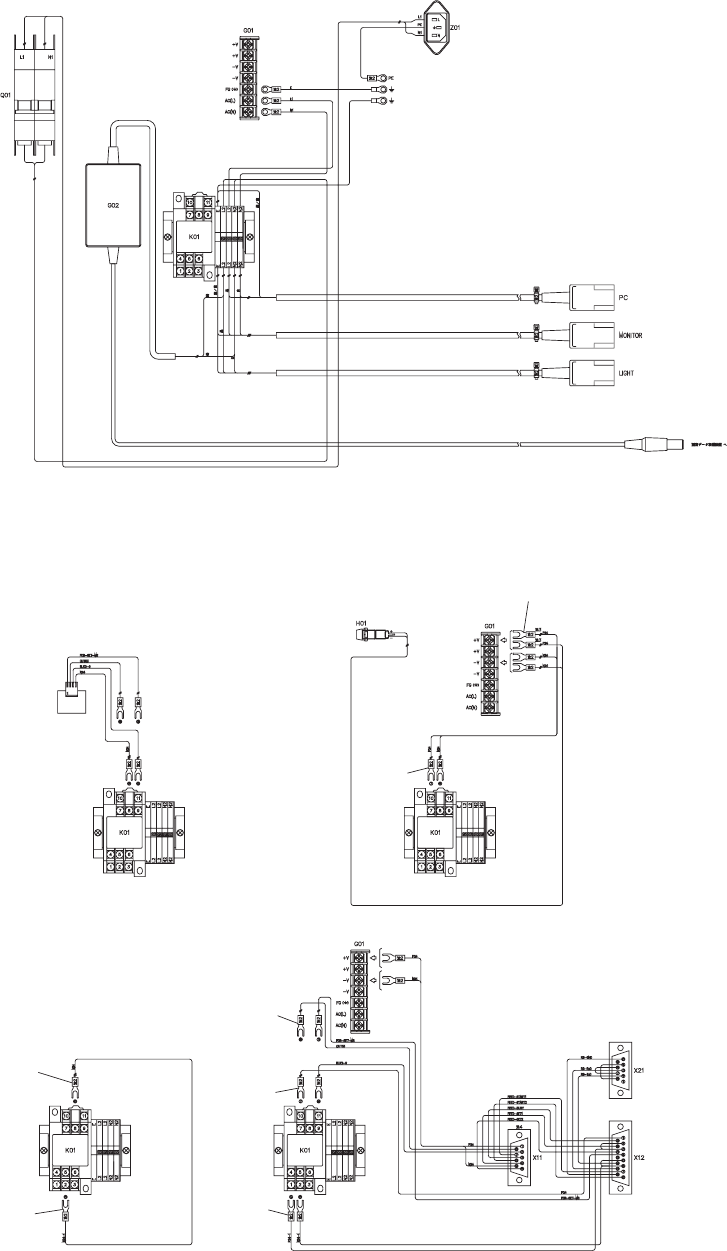
1005-001 26 378 379 378 378 378 378 378 JG-0209 電装ボックス部 ELECTRICAL BOX SECTION Fig. C-4 電源回路図 Power Supply Circuit Diagram

1005-001
25
Key No. PART No. PART NAME Q’ty REMARKS New Code
251 6301700854 EQUIPMENT(COMPUTER) 1 1 1 932C--010-281 4U260359
253 6301376844 P.C.B_MOUNT(DIO-BOARD) 1 1 1 932C--010-283 4B111522
254 6301699103 UNIT,I/O 1 1 1 932C--010-284 4U250255
255 6301699363 UNIT,I/O(USB-RS232C) 1 1 1 932C--010-285 4U250256
256 6301701240 CORD(RS232C 2M) 1 1 1 932C--010-286 4W204739
257 6301760148 CORD(AC100V) 1 932C--030-287 4W205237
261 6301723464 ASSY,CORD 1 1 1 932C--010-371 0W202037
265 6301723488 ASSY,CORD 1 1 1 932C--010-375 0W202039
267 4111087103 SCR FLT 3X10 2 2 2 932C--010-452 221D0211
271 6301112480 ACCESSORY,CONN 2 2 2 932C--010-481 23K20091
272 6301112480 ACCESSORY,CONN 4 4 4 932C--010-482 23K20091
276 6300044331 CONNECTOR 1 1 1 932C--010-571 4J100056
277 6301721279 CONNECTOR(DB15F) 1 1 1 932C--010-572 4J101023
278 6300044324 CONNECTOR 1 1 1 932C--010-573 4J100055
282 6301710402 ACCESSORY,WIRING(GROMMET) 2 2 2 932C--010-582 23N30721
291 6300617115 ACCESSORY_WIRING 1 932C--020-651 23N30179
292 6300612011 ACCESSORY_WIRING 1 932C--020-652 23N30176
JG-0209
JG-0209E
JG-0209J
C-3

1005-001
26
378
379
378
378
378
378
378
JG-0209
電装ボックス部
ELECTRICAL BOX SECTION
Fig. C-4
電源回路図
Power Supply Circuit Diagram

1005-001
27
378
379
378
378
378
378
378
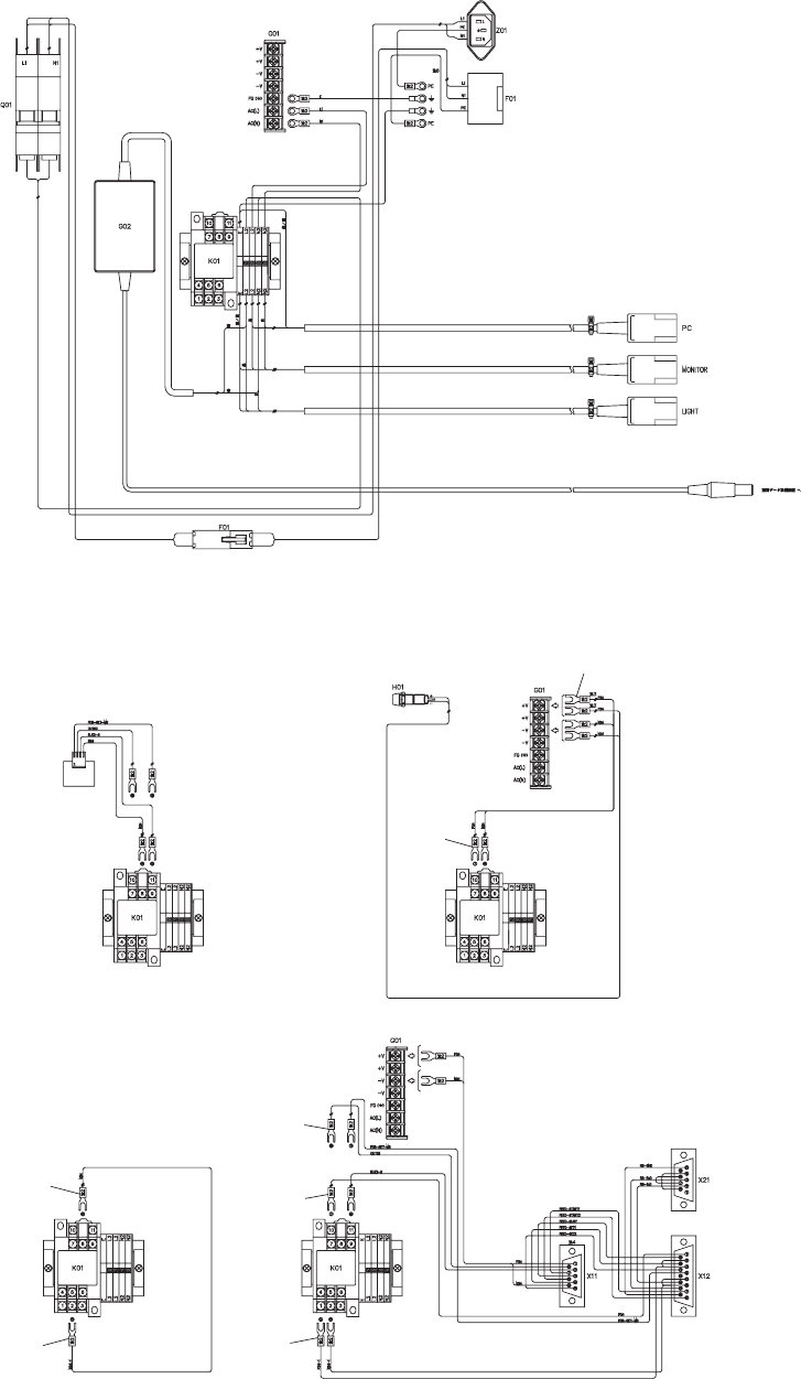
JG-0209E
電装ボックス部
ELECTRICAL BOX SECTION
Fig. C-4
電源回路図
Power Supply Circuit Diagram