JP-0001-001.pdf - 第32页
平成 22 年 5 月 初版 発行 Pu bli sh ed , Ma y. 2 01 0 CHIP MOUNTING SYSTEM 立体分解図 EXPLODED ILLUSTRA TION 編集及び発行所 Editing & Publishing Printed by T .H.I 不許複製 1005-001 奥付 COLOPHON

1005-001
28
378
379
378
378
378
378
378
JG-0209J
電装ボックス部
ELECTRICAL BOX SECTION
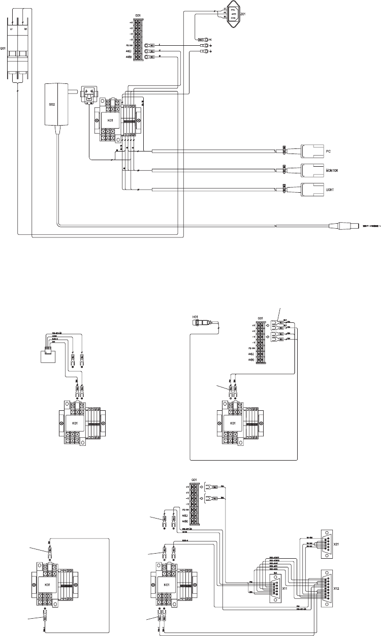
Fig. C-4
電源回路図
Power Supply Circuit Diagram

1005-001
29
Key No. PART No. PART NAME Q’ty REMARKS New Code
378 6301073293 CABLE JOINT,TERMINAL 4 4 4 932C--010-578 4J300118
379 6300408355 CABLE JOINT,TERMINAL 10 10 10 932C--010-579 4J300050
JG-0209
JG-0209E
JG-0209J
C-4

平成
22
年
5
月
初版発行
Published, May. 2010
CHIP MOUNTING SYSTEM
立体分解図
EXPLODED ILLUSTRATION
編集及び発行所
Editing & Publishing
Printed by T.H.I
不許複製
1005-001
奥付
COLOPHON