Hella Transportumbau - 第8页
Hella Transportumbau (00166269-01) Ausgabe 09/2006 8 3 Abb. 3.10 - 2 Riemenauflage ZB (00378354-0 1)

Hella Transportumbau (00166269-01)
Ausgabe 09/2006
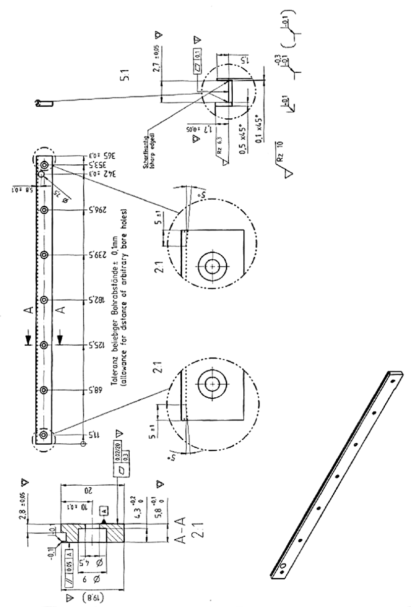
7
3Pläne
3
Abb. 3.10 - 1 Riemenauflage EB + AB (00378353-01)

Hella Transportumbau (00166269-01)
Ausgabe 09/2006
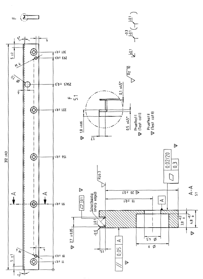
8
3
Abb. 3.10 - 2 Riemenauflage ZB (00378354-01)

Hella Transportumbau (00166269-01)
Ausgabe 09/2006
9
3
Abb. 3.10 - 3 Riemenauflage 1 (00378355-01)