Hella Transportumbau - 第9页
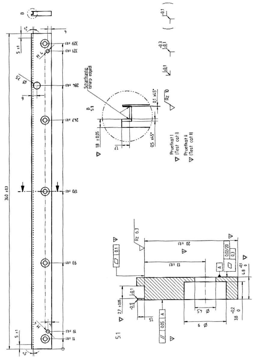
Hella Transportumbau (00166269-01) Ausgabe 09/2006 9 3 Abb. 3.10 - 3 Riemenauflage 1 (00378355-01)

Hella Transportumbau (00166269-01)
Ausgabe 09/2006
8
3
Abb. 3.10 - 2 Riemenauflage ZB (00378354-01)

Hella Transportumbau (00166269-01)
Ausgabe 09/2006
9
3
Abb. 3.10 - 3 Riemenauflage 1 (00378355-01)

Hella Transportumbau (00166269-01)
Ausgabe 09/2006
10
3
Abb. 3.10 - 4 Riemenauflage 2 (00378356-01)