Service Manual HS60 - 第101页
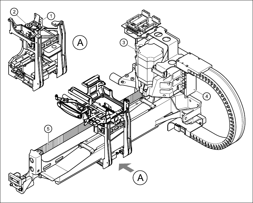
HS -60 Se rvic e Manu al 4 Ga ntr ies 03/ 200 3 U S Iss ue 4. 3 Part s ov erv ie w 99 4.3 Part s overview 4 Fig. 4.3 - 1 Gan t ry - par ts overvi ew Key 4 (1) T ensio ning key (00 329478-01 ) (2) T ensi oning key (003294…

4 Gantries HS-60 Service Manual
4.2 Structure of the gantry 03/2003 US Issue
98
The head mount supports the collect&place head /DLM2 and the head board (see item 4 in Fig.
4.2 - 4
). 4
The PCB centering and pick-up position detection components for the feeder modules are
mounted on the underside of the head mount. 4
4
Fig. 4.2 - 6 Head mount - underside
Key
(1) Three shuttles on the two recirculating ball screw units
(2) Recirculating ball screw units
(3) Camera beneath the gantry for PCB centering and pick-up position detection for the feeder
modules
(4) Incremental encoder for the X-axis scale
(5) End position proximity switch 2
(6) End position proximity switch 1 and reference point for the X-axis

HS-60 Service Manual 4 Gantries
03/2003 US Issue 4.3 Parts overview
99
4.3 Parts overview
4
Fig. 4.3 - 1 Gantry - parts overview
Key
4
(1) Tensioning key (00329478-01) (2) Tensioning key (00329485-01)
(3) X-axis motor unit (00333167-03) (4) Linear motor, primary part (00333148-02)
(5) Toothed belt, Synchroflex 50ATS5/1205, E9/11 (00331076-02)

4 Gantries HS-60 Service Manual
4.4 Points to note before starting servicing work 03/2003 US Issue
100
4
Fig. 4.3 - 2 Gantry - parts overview 2
Key
4.4 Points to note before starting servicing work
Æ End all placement operations on the placement system.
Æ Disconnect the component table of the gantry concerned, if necessary.
Æ Switch the placement system off at the main switch.
Æ Wait until the operating system has shut down and the UPS has switched off.
Æ Disconnect the placement system from the power supply.
Æ Disconnect the placement system from the compressed air supply.
Æ Switch off the motor contactor in the power supply unit and secure the operating lever with a
padlock.
(1) Elastomeric spring 25x10.5x50 (90 Shore A) From item number 00301040-01
(2) X-axis scale for HS50 From item number 00329316-01
(3) Deflection unit X From item number 00330938-02