Service Manual HS60 - 第116页
4 G ant ri es HS- 6 0 S erv ice Ma nu al 4. 10 R epl ac in g t he X-a xi s to oth ed b el t (0 03 31 076- 02 ) 03/ 200 3 US I ssue 114 4.10 Repla cing the X- axis toothe d belt (00 331076 -02) 4.10.1 T ools a nd equipmen…

HS-60 Service Manual 4 Gantries
03/2003 US Issue 4.9 Replacing the deflection unit (00330938-02)
113
4
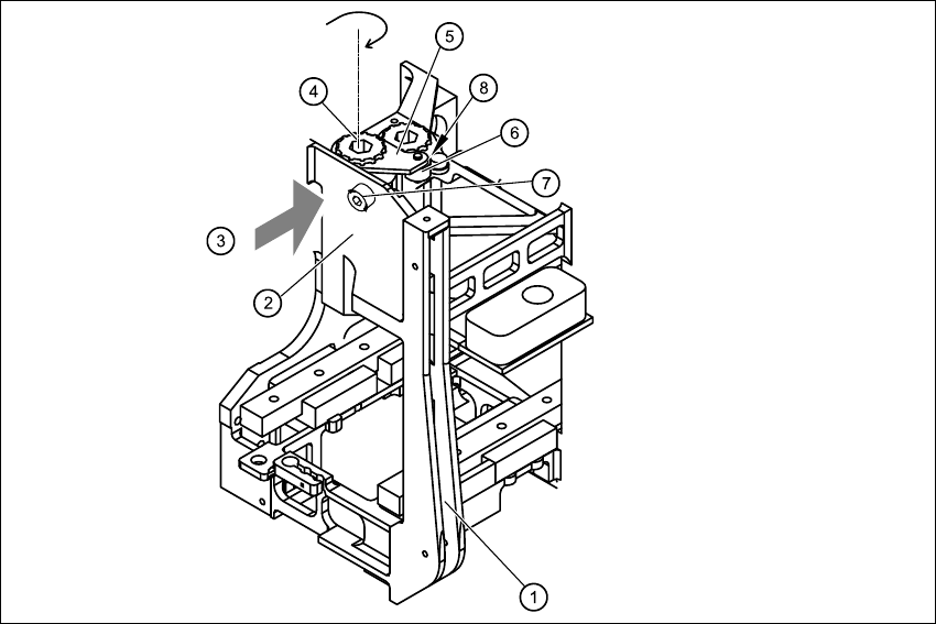
Fig. 4.9 - 2 Fitting the toothed belt on the tension jack
Key
(1) Head mount
(2) Tension jack for the toothed belt
(3) Opening for threading the toothed belt
(4) Synchronizing disk, long
(5) Tensioning key
(6) Spacer bolt with M4 threaded hole
(7) M4 x 35 hexagon socket-head screw for tensioning the toothed belt
(8) Locknut

4 Gantries HS-60 Service Manual
4.10 Replacing the X-axis toothed belt (00331076-02) 03/2003 US Issue
114
4.10 Replacing the X-axis toothed belt (00331076-02)
4.10.1 Tools and equipment
– Set of DIN 911 Allen keys
– TSM belt tension measuring device, from item number 00326015-01
– "Measuring belt tensions" operating instructions
4.10.2 Parts
Toothed belt, Synchroflex 50 ATS5-1205 E9-11, from item number 00331076-01 4
4.10.3 Removing the X-axis toothed belt
Æ Switch the placement system off and secure it to prevent switching on again as described in
Section 4.4
, page 100 onward.
DANGER POWERFUL MAGNETIC FIELD 4
Always follow the special safety instructions when working in the vicinity of powerful magnetic
fields (see Section 4.5, page 101 onward). 4
Æ Dismantle the two tensioning keys (item 1 in Fig. 4.10 - 1) (see Section 4.8.3)
Æ Remove the toothed belt from the two synchronizing disks (item 2 in Fig. 4.10 - 1).
Æ Unthread the toothed belt from the deflection unit (item 4 in Fig. 4.10 - 1).
Æ Remove the toothed belt from the synchronizing disk of the X-axis motor unit (item 5 in Fig.
4.10 - 1
).

HS-60 Service Manual 4 Gantries
03/2003 US Issue 4.10 Replacing the X-axis toothed belt (00331076-02)
115
4
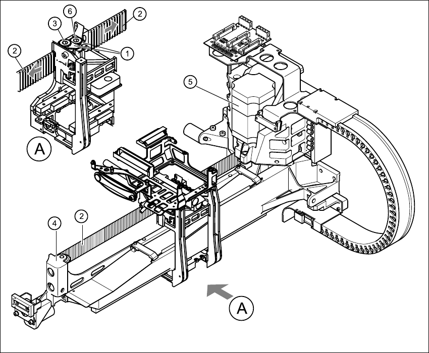
Fig. 4.10 - 1 Removing the X-axis toothed belt
Key
(1) Tensioning key
(2) Toothed belt
(3) Synchronizing disk, long
(4) Deflection unit X
(5) X-axis motor unit
(6) Synchronizing disk, short