Service Manual HS60 - 第123页
HS -60 Se rvic e Manu al 4 Ga ntr ies 03/ 200 3 US I ssue 4. 11 R e plac in g the X- ax is m ot or un it ( 00 33 31 67- 03) 121 4.1 1.4 Ins tal ling th e X-axis m oto r unit G antry 1 or 3 4 Æ C a reful ly in sert the X-…

4 Gantries HS-60 Service Manual
4.11 Replacing the X-axis motor unit (00333167-03) 03/2003 US Issue
120
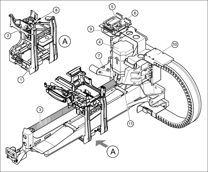
Fig. 4.11 - 1 Replacing the X-axis motor unit
Key
(1) Head mount
(2) M4 x 35 hexagon socket-head screw for tensioning the X-axis toothed belt
(3) Synchroflex X-axis toothed belt
(4) X-axis motor unit
(5) X/Y distributor
(6) X5 socket for X-axis motor
(7) 2 x M6 x 14 hexagon socket-head screws
(8) Locknut
(9) Board holder
(10) Cable holder
(11) Cable clamp

HS-60 Service Manual 4 Gantries
03/2003 US Issue 4.11 Replacing the X-axis motor unit (00333167-03)
121
4.11.4 Installing the X-axis motor unit
Gantry 1 or 3 4
Æ Carefully insert the X-axis motor unit (item 4 in Fig. 4.11 - 1) as far as the stop, making sure
that you do not damage the toothed belt. The motor cable points towards the permanent mag-
nets of the linear drive.
Æ Use the two hexagon socket-head screws (item 7 in Fig. 4.11 - 1) to clamp the X-axis motor
unit.
Æ Fit the cable holder for the trailing cable (item 10 in Fig. 4.11 - 1).
Æ Fit the board holder (item 9 in Fig. 4.11 - 1).
Æ Fit the X/Y distributor (item 5 in Fig. 4.11 - 1).
Æ Plug in all plugs into their socket on the X/Y distributor (item 5 in Fig. 4.11 - 1).
Æ Use the cable clamp (item 11 in Fig. 4.11 - 1) to fix the flat ribbon cable.
Æ Use cable ties to fix all cables.
CAUTION 4
Make sure that the cables are firmly seated. Otherwise, the high acceleration forces may
cause the cable to slip out of position and shear through. 4
Æ Turn the hexagon socket-head screw (item 2 in Fig. 4.11 - 1) to pre-tension the X-axis toothed
belt.
Æ Use the three M6 x 8 hexagon socket-head screws to fit the black cover strip to the cross-beam
above the gantry concerned.
Æ Connect the cable of the fan motor to the socket.
Gantry 2 or 4
Æ Carefully insert the X-axis motor unit (item 4 in Fig. 4.11 - 1) as far as the stop, making sure
that you do not damage the toothed belt. The motor cable points towards the permanent mag-
nets of the linear drive.
Æ Use the two hexagon socket-head screws (item 7 in Fig. 4.11 - 1) to clamp the X-axis motor
unit.
Æ Fit the cable holder for the trailing cable (item 10 in Fig. 4.11 - 1).
Æ Fit the board holder (item 9 in Fig. 4.11 - 1).
Æ Plug in the X-motor plug into its socket on the X/Y distributor (item 5 in Fig. 4.11 - 1).
Æ Use the cable clamp (item 11 in Fig. 4.11 - 1) to fix the flat ribbon cable.
Æ Use cable ties to fix all cables.

4 Gantries HS-60 Service Manual
4.11 Replacing the X-axis motor unit (00333167-03) 03/2003 US Issue
122
CAUTION 4
Make sure that the cables are firmly seated. Otherwise, the high acceleration forces may
cause the cable to slip out of position and shear through. 4
Æ Turn the hexagon socket-head screw (item 2 in Fig. 4.11 - 1) to pre-tension the X-axis toothed
belt.
Æ Use the three M6 x 8 hexagon socket-head screws to fit the black cover strip to the cross-beam
above the gantry concerned.
Æ Connect the cable of the fan motor to the socket.
4.11.5 Settings
Æ Push the head mount (item 1 in Fig. 4.11 - 1) towards X-axis motor unit as far as the stop on
the elastomeric spring.
Æ Turn the hexagon socket-head screw (item 2 in Fig. 4.11 - 1) to set the belt tension to
53 Hz + 1/-3 Hz.
CAUTION 4
Do not overstretch the toothed belt when adjusting the belt tension. 4
Æ Secure the hexagon socket-head screw (item 2 in Fig. 4.11 - 1) with the locknut (item 8 in Fig.
4.11 - 1
).