Service Manual HS60 - 第281页
HS -60 Se rvic e Ma nual 7 DLM2 Co l lect&Plac e Head 03/ 2003 US Is sue 7.8 R epl acing the t urn ing stat ion ( 003 41780- 03) 279 Fig. 7.8 - 2 T urnin g sta tion / DLM2 Ke y to Fi g. 7.8 - 2 (1) T urning station /…

7 DLM2 Collect&Place Head HS-60 Service Manual
7.8 Replacing the turning station (00341780-03) 03/2003 US Issue
278
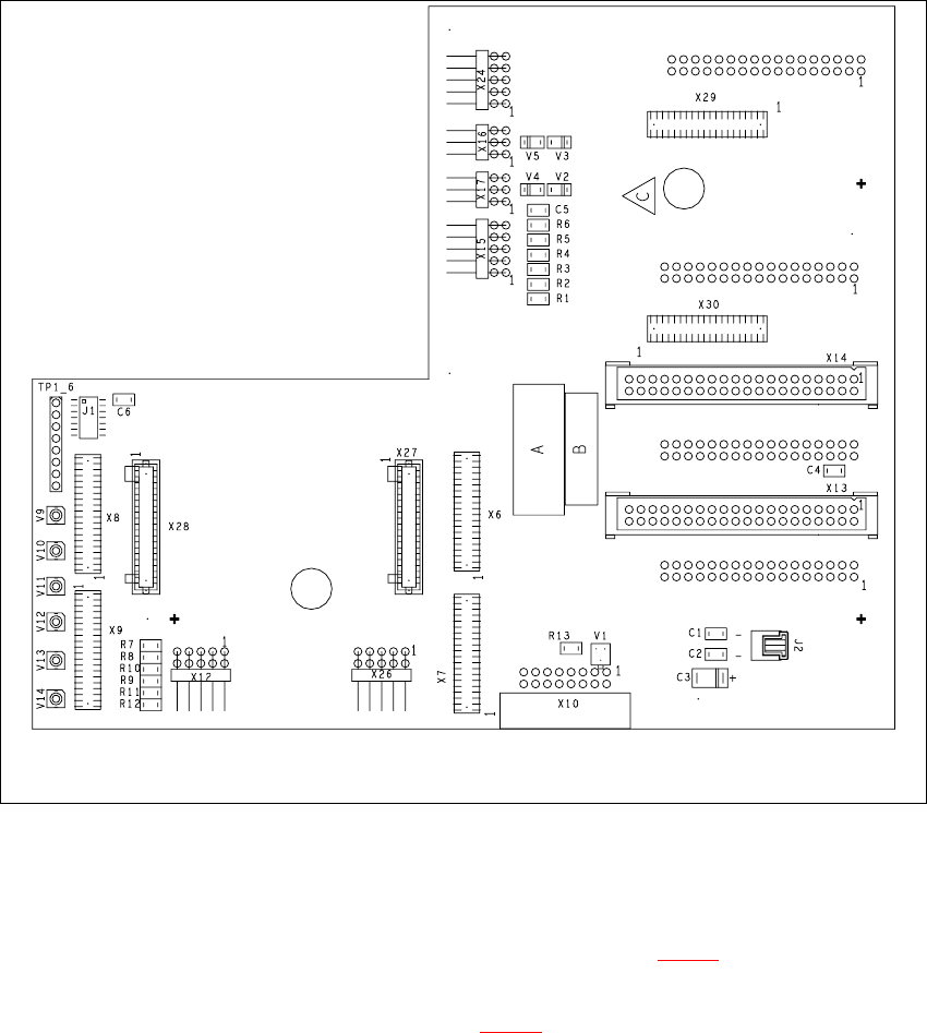
Fig. 7.8 - 1 Plug-in connections of the turning station on the head board
Æ Push the collect&place head until it reaches the stopper on the deflection roller of the X-axis
toothed belt.
Æ Undo the M3x25 hexagon socket-head screw (see item 2 in Fig. 7.8 - 2) on the rear panel of
the back part.
Æ Carefully pull the turning station (item 1 in Fig. 7.8 - 2) back and remove.

HS-60 Service Manual 7 DLM2 Collect&Place Head
03/2003 US Issue 7.8 Replacing the turning station (00341780-03)
279
Fig. 7.8 - 2 Turning station / DLM2
Key to Fig. 7.8 - 2
(1) Turning station / DLM2
(2) M3x25 hexagon socket-head screw
(3) Back part of the collect&place head
7.8.4 Fitting the turning station
Æ Make sure that the contact surfaces of the turning station and rear panel are clean.
Æ Insert the M3 x 25 hexagon socket-head screw (item 2 in Fig. 7.8 - 1) into the hole in the cen-
tering station.
Æ Run the cable between the vacuum hose and the vacuum generation socket.
Æ Place the holes in the turning station on the parallel pins.
Æ Carefully push the turning station towards the back part until it reaches the stop.
Æ Fix the turning station with the hexagon socket-head screw.

7 DLM2 Collect&Place Head HS-60 Service Manual
7.8 Replacing the turning station (00341780-03) 03/2003 US Issue
280
Æ Plug the cable into sockets X12 and X18 on the head board (see item X12 and X18 in Fig.
7.8 - 1
, page 278.
7.8.5 Settings
Æ Switch the placement system on and start it up.
Æ Use the SITEST program to run a function test.