Service Manual HS60 - 第295页
HS -60 Se rvic e Ma nual 7 DLM2 Co l lect&Plac e Head 03/ 2003 US Issu e 7.12 R epl acin g the to othe d bel t of t he Z- axis (003 3493 6-01) 293 7.12 R epl acing the t oothe d be lt of t he Z-a xis (00 33 493 6-01)…
7 DLM2 Collect&Place Head HS-60 Service Manual
7.11 Replacing light barrier ’Z-axis up’ (00347297-01) 03/2003 US Issue
292
7.11.5 Settings
Æ No settings are required.

HS-60 Service Manual 7 DLM2 Collect&Place Head
03/2003 US Issue 7.12 Replacing the toothed belt of the Z-axis (00334936-01)
293
7.12 Replacing the toothed belt of the Z-axis (00334936-01)
7.12.1 Tools and equipment
– Set of DIN 911 Allen keys
– TSM belt tension measuring device, item no. 00326015-01
– "Measuring belt tensions" instructions
7.12.2 Parts
Toothed belt T2 / DLM2, item no. 00334936-01 7
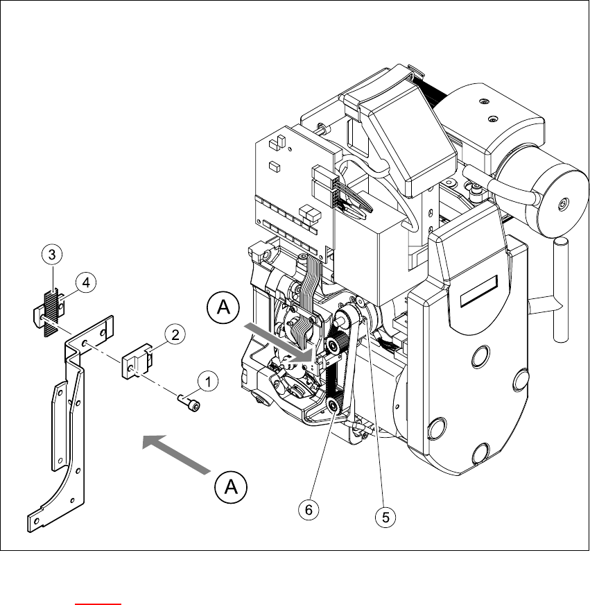
7.12.3 Dismantling the toothed belt T2 / DLM2
Æ Switch the placement system off and secure it to prevent switching on again as described in
Section 7.4
, page 261.
Æ Undo the two M2.5x 8 hexagon socket-head screws (see item 1 in Fig. 7.12 - 1).
Æ Remove the stop (see item 2) and the tension jack (see item 4 in Fig. 7.12 - 1).
Æ Undo the two M2.5x 12 hexagon socket-head screws (see item 3 in Fig. 7.12 - 2) on the motor
clamp fitting 2 (see item 4 in Fig. 7.12 - 2
).
Æ Undo the two M3x14 hexagon socket-head screws (see item 6 in Fig. 7.12 - 2) on the motor
clamp fitting (see item 5 in Fig. 7.12 - 2
).
Æ Loosen the four hexagon socket-head screws M3x 5 (see item 1 in Fig. 7.12 - 2).
Æ Remove the toothed belt.
7

7 DLM2 Collect&Place Head HS-60 Service Manual
7.12 Replacing the toothed belt of the Z-axis (00334936-01) 03/2003 US Issue
294
7
Fig. 7.12 - 1 Replacing the toothed belt for the Z-axis
Key to Fig. 7.12 - 1
(1) 2 x M2.5x8 hexagon socket-head screw
(2) Stop
(3) Toothed belt for the Z-axis
(4) Tension jack
(5) Z-axis drive
(6) 2 x deflection wheel / DLM2