SM411F_FN_TRM(Ver9.7_CS16.15) - 第124页
Page HANWHA TECHWIN 11 2 SM411F VME IO Board Interface CN 5 4P VM E I O BO A RD VM E I O BO A RD 6P CN 3 P 3 CN 2 S 2 5 20P CN 1 P 3 3 4 4 2 1 2 1 24G 24G + 24V CN 1 S + 24V 6 1 4 + 24V F_ FIX1 SIDE + 24V + 24V F_ FIX1 O…

Page
HANWHA TECHWIN
111
SM411F
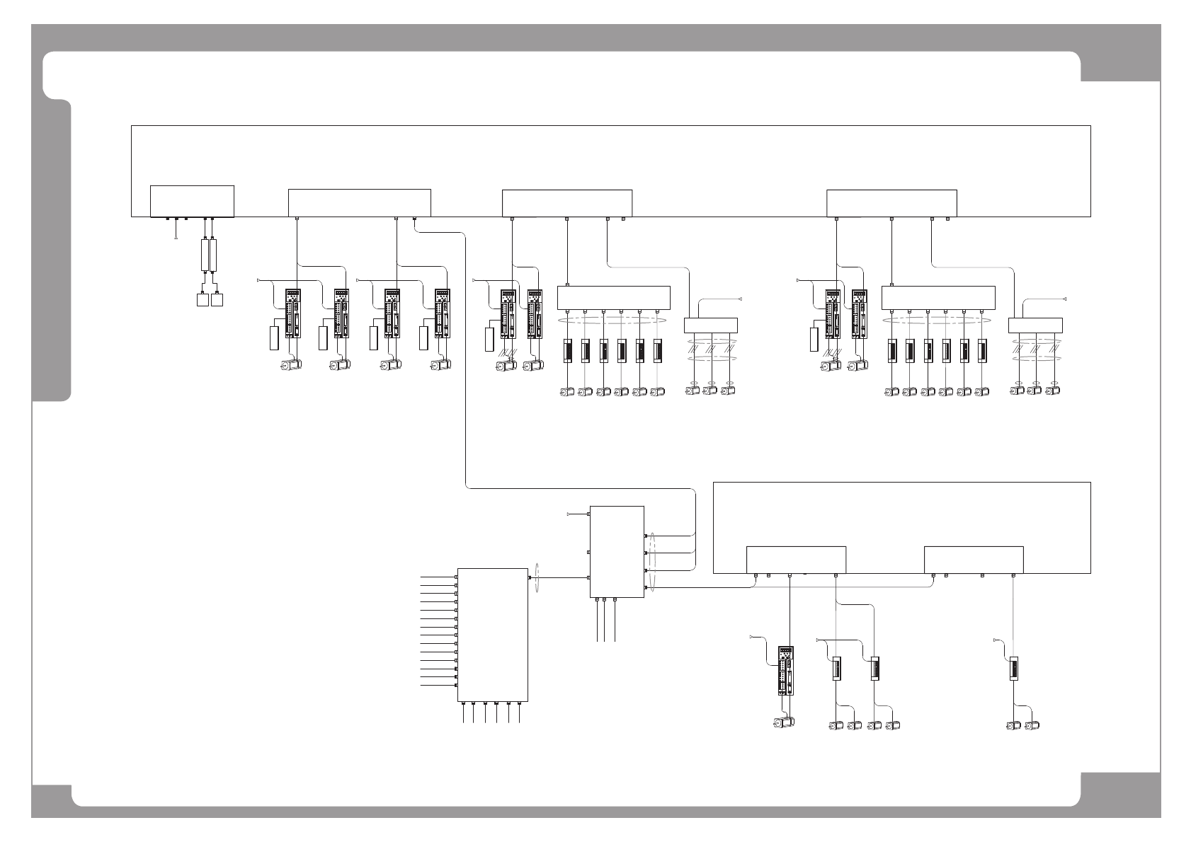
SM411F Wiring Diagram (2/2)
^W[ZuGzlklzGJXGivhyk^W[ZuGzlklzGJXGivhyk
OZW~POZW~P OZW~POZW~P OZW~POZW~P
O\W~PO\W~P
z~z~
O^\W~PO^\W~P
mm
wGhjGwGhjG
zl{zl{
tvkltvkl
wGhjGwGhjG
zl{zl{
tvkltvkl
RY[}wSY[nRY[}wSY[n
y\]y\]yZ[yZ[
Oz{lwwpunGtv{vyPOz{lwwpunGtv{vyP
yXYyXY
}tl}tl
^W[ZGul~G{~puGzly}vGiVkG^W[ZGul~G{~puGzly}vGiVkG
OXr~POXr~P
mYmY
OXr~POXr~P
mXmX
wGhjGwGhjG
zl{zl{
tvkltvkl
wGhjGwGhjG
zl{zl{
tvkltvkl
OXr~POXr~P
yYyY
OXr~POXr~P
yXyX
wGhjGwGhjG
zl{zl{
tvkltvkl
wGhjGwGhjG
zl{zl{
tvkltvkl
XX YY ZZ [[ \\ ]]
OZW~POZW~P OZW~POZW~P OZW~POZW~P
^W[ZuGzlklzGJYGivhyk^W[ZuGzlklzGJYGivhyk
OZW~POZW~P OZW~POZW~P OZW~POZW~P
O\W~PO\W~P
z~z~
O^\W~PO^\W~P
yy
wGhjGwGhjG
zl{zl{
tvkltvkl
wGhjGwGhjG
zl{zl{
tvkltvkl
RY[}wSY[nRY[}wSY[n
y\]y\]yZ[yZ[
Oz{lwwpunGtv{vyPOz{lwwpunGtv{vyP
yXYyXY
XX YY ZZ [[ \\ ]]
OZW~POZW~P OZW~POZW~P OZW~POZW~P
juXjuX juYjuY
juZjuZ
^W[ZzGJXGivhyk^W[ZzGJXGivhyk
}tl}tl
jiXjiX jiYjiY ~iX~iX ~iY~iY
juXjuX juYjuY
juZjuZ
^W[ZzGJYGivhyk^W[ZzGJYGivhyk
jiZjiZ ji[ji[
ju]ju]
juZjuZjuYjuY
juXXjuXX
juXjuX
ivhykivhyk
hpzGzluzvyhpzGzluzvy
RY[}SY[nRY[}SY[n
mVyGmllklyG|usvjrGzluzvymVyGmllklyG|usvjrGzluzvy
yXGovtlVRsptp{VTsptp{yXGovtlVRsptp{VTsptp{
mXGovtlVRsptp{VTsptp{mXGovtlVRsptp{VTsptp{
SM33_AX003SM33_AX003
SM33_AX004SM33_AX004
SM33-CS034-3SM33-CS034-3
SM33_AX001SM33_AX001
ju\ju\ ju\ju\
ju`ju`
juXWjuXW
juXYjuXY
F/R STOPPER UP/DN,BUTF/R STOPPER UP/DN,BUT
juX]juX]juX\juX\
juXjuX
zluzvyzluzvy
yGjvu}lvyyGjvu}lvy
ylhyGhujGzvsylhyGhujGzvs
myvu{GhujGzvsmyvu{GhujGzvs
jvuXjvuX
ju\ju\
ju[ju[
juYjuY
juZjuZ
ju[ju[
ju\ju\
ju]ju]
ju^ju^
ju_ju_
ju`ju`
juXWjuXW
juXXjuXX
juXYjuXY
juXZjuXZ
juX[juX[
juX_juX_
~vyrGz{vwwlyGzvs~vyrGz{vwwlyGzvs
juX`juX`
i|{Gzvsi|{Gzvs
juYWjuYWjuX^juX^
lknlGw|zolyGzvslknlGw|zolyGzvs
pmGivhykpmGivhyk
juXjuX juYjuY juZjuZ juju
SM33_MD001SM33_MD001
SM33_MD002SM33_MD002
SM33_MD013SM33_MD013
SM33_MD014SM33_MD014
FRONT SEDES SLAVE B/DFRONT SEDES SLAVE B/D
SM33_VM005SM33_VM005
R-STEPPING R-STEPPING
juXjuX
SM33_MD006SM33_MD006
SM33_VM003SM33_VM003
juZjuZ
juYjuY
SM33_VM004SM33_VM004
ju_ju_
juXXjuXX juXYjuXY juXXjuXX juXYjuXY juXXjuXX juXYjuXY
SM33_VM007SM33_VM007
SM33_VM009SM33_VM009
SM33_MD019SM33_MD019
SM33_MD020SM33_MD020
SM33_MD021SM33_MD021
SM33_MD022SM33_MD022
SM33_MD023SM33_MD023
SM33_MD024SM33_MD024
SM33_PW016SM33_PW016
SM33_MD027SM33_MD027
ylnlulyh{p}lylnlulyh{p}l
ylzpz{vyylzpz{vy
SM33_VM011SM33_VM011
SM33_MD017SM33_MD017
SM33_MD026SM33_MD026
SM33_MD033SM33_MD033 SM33_MD035SM33_MD035
SM33_MD034SM33_MD034
SM33_SC011SM33_SC011
juXjuX juYjuY juZjuZ juju
SM33_MD003SM33_MD003
SM33_MD004SM33_MD004
SM33_MD015SM33_MD015
SM33_MD016SM33_MD016
REAR SEDES SLAVE B/DREAR SEDES SLAVE B/D
SM33_VM006SM33_VM006
R-STEPPING R-STEPPING
ju_ju_
juXXjuXX juXYjuXY juXXjuXX juXYjuXY juXXjuXX juXYjuXY
SM33_VM008SM33_VM008
SM33_VM009SM33_VM009
SM33_MD019SM33_MD019
SM33_MD020SM33_MD020
SM33_MD021SM33_MD021
SM33_MD022SM33_MD022
SM33_MD023SM33_MD023
SM33_MD024SM33_MD024
SM33_PW017SM33_PW017
SM33_MD030SM33_MD030
ylnlulyh{p}lylnlulyh{p}l
ylzpz{vyylzpz{vy
SM33_VM012SM33_VM012
SM33_MD018SM33_MD018
SM33_MD026SM33_MD026
SM33_MD033SM33_MD033 SM33_MD035SM33_MD035
SM33_MD034SM33_MD034
SM33_SC011SM33_SC011
SM33_MD005SM33_MD005
SM33_MD008SM33_MD008
SM33_MD007SM33_MD007
SM33_MD010SM33_MD010
SM33_MD009SM33_MD009
SM33_MD012SM33_MD012
SM33_MD011SM33_MD011
SM33_MD028SM33_MD028
ylnlulyh{p}lylnlulyh{p}l
ylzpz{vyylzpz{vy
SM33_MD029SM33_MD029
ylnlulyh{p}lylnlulyh{p}l
ylzpz{vyylzpz{vy
SM33_MD031SM33_MD031
ylnlulyh{p}lylnlulyh{p}l
ylzpz{vyylzpz{vy
SM33_MD032SM33_MD032
ylnlulyh{p}lylnlulyh{p}l
ylzpz{vyylzpz{vy
SM33_PW018SM33_PW018 SM33_PW019SM33_PW019
SM41_MD014SM41_MD014
SM411F_PW001SM411F_PW001
SM411F_VM002SM411F_VM002
SM41_MD018SM41_MD018
SM41_MD013SM41_MD013
SM41_MD017SM41_MD017
SM41_MD015SM41_MD015
SM41_MD009SM41_MD009
SM41_MD016SM41_MD016
SM411F-PW001SM411F-PW001
SM411F-VM003SM411F-VM003
CONVEYOR HOME SENSORSCONVEYOR HOME SENSORS
SM33-CS035-1SM33-CS035-1
F/R Y1 H/+L/-LF/R Y1 H/+L/-L
CONVEYOR PCB SENSORCONVEYOR PCB SENSOR
F/R SOL SIGNALF/R SOL SIGNAL
to VME IO B/Dto VME IO B/D
CN6CN6
to CV IF B/D CN14to CV IF B/D CN14
SENSOR, SOL DATUMSENSOR, SOL DATUM
BOARD OUTBOARD OUT
PCB WORKPCB WORK
PCB WORJ OUTPCB WORJ OUT
PCB IN EXITPCB IN EXIT
PCB INPCB IN
CONVEYOR WIDTH HOMEHCONVEYOR WIDTH HOMEH
BUT UPBUT UP
STOPPER UPSTOPPER UP
STOPPER DNSTOPPER DN
SM33-CS036-1SM33-CS036-1
SM33-CS035-2SM33-CS035-2
SM411F_CS001SM411F_CS001
juYjuY
juZjuZ
ju\ju\
mpGslkJXmpGslkJX
mpGslkJYmpGslkJY
juXjuX
RY[}SY[nRY[}SY[n
SM411F_VI001SM411F_VI001
SM411F_VI002SM411F_VI002
SM411F_VI003SM411F_VI003
mpXGslkGpVmGiVkmpXGslkGpVmGiVk
mpYGslkGpVmGiVkmpYGslkGpVmGiVk
ju]ju]
ztZYXG}tlGpvGpssGivhykztZYXG}tlGpvGpssGivhyk
OXWW~POXWW~P
~k~k
wGhjGwGhjG
zl{zl{
tvkltvkl
SM411F_MD002SM411F_MD002
SM411F_MD001SM411F_MD001
SM411F_VM001SM411F_VM001
SM411F_PW002SM411F_PW002
SM41_MD008SM41_MD008 SM41_MD010SM41_MD010

Page
HANWHA TECHWIN
112
SM411F
VME IO Board Interface
CN5
4P
VME IO
BOARD
VME IO
BOARD
6P
CN3P
3
CN2S
2
5
20P
CN1P
33
4 4
2
1
2
1
24G
24G
+24V
CN1S
+24V
6
1
4
+24V
F_FIX1 SIDE
+24V
+24V
F_FIX1 OUTER
F_FIX1 INNER
6
3
2
5
4
1
CN4P
6P
CN3S
+2 4 V
+2 4 V
F_FIX2 INNER
F_FIX2 OUTER
F_FIX2 SIDE
+2 4 V
6
5
4
3
2
1
FROM SAFETY CO NTRO L B/ D CN26
SM411F_VI001SM411F_VI001
SM411F_VI002SM411F_VI002
SM411F_VI003SM411F_VI003
12
11
10
9
8
7
6
5
4
3
2
HD1-SOL
1
FRONT FLAT
CABLE
12
11
10
9
8
7
6
5
4
3
2
1
H1-VAC
H2-VAC
H3-VAC
H4-VAC
H5-VAC
H6-VAC
13
12
3
5
7
6
4
2
CN9S
20S
H6-BLOW
H4-BLOW
H5-BLOW
H3-BLOW
H2-BLOW
H1-BLOW
2
4
3
1
TO FIX1 LED I/F B/D JP1
TO FIX2 LED I/F B/D JP1
15
14
17
16
SM33_VI004SM33_VI004
3
2
5
6
1
4
3
2
5
6
1
4
3
2
5
6
1
4
13
12
3
5
7
6
4
2
15
14
17
16
17 17
16
15
16
15
14
13
14
13
12
7
12
7
6
5
6
5
H6-BLOW
SM33_VI005
12 12
H2-BLOW
H4-BLOW
H3-BLOW
H5-BLOW
H1-BLOW
H6-VAC
H4-VAC
H5-VAC
11
10
11
10
9
8
9
8
7
6
7
6
5
4
5
4
CN2P
20P
CN9S
3
4
3
4
2 2
20S
H2-VAC
H3-VAC
H1-VAC
HD2-SOL
3
2
3
2
1 1
REAR FLAT
CABLE
REAR EDG E PUSHER SOL
REAR WORK STOPPER SOL
FRONT FEEDER UNLOC K
B1B1
B9B9
B13 B13
B15 B15
B14 B14
B11 B11
B12 B12
B10 B10
BUT SOLBUT SOL
REAR ANC SOL
B5B5
B7B7
B8 B8
B6 B6
B3B3
B4 B4
B2 B2
A14 A14
A15 A15
A12
A13
A12
A13
A10
A11
A10
A11
A8
A9
A8
A9
REAR FEEDER UNLOCK
GND
GND
REAR SOLREAR SOL
A3A3
A6
A7
A6
A7
A4
A5
A4
A5
CN6
A1A1
A2 A2
PCB WORK OUT PCB WORK OUT
PCB IN EXITPCB IN EXIT
BOARD OUT BOARD OUT
B1B1
B9B9
B13B13
B15B15
B14 B14
B11B11
B12 B12
B10 B10
B5B5
B7B7
B8 B8
B6 B6
B3B3
B4 B4
B2 B2
AXIS SENSO R BO ARD
A14A14
A15 A15
A12
A13
A12
A13
A10
A11
A10
A11
A8
A9
A8
A9
A3 A3
A6
A7
A6
A7
A4
A5
A4
A5
A1 A1
A2 A2
CN10
SM33-CS035-2
SM33-CS035-1SM33-CS035-1
^6`
^4`
^5`
^7`
^8`
PCB WORK PCB WORK
PCB IN PCB IN
^9`
^:`

Page
HANWHA TECHWIN
113
SM411F
VME IO Board Interface
NO. PART NO. PART NAME Q'TY Old No. Stock Apply Reference
1 J90831096B HEAD1_VAC-BLOW_CTRL_CABLE_ASSY SM33-VI00 1 J90831096A
2 J90831097B HEAD2_VAC-BLOW_CTRL_CABLE_ASSY SM33-VI00 1 J90831097A
3 J90831767B VME_IO_BD_POWER_CABLE_ASSY 1
4 J90831288A AXIS_SENSOR_BD_DATA_CABLE_ASSY SM33-CS03 1
5 J90831289A AXIS_SENSOR_BD_STP-BUT_CABLE 1
6 J90831769C FRONT_FIX_ILL_IF_CABLE_ASSY 1 J90831769A /J90831769B
7 J90831772E REAR_FIX_ILL_IF_CABLE_ASSY 1 J90831772B /J90831772C