SM411F_FN_TRM(Ver9.7_CS16.15) - 第125页
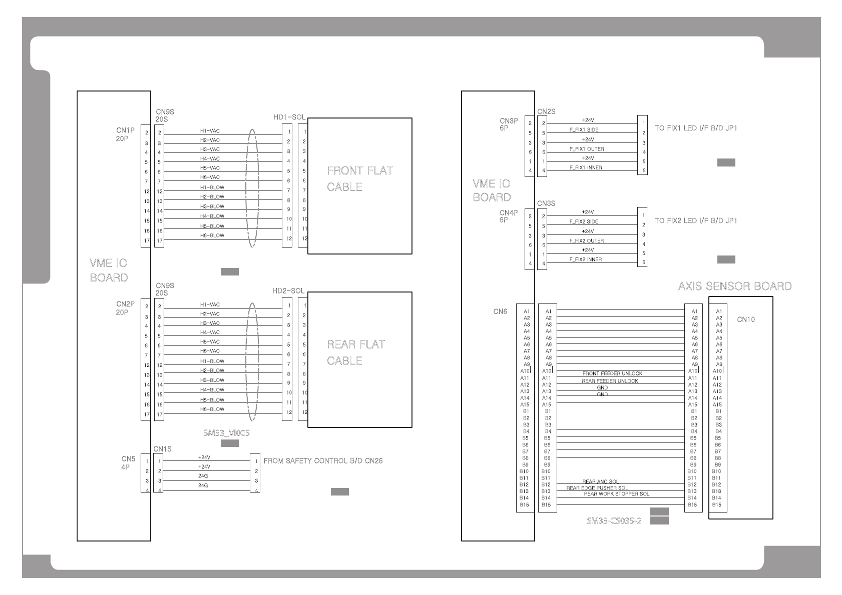
Page HANWHA TECHWIN 11 3 SM411F VME IO Board Interface NO. P ART NO . P A RT NAME Q'TY Old No. Stoc k Apply Reference 1 J90831096B HEAD1_V AC-BLOW_CT RL_CABLE_AS SY SM33-VI00 1 J90831096A 2 J90831097B HEAD2_V AC-BLO…

Page
HANWHA TECHWIN
112
SM411F
VME IO Board Interface
CN5
4P
VME IO
BOARD
VME IO
BOARD
6P
CN3P
3
CN2S
2
5
20P
CN1P
33
4 4
2
1
2
1
24G
24G
+24V
CN1S
+24V
6
1
4
+24V
F_FIX1 SIDE
+24V
+24V
F_FIX1 OUTER
F_FIX1 INNER
6
3
2
5
4
1
CN4P
6P
CN3S
+2 4 V
+2 4 V
F_FIX2 INNER
F_FIX2 OUTER
F_FIX2 SIDE
+2 4 V
6
5
4
3
2
1
FROM SAFETY CO NTRO L B/ D CN26
SM411F_VI001SM411F_VI001
SM411F_VI002SM411F_VI002
SM411F_VI003SM411F_VI003
12
11
10
9
8
7
6
5
4
3
2
HD1-SOL
1
FRONT FLAT
CABLE
12
11
10
9
8
7
6
5
4
3
2
1
H1-VAC
H2-VAC
H3-VAC
H4-VAC
H5-VAC
H6-VAC
13
12
3
5
7
6
4
2
CN9S
20S
H6-BLOW
H4-BLOW
H5-BLOW
H3-BLOW
H2-BLOW
H1-BLOW
2
4
3
1
TO FIX1 LED I/F B/D JP1
TO FIX2 LED I/F B/D JP1
15
14
17
16
SM33_VI004SM33_VI004
3
2
5
6
1
4
3
2
5
6
1
4
3
2
5
6
1
4
13
12
3
5
7
6
4
2
15
14
17
16
17 17
16
15
16
15
14
13
14
13
12
7
12
7
6
5
6
5
H6-BLOW
SM33_VI005
12 12
H2-BLOW
H4-BLOW
H3-BLOW
H5-BLOW
H1-BLOW
H6-VAC
H4-VAC
H5-VAC
11
10
11
10
9
8
9
8
7
6
7
6
5
4
5
4
CN2P
20P
CN9S
3
4
3
4
2 2
20S
H2-VAC
H3-VAC
H1-VAC
HD2-SOL
3
2
3
2
1 1
REAR FLAT
CABLE
REAR EDG E PUSHER SOL
REAR WORK STOPPER SOL
FRONT FEEDER UNLOC K
B1B1
B9B9
B13 B13
B15 B15
B14 B14
B11 B11
B12 B12
B10 B10
BUT SOLBUT SOL
REAR ANC SOL
B5B5
B7B7
B8 B8
B6 B6
B3B3
B4 B4
B2 B2
A14 A14
A15 A15
A12
A13
A12
A13
A10
A11
A10
A11
A8
A9
A8
A9
REAR FEEDER UNLOCK
GND
GND
REAR SOLREAR SOL
A3A3
A6
A7
A6
A7
A4
A5
A4
A5
CN6
A1A1
A2 A2
PCB WORK OUT PCB WORK OUT
PCB IN EXITPCB IN EXIT
BOARD OUT BOARD OUT
B1B1
B9B9
B13B13
B15B15
B14 B14
B11B11
B12 B12
B10 B10
B5B5
B7B7
B8 B8
B6 B6
B3B3
B4 B4
B2 B2
AXIS SENSO R BO ARD
A14A14
A15 A15
A12
A13
A12
A13
A10
A11
A10
A11
A8
A9
A8
A9
A3 A3
A6
A7
A6
A7
A4
A5
A4
A5
A1 A1
A2 A2
CN10
SM33-CS035-2
SM33-CS035-1SM33-CS035-1
^6`
^4`
^5`
^7`
^8`
PCB WORK PCB WORK
PCB IN PCB IN
^9`
^:`

Page
HANWHA TECHWIN
113
SM411F
VME IO Board Interface
NO. PART NO. PART NAME Q'TY Old No. Stock Apply Reference
1 J90831096B HEAD1_VAC-BLOW_CTRL_CABLE_ASSY SM33-VI00 1 J90831096A
2 J90831097B HEAD2_VAC-BLOW_CTRL_CABLE_ASSY SM33-VI00 1 J90831097A
3 J90831767B VME_IO_BD_POWER_CABLE_ASSY 1
4 J90831288A AXIS_SENSOR_BD_DATA_CABLE_ASSY SM33-CS03 1
5 J90831289A AXIS_SENSOR_BD_STP-BUT_CABLE 1
6 J90831769C FRONT_FIX_ILL_IF_CABLE_ASSY 1 J90831769A /J90831769B
7 J90831772E REAR_FIX_ILL_IF_CABLE_ASSY 1 J90831772B /J90831772C

Page
HANWHA TECHWIN
114
SM411F
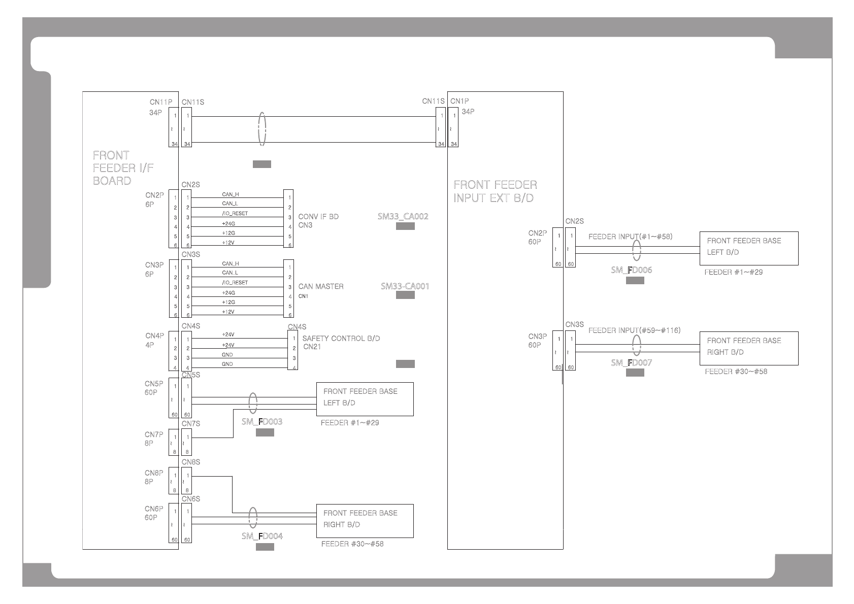
Front Feeder Board Interface
CN11P
34P
FRONT
FEEDER I/F
BOARD
FRONT FEEDER
INPUT EXT B/D
+24V
GND
GND
+24V
/IO_RESET
+24G
+12G
+12V
CAN_H
CAN_L
CAN_H
CAN_L
/IO_RESET
+24G
+12G
+12V
4
5
6
4
5
6
4P
CN4P
6P
CN3P
4
5
6
4
5
6
11
60
~
60
CN5S
2
2
3
3
CN3S
1
1
6P
CN2P
3
3
CN2S
1
2
1
2
4
5
6
3
4
5
6
2
1
CAN MASTER
CN1
3
2
1
CONV IF BD
CN3
SM41_FD001SM41_FD001
SM 3 3 - CA 0 0 1
SM33_CA002
CN5P
60P
CN4S
4
3
2
1
S AF E TY C O N TR O L B / D
CN21
~
~
8
CN7P
8P
1
~
8
1
CN7S
4
1
4
1
CN4S
2 2
3 3
11
60
60P
~
60
~
CN6P
CN6S
FRONT FEEDER BASE
LEFT B/ D
FRONT FEEDER BASE
RIGHT B/D
FEEDER #1~#29
FEEDER #30~ #58
SM_FD003
SM_FD004
11
34
~
34
~
CN11S
1 1
34
~
34
~
CN1PCN11S
34P
60 60
1
60P
~
CN3P
1
~
CN3S
11
60
60P
~
60
~
CN2P
CN2S
FEEDER #30~ #58
RIGHT B/D
FRONT FEEDER BASE
SM_FD007
FEEDER #1~#29
FRONT FEEDER BASE
LEFT B/ D
SM_FD006
FEEDER INPUT(#1~ #58)
FEEDER INPUT(#59~#116)
~
~
8 8
CN8P
8P
1
CN8S
1
^8`
^9`
^4`
^:`
^;`
^6`
^5`
^7`