SM411F_FN_TRM(Ver9.7_CS16.15) - 第137页
Page HANWHA TECHWIN 125 SM411F Conveyor Board Interface (4/5) NO. P ART NO. P ART NAME Q'TY Old No. St oc k Apply Reference 1 J 90831 146B SMEMA_CABLE_ASSY SM33-CV024 1 J90831 146A 2 J 90831 133C I NLINE_IN-OUT_CABL…

Page
HANWHA TECHWIN
124
SM411F
Conveyor Board Interface (4/5)
INLINE BEFORE
INLINE AFTER
6P
CN24P
6
4
4
6
2
5
3 3
2
5
CN24S
1
6
1
6
6P
CN23P
2
5
4
2
5
4
CN23S
3
1
3
1
6P
CN21P
4
6
6
4
3
5
2
5
2
3
CN21S
1 1
6
6
CONVEYOR
I/ F BO ARD
CN20P
6P
2
5
4
2
5
4
CN20S
3
1
3
1
3
4
2
1
2
1
3
4 4
2
1
3
2
3
4
1
3
4
2
1
3
4
2
1
6
5
4
3
2
1
CN28S
33
CN28P
3P
2
1
2
1
5
6
4
6
5
4
MVME3100 B/D
RXD
TXD
GND
3
6
8
7
5
4
2
1
6
5
4
3
2
1
CONVEYOR
I/ F BO ARD
CN27S
CN26S
CN27P
6P
2
3
1 1
2
3
5
6
6
5
CN26P
6P
2
3
4
2
3
4
1 1
BUSY INPUT
AVAILAB LE INPUT
3
1
2
44
3
1
2
RECEIVER
FRONT ARER
SENSOR
+24V
FASEN
24G
3
1
22
3
1
+24V
24G
FRONT AREA
SENSOR
EMMITER
FASEN
SYNC
SYNC
+24V
24G
+24V
24G
3
1
2
3
1
2
4
2
33
24G
+24V
2
3
1
24G
4
3
2
5
2
5
4
6
6
4
RASEN
+24V
1
11
CN22S
CN22P
6P
REAR ARER
SENSOR
SYNC
SYNC
+24V
24G
24G
EMMITER
REAR AREA
SENSOR
RECEIVER
+24V
RASEN
1
3
1
3
CN12S
4
5
2
4
5
2
CN12P
6P
6
6
OPTION!
SM33_CV021
CN-FDOCK2
CN-FDOCK1
24G
FDO CK2
+24V
24G
FDO CK1
+24V
3
2
2
3
1
2
1
3
3
2
11
EE-SPY312
EE-SPY312
FRONT DOCKING
SENSOR 2
FRONT DOCKING
SENSOR 1
CN-RDOCK1
CN-RDOCK2
RDOCK2
RDOCK1
+24V
24G
+24V
24G
EE-SPY312
EE-SPY312
REAR DOCKING
SENSOR 2
REAR DOCKING
SENSOR 1
1 1
2
3
3
1
2
1
3
2
2
3
DOCKING CART OPTION
SM33_CV006
SM 3 3 _ CV0 2 4
SM33_CV015
SM33_CV016
SM33_CV017
SM33_CV018
SM33_CV019
SM33_CV020
2
1 1
2
HEAD1 AIR SO L VALVE
HEAD 1 AIR S O L
+24V
SM33-CV027-1
SM33-CV027-2
PMC-3 PORT
2
1 1
2
HEAD 2 AIR S O L
+24V
HEAD2 AIR SO L VALVE
TEACHING BOX CABLE
6P
CN26P
6P
CN27P
CN9
CN8
1
2
3
4
6
5
1
2
3
6
5
4
^:`
^;`
^6`
^7`
^8`
^78`
^9`
^5`
^<`
^4`
^43`
^44`

Page
HANWHA TECHWIN
125
SM411F
Conveyor Board Interface (4/5)
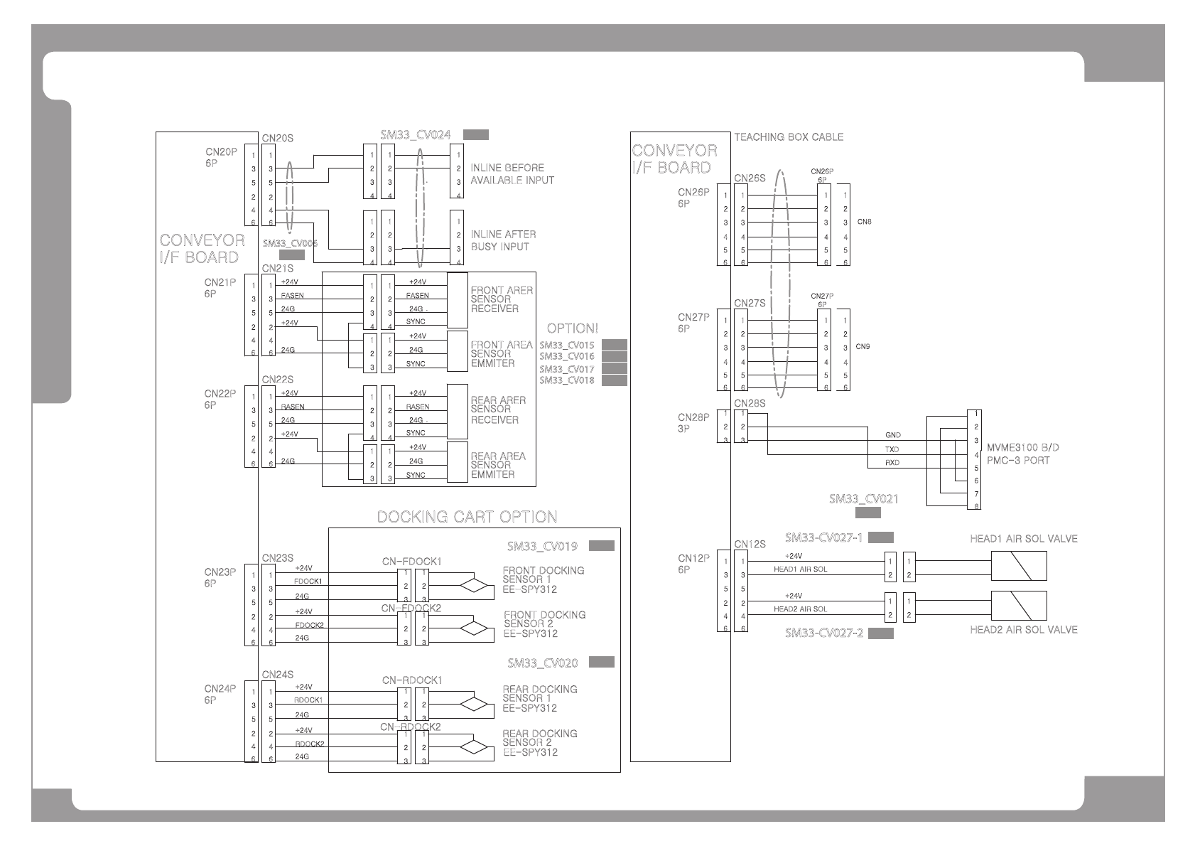
NO. PART NO. PART NAME Q'TY Old No. Stock Apply Reference
1 J90831146B SMEMA_CABLE_ASSY SM33-CV024 1 J90831146A
2 J90831133C INLINE_IN-OUT_CABLE_ASSY 1 J90831133B
3 J90831138C FRONT_AREA_SENSOR_EXT_CABLE_ASSY SM33-CV 1 J90831138A
4 J90831139A FRONT_AREA_SENSOR_CABLE_ASSY SM33-CV016 1
5 J90831140B REAR_AREA_SENSOR_EXT_CABLE_ASSY SM33-CV0 1 J90831140A
6 J90831141A REAR_AREA_SENSOR_CABLE_ASSY SM33-CV018 1
7 J90831142A F_DOCKING_CART_SNS_CABLE_ASSY SM33-CV019 1
8 J90831143A R_DOCKING_CART_SNS_CABLE_ASSY SM33-CV020 1
9 J90831144C SERIAL_COMM_CABLE_ASSY 1 J90831144B
10 J90831263E HEAD1_AIR_SOL_PWR_CABLE_ASSY SM411-CV027-1 1
11 J90831264C HEAD2_AIR_SOL_PWR_CABLE_ASSY SM411-CV027-2 1

Page
HANWHA TECHWIN
126
SM411F
Conveyor Board Interface (5/5)
2222
2424
2222
2424
2424
2222
2424
2222
1515
1717
1212
1313
88
1111
1010
1515
1717
1212
1313
88
1111
1010
2323
2121
2020
2323
2121
2020
1616
1818
1919
1616
1818
1919
14141414
CONVEYORCONVEYOR
I/F BOARDI/F BOARD
24P24P
CN15PCN15P
99
77
66
44
33
55
22
11
99
77
66
44
33
55
22
11
CN15SCN15S
CONVEYORCONVEYOR
I/F BOARDI/F BOARD
11 11
1515
1717
1212
1313
88
1111
1010
1515
1717
1212
1313
88
1111
1010
2323
2121
2323
2020
2121
2020
1818
1616
1919
1818
1616
1919
1414 1414
22
33
33
11
22
11
33
22
22
33
CN16SCN16S
99
77
66
44
33
55
22
11
99
77
66
44
33
55
22
11
24P24P
CN16PCN16P
FRONT ANC CLOSE SENSORFRONT ANC CLOSE SENSOR
FRONT ANC OPEN SENSORFRONT ANC OPEN SENSOR
+24V+24V
FRONT ANC CLFRONT ANC CL
24G24G
+24V+24V
FRONT ANC OPFRONT ANC OP
24G24G
FA-CLFA-CL
FA-OPFA-OP
ZC153A2ZC153A2
ZC153A2ZC153A2
SM411F-CV009-1SM411F-CV009-1
RA-OPRA-OP
RA-CLRA-CL
24G24G
REAR ANC OPREAR ANC OP
+24V+24V
24G24G
REAR ANC CLREAR ANC CL
+24V+24V
ZC153A2ZC153A2
ZC153A2ZC153A2
REAR ANC OPEN SENSORREAR ANC OPEN SENSOR
REAR ANC CLOSE SENSORREAR ANC CLOSE SENSOR
33
22
22
33
11
22
11
33
33
22
1111
SM_CV010SM_CV010
RA-CLRA-CL
FA-CLFA-CL
RA-OPRA-OP
FA-OPFA-OP
SM411F-CV003SM411F-CV003
^4` ^6`
^5`
SM411F_CV003
^7`