SM411F_FN_TRM(Ver9.7_CS16.15) - 第139页
Page HANWHA TECHWIN 127 SM411F Conveyor Board Interface (5/5) NO. P ART NO. P ART NAME Q'TY Old No. St oc k Apply Reference 1 J91671589B ANC_SENSOR_FRONT _EXT_CABLE_ASSY SM 33-CV0 1 2 J 90831777C ANC_SENSOR_REA R_EX…

Page
HANWHA TECHWIN
126
SM411F
Conveyor Board Interface (5/5)
2222
2424
2222
2424
2424
2222
2424
2222
1515
1717
1212
1313
88
1111
1010
1515
1717
1212
1313
88
1111
1010
2323
2121
2020
2323
2121
2020
1616
1818
1919
1616
1818
1919
14141414
CONVEYORCONVEYOR
I/F BOARDI/F BOARD
24P24P
CN15PCN15P
99
77
66
44
33
55
22
11
99
77
66
44
33
55
22
11
CN15SCN15S
CONVEYORCONVEYOR
I/F BOARDI/F BOARD
11 11
1515
1717
1212
1313
88
1111
1010
1515
1717
1212
1313
88
1111
1010
2323
2121
2323
2020
2121
2020
1818
1616
1919
1818
1616
1919
1414 1414
22
33
33
11
22
11
33
22
22
33
CN16SCN16S
99
77
66
44
33
55
22
11
99
77
66
44
33
55
22
11
24P24P
CN16PCN16P
FRONT ANC CLOSE SENSORFRONT ANC CLOSE SENSOR
FRONT ANC OPEN SENSORFRONT ANC OPEN SENSOR
+24V+24V
FRONT ANC CLFRONT ANC CL
24G24G
+24V+24V
FRONT ANC OPFRONT ANC OP
24G24G
FA-CLFA-CL
FA-OPFA-OP
ZC153A2ZC153A2
ZC153A2ZC153A2
SM411F-CV009-1SM411F-CV009-1
RA-OPRA-OP
RA-CLRA-CL
24G24G
REAR ANC OPREAR ANC OP
+24V+24V
24G24G
REAR ANC CLREAR ANC CL
+24V+24V
ZC153A2ZC153A2
ZC153A2ZC153A2
REAR ANC OPEN SENSORREAR ANC OPEN SENSOR
REAR ANC CLOSE SENSORREAR ANC CLOSE SENSOR
33
22
22
33
11
22
11
33
33
22
1111
SM_CV010SM_CV010
RA-CLRA-CL
FA-CLFA-CL
RA-OPRA-OP
FA-OPFA-OP
SM411F-CV003SM411F-CV003
^4` ^6`
^5`
SM411F_CV003
^7`

Page
HANWHA TECHWIN
127
SM411F
Conveyor Board Interface (5/5)
NO. PART NO. PART NAME Q'TY Old No. Stock Apply Reference
1 J91671589B ANC_SENSOR_FRONT_EXT_CABLE_ASSY SM33-CV0 1
2 J90831777C ANC_SENSOR_REAR_EXT_CABLE_ASSY SM33-CV00 1
3 J9080778B ANC_SENSOR_CABLE_ASSY SM-CV010 1
4 J90831777C ANC_SENSOR_REAR_EXT_CABLE_ASSY 1

Page
HANWHA TECHWIN
128
SM411F
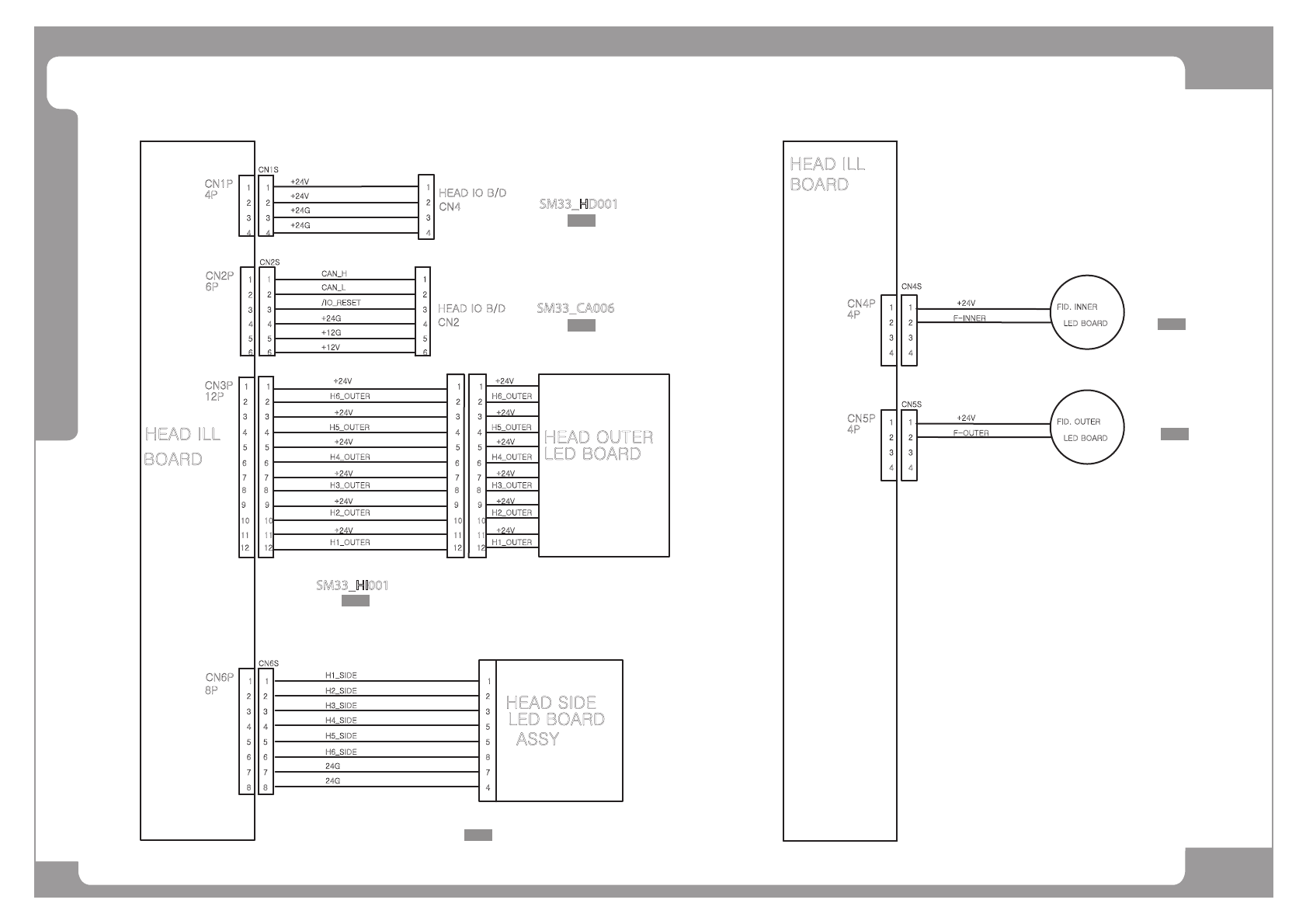
Head Illumination Board Interface
HEAD ILL
BOARD
/IO_RESET
+24G
+12G
+12V
CAN_H
CAN_L
4P
CN1P
6P
CN2P
4
5
6
4
5
6
11
3
4
2
3
4
2
CN1S
2
2
3
3
CN2S
1
1
3
4
5
6
2
1
HEAD IO B/D
CN2
SM33_CA006
+24V
+24G
+24G
+24V
4
3
2
1
HEAD IO B/D
CN4
CN3P
12P
CN4P
4P
4
3
4
3
2
1
2
1
CN4S
8
7
CN6P
HEAD ILL
BOARD
8P
2
4
6
5
3
CN6S
1
55
8 8
7
6 6
7
11
33
4 4
2 2
LED BO ARD
HEAD OUTER
LED BO ARD
HEAD SIDE
SM33_HI001
SM33_HD001
9
12
10
11
+24V
+24V
+24V
+24V
+24V
+24V
H6_OUTER
H5_OUTER
H4_OUTER
H3_OUTER
H2_OUTER
H1_OUTER
9
12
10
11
55
8 8
7
6 6
7
11
33
4 4
2 2
9
12
10
11
9
12
10
11
+24V
+24V
+24V
+24V
+24V
+24V
H6_OUTER
H5_OUTER
H4_OUTER
H3_OUTER
H2_OUTER
H1_OUTER
8
7
2
4
6
5
3
1
ASSY
H1_SIDE
H2_SIDE
H3_SIDE
H4_SIDE
H5_SIDE
H6_SIDE
24G
24G
4
7
2
5
8
5
3
1
J90601013AJ90601013A
LED BOARD
FID. INNER
+24V
F-INNER
CN5P
4P
4
3
4
3
2
1
2
1
CN5S
LED BOARD
FID. O UTER
+24V
F-OUTER
AM03-010105AAM03-010105A
J90600403CJ90600403C
[2]
[1]
[3]
[4]
[5]
[6]