SM411F_FN_TRM(Ver9.7_CS16.15) - 第175页
Page HANWHA TECHWIN 163 SM411F Electric Circuit Diagram (2/6) 2 4 6 1 3 5 1 4 5 6 2 3 2 1 2 6 4 3 2 1 1 3 5 4 4 3 2 4 1 3 6 5 2 1 4 3 (SM33_PW005) (SM33_PW004) 2. 5 m m 2. 5 m m -M A I N S / W ( 600V A C , 20A ) L3 2 L3 …

Page
HANWHA TECHWIN
162
SM411F
Electric Circuit Diagram (1/6)
ZZXX YY
[[ \\ ]]
ڃڼڄڃڼڄ
OPOP
OPOP
OPOP
OPOP
ڃڽڄڃڽڄ
G
RA
P
H
I
C
SY
M
B
OL
TltzV~TltzV~
TtjTtj
TyTy
jvpsGwhy{jvpsGwhy{
z~p{jopunGwhy{z~p{jopunGwhy{
ylshylsh
z~p{jopunGwhy{z~p{jopunGwhy{
thnul{pjGjvu{hj{thnul{pjGjvu{hj{
thnul{Gjvu{hj{thnul{Gjvu{hj{
ylshylsh
jvpsGwhy{jvpsGwhy{
z~p{joGshtwz~p{joGshtw
ZGwohzlGtv{vyZGwohzlGtv{vy
TtTt
slkG{wlslkG{wl
z~p{joz~p{jo
kvvyGpu{lysvjrkvvyGpu{lysvjr
z~p{joz~p{jo
TkzV~TkzV~
TshtwTshtw
TumTum
ITE
M
TtjjiTtjji
SY
M
B
OL
TjwTjw
TzjTzj
zGGtGiGvGsGGGsGpGzG{zGGtGiGvGsGGGsGpGzG{
G
RA
P
H
I
C
SY
M
B
OL
uvpzlGmps{lyuvpzlGmps{ly
wv~lyGjvuzlu{wv~lyGjvuzlu{
jpyj|p{Giylhrlyjpyj|p{Giylhrly
jpyj|p{Gwyv{lj{vyjpyj|p{Gwyv{lj{vy
ltlynlujltlynluj
jvvspunGmhujvvspunGmhu
zwhyrGrpsslyGOXwoPzwhyrGrpsslyGOXwoP
TmhuTmhu
TzrTzr
O|zlGmvyGhjPO|zlGmvyGhjP
{lytpuhsGisvjr{lytpuhsGisvjr
zwhyrGrpsslyGOZwoPzwhyrGrpsslyGOZwoP
TtTt
T{iT{i
G
RA
P
H
I
C
SY
M
B
OL
D
ES
CR
IPTIO
ND
ES
CR
IPTIO
N
SY
M
B
OL
ITE
M
D
ES
CR
IPTIO
N
Tm|zlTm|zl
TzkTzk
m|zlm|zl
zly}vGkyp}lyzly}vGkyp}ly
jvu{hj{jvu{hj{
O{olythsPO{olythsP
myhtlGlhy{omyhtlGlhy{o
wlwl
OnlulyhsPOnlulyhsP
jvu{hj{jvu{hj{
Ojpyj|p{GiylhrlyPOjpyj|p{GiylhrlyP
Ojpyj|p{Gwyv{lj{vyPOjpyj|p{Gwyv{lj{vyP
jvu{hj{jvu{hj{
SY
M
B
OL
ITE
M
D
ES
CR
IPTIO
N
G
RA
P
H
I
C
SY
M
B
OL
SY
M
B
OL
ITE
M
YThpzGkyp}lyYThpzGkyp}ly
Z¥Z¥
tt
YYYY
XYXY
YXYX
XXXX
YYYY
XYXY
YXYX
XXXX
}}||
~~ ll
sZsZsXsXsYsY

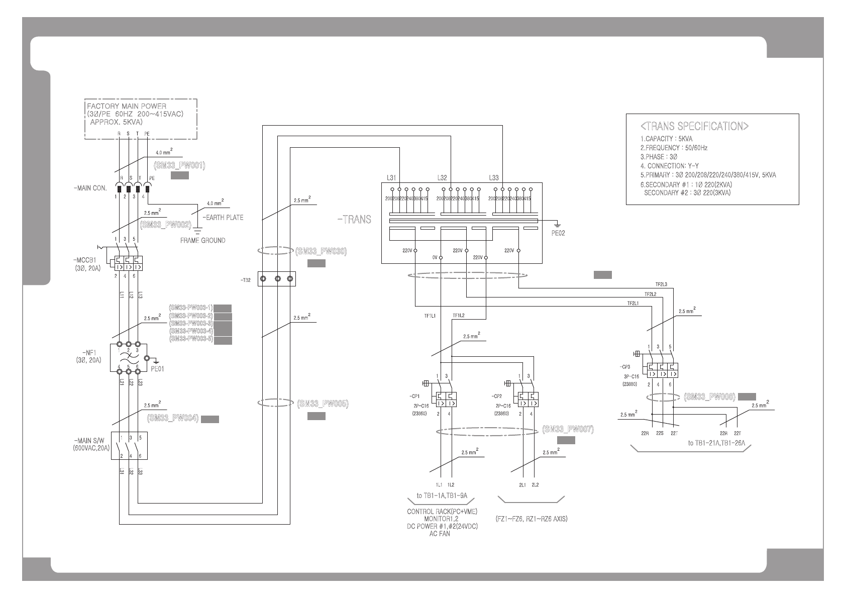
Page
HANWHA TECHWIN
163
SM411F
Electric Circuit Diagram (2/6)
2 4 6
1 3 5
1
4 5 6
2 3
2
1
2 64
321
1 3 5
4
4
3
2 4
1 3
6
5
2
1
4
3
(SM33_PW005)
(SM33_PW004)
2.5 mm
2.5 mm
-M AI N S / W
(600VAC,20A)
L32
L33
L31
-N F 1
(3Ø, 20A)
L22
L21
L23
2P-C16
-C P 1
(SM33-PW003-1)
(SM33_PW002)
(SM33_PW001)
2.5 mm
FACTORY MAIN POWER
4.0 mm
2.5 mm
(3Ø/PE 60HZ 200~415VAC)
-MCCB1
(3Ø, 20A)
L13
L12
L11
-MAIN CON.
TR S
APPROX. 5KVA)
T
SR
-E AR TH P L ATE
FRAME GROUND
PE
PE
to TB1-1A,TB1-9A
1L1
1L2
22S
22R
(SM33_PW008)
22T
3P-C16
-C P 3
TF 2 L 1
TF 2 L 2
TF 2 L 3
2.5 mm
to MC1
to MC1
6. SECONDARY #1 : 1Ø 220(2KVA)
SECONDARY #2 : 3Ø 220(3KVA)
2.FREQUENCY : 50/60Hz
1.CAPACITY : 5KVA
3.PHASE : 3Ø
4. CO NNECTION: Y-Y
<TRANS SPECIFICATION>
5.PRIMARY : 3Ø 200/208/220/240/380/415V, 5KVA
(23860)
(23880)
FX, FX, RX, FY1, FY2, RY1, RY2, FS, RS, WD AXIS(SERVO)
FX, FX, RX, FY1, FY2, RY1, RY2, FS, RS, WD AXIS(SERVO)
(FZ1~FZ6, RZ1~RZ6 AXIS)
to TB1-21A,TB1-26A
22R 22T
CONTROL RACK(PC+VME)
MONITO R1,2
DC POWER #1, #2(24VDC)
AC FAN
-TB 2
(SM33_PW030)
2.5 mm
TF 1 L 1
4.0 mm
TF 1 L 2
2.5 mm
(SM33_PW006)
(SM33_PW006)
2L1
2L2
2.5 mm
2.5 mm
2.5 mm
(SM33_PW007)
2P-C16
-C P 2
(23860)
2.5 mm
2
2
PE01
2
2
2
2
2
2
2
2
2
2 2
240
-TR AN S
220V
208200 220
L31
220V 220V
0V 220V
200220415380 200208
380
240 415
L32
415208220 380240
L33
PE02
(SM33-PW003-2)
(SM33-PW003-3)
(SM33-PW003-4)
(SM33-PW003-5)
[10]
[9]
[11]
[12]
[3]
[5]
[6]
[1]
[7]
[2]
[4]
[8]

Page
HANWHA TECHWIN
164
SM411F
Electric Circuit Diagram (2/6)
NO. PART NO. PART NAME Q'TY Old No. Stock Apply Reference
1 J90831063A MAIN_POWER_CABLE_ASSY SM33-PW001 1
2 J90831252A REAR_ELEC_PANEL_EARTH_CABLE_ASSY SM33-PW 1
3 J90831253C MCCB_NF1_EARTH_CABLE_ASSY
4 J90831254A EARTH_HEAD1_CABLE_ASSY SM33-PW003-3 1
5 J90831255C EARTH_HEAD2_CABLE_ASSY 1 J90831255B
6 J90831456A X_AXIS_HEAD_EARTH_CABLE_ASSY SM33-PW003- 2
7 J90831066D NF1_MAIN_SWITCH_CABLE_ASSY 1
8 J90831092B TRANSFORMER_INPUT_EXT_CABLE_ASSY 1 J90831092A
9 AM03-013512A MAIN_SWITCH_TB2_CABLE_ASSY SM33-PW005 1 J90831067A /AM03-900132
10 AM03-001211B CABLE ASSY-TRANS_CP1,2,3 CABLE ASSY 1 J90831068A SM33_PW006
11 J90831069C CP1_TB1_MC1_CABLE_ASSY 1 J90831069B
12 J90831070C CP2_TB1_MC2_CABLE_ASSY 1 J90831070B