SM411F_FN_TRM(Ver9.7_CS16.15) - 第29页
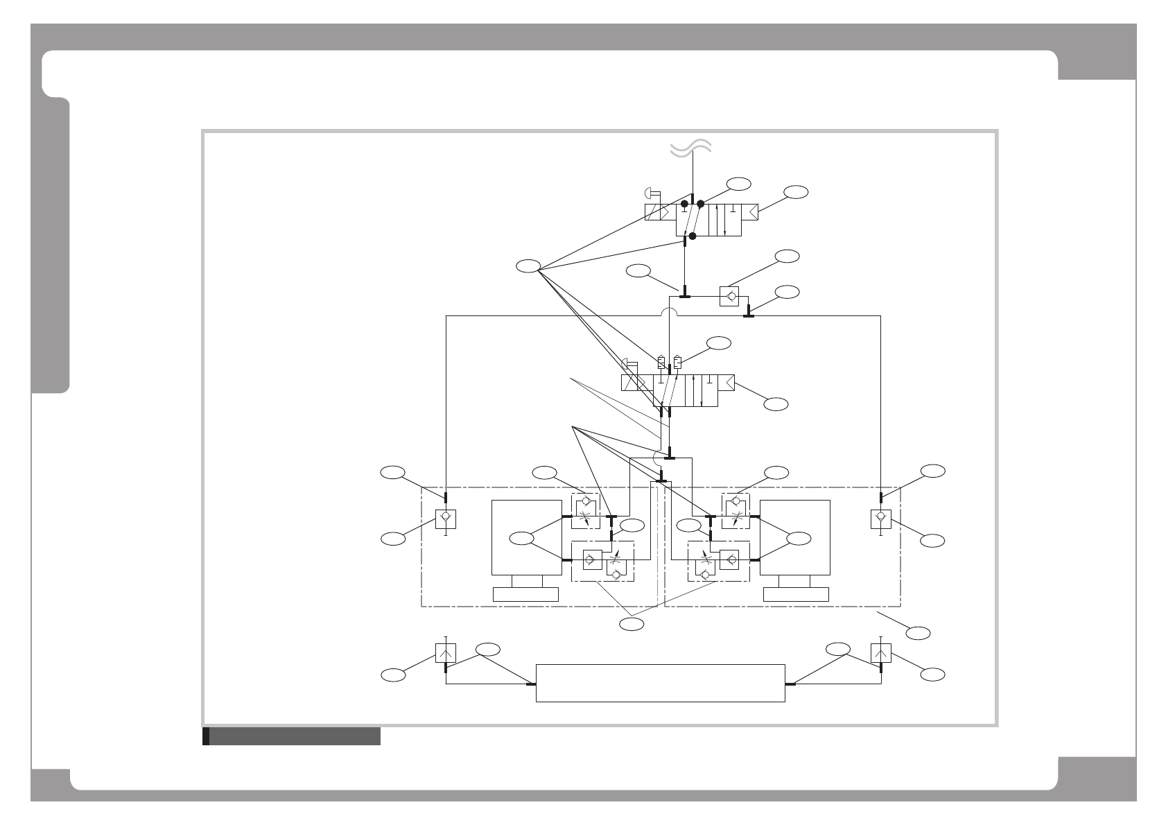
Page HANWHA TECHWIN 17 SM411F Feeder Base Ass’y - DC (4/4) NO. PA R T N O . P ART NAME Q'TY Old No. Stoc k Apply Refere nce 1 HP14-900026 SOLENOID V AL V E [K180-4E1-21 -DC24V] 1 2 HP06-900027 FITTING [KQ2L0 4-M5/PL…

Page
HANWHA TECHWIN
16
SM411F
Feeder Base Ass’y - DC (4/4)
Reference to Air Ass'y
ڰڍڈڏڈڏڅڍډڐ
ڥڔڋڐڒڌړڋڜ
ڰڍڈڏڈڏڅڍډڐ
ڰڍڈڏڈڏڅڍډڐ
ڥڔڋڐڒڌڑړڝ
ڰڍڈڏڈڑڅڏ
ڰڍڈڏڈڏڅڍډڐ
ڡڠڠڟڠڭٻڝڜڮڠٻڜڮڮڴٻڃڟڞڄ
ڡڠڠڟڠڭٻڝڜڮڠٻڜڮڮڴڃڡڭڪکگڈڟڞڄ
ڡڠڠڟڠڭٻڝڜڮڠٻڜڮڮڴڃڭڠڜڭڈڟڞڄ
ڡۀۀڿۀۍٻڝڼێۀٻڃڟڞڄ
9
12
2
4
4
8
8
2
2
6
7 7
6
14
1
10
13
11
12
1
ڮڨڏڌڌٻڨڜکڤڡڪڧڟٻڜڮڮڴ
ڏڈڥڑڒڌڌڋڌڔڜ
ڦڬڍڰڋڑڈڋڋ
2
3
6
5

Page
HANWHA TECHWIN
17
SM411F
Feeder Base Ass’y - DC (4/4)
NO. PART NO. PART NAME Q'TY Old No. Stock Apply Reference
1 HP14-900026 SOLENOID VALVE [K180-4E1-21-DC24V] 1
2 HP06-900027 FITTING [KQ2L04-M5/PL4-M5M/SQL04-M5] 1
3 HP06-900018 FITTING [KQ2U06-00/PY6M] 5
4 HP06-900299 COUPLER[KD-M5-SA34697KR] 1
5 J9057172B DOCKING BLOCK ASSY(RIGHT)[J9057172B]
6 HP14-900090 SPEED CON[ASP330F-01-06S] 1
7 HP06-900048 ELBOW FITTING [KQ2L06-M5] 1
8 HP06-900293 ELBOW FITTING[PT18EF] 2
9 HP06-900300 PLUG[KS-4-M5-SA34698KR] 2
10 FC14-900724 PLUG [PT 1/8] 6
11 HP06-900050 UNION Y FITTING 1 HP06-900199
12 HP09-900162 SILENCER AN101-01 2 HP09-900163
13 HP14-900092 CHECK VALVE[AKH06-00] 2
14 HP06-900014 FITTING [KQ2L06-01/PL6-01] 10

Page
HANWHA TECHWIN
18
SM411F
Conveyor Ass’y (1/5)
5
6
22
12
16
2
26
25
13
17
4
3
11
8
18
2
7
9
19
15
20
1
10
14
23
21
24
27