SM411F_FN_TRM(Ver9.7_CS16.15) - 第75页
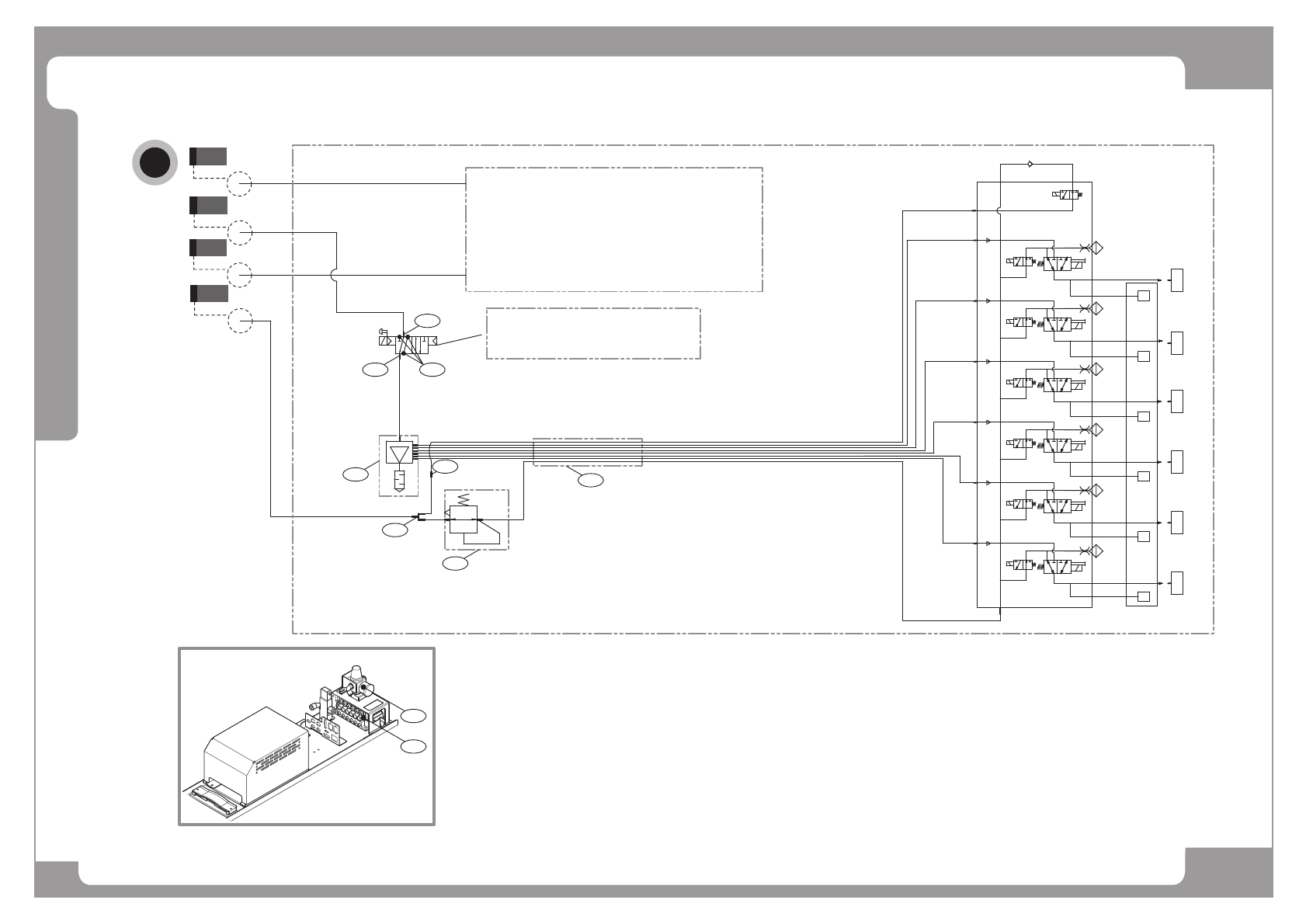
Page HANWHA TECHWIN 63 SM411F Air Ass’y (4/5) NO. PA R T N O . P ART NAME Q'TY Old No. Stoc k Apply Refere nce 1 HP03-900039 EDGE CYLINDER 1 2 HP06-900027 FITTING [KQ2L0 4-M5/PL4-M5M/SQL04-M5 ] 2 3 HP09-900109 REGUL…

Page
HANWHA TECHWIN
62
SM411F
Air Ass’y (4/5)
BUT Cylinder (Push-Operated)
BUT Cylinder (Pull-Ready)
ANC Shutter Cylinder-Rear (Push-Open)
Conveyor PCB Stopper Cylinder (Push-Operated)
ANC Shutter Cylinder-Front (Push-Closed)
Conveyor PCB Stopper Cylinder (Pull-Ready)
Conveyor Edge Fixer Regulator
SM411F_MANIFOLD
ANC Shutter Cylinder-Front (Push-Open)
ANC Shutter Cylinder-Rear (Push-Closed)
ڰڍڈڏڈړڅڐ
ڰڍڈڏڈړڅڐ
C
C
ڠڟڢڠٻڡڤڳڠڭٻڜڮڮڴ
ڠڟڢڠٻڡڤڳڠڭٻڜڮڮڴ
ڮگڪګګڠڭٻڜڮڮڴڃڲڪڭڦڄ
ڮگڪګګڠڭٻڜڮڮڴڃڲڪڭڦڄ
ڝڰگٻڜڮڮڴ
ڝڰگٻڜڮڮڴ
ڞڪکڱڠڴڪڭٻڜڮڮڴ
ڞڪکڱڠڴڪڭٻڜڮڮڴ
ڮڴڎڌڍڋڈڍڋڈڦڭڲڋڋڔړ
ڮڴڎڌڍڋڈڍڋڈڦڭڲڋڋڔړ
ڰڍڈڏڈڏڅڍډڐڃڝڧڰڠڄ
ڰڍڈڏڈڏڅڍډڐڃڝڧڰڠڄ
ڰڍڈڏڈڏڅڍډڐ
ڰڍڈڏڈڏڅڍډڐ
ڰڍڈڏڈڏڅڍډڐ
ڰڍڈڏڈڏڅڍډڐ
ڰڍڈڏڈڑڅڏڃڴڠڧڧڪڲڄ
ڰڍڈڏڈڑڅڏڃڴڠڧڧڪڲڄ
ڰڍڈڏڈڑڅڏ
ڰڍڈڏڈڑڅڏ
ڜکڞٻڜڮڮڴڃڡڭڪکگڄ
ڜکڞٻڜڮڮڴڃڡڭڪکگڄ
ڰڍڈڏڈڏڅڍډڐ
ڰڍڈڏڈڏڅڍډڐ
ڃڝڧڰڠڄ
ڃڝڧڰڠڄ
ڰڍڈڏڈڏڅڍډڐ
ڰڍڈڏڈڏڅڍډڐ
ڜکڞٻڜڮڮڴڃڭڠڜڭڄ
ڜکڞٻڜڮڮڴڃڭڠڜڭڄ
ڰڍڈڏڈڏڅڍډڐ
ڰڍڈڏڈڏڅڍډڐ
ڃڝڧڰڠڄ
ڃڝڧڰڠڄ
ڰڍڈڏڈڏڅڍډڐ
ڰڍڈڏڈڏڅڍډڐ
3
1
2
5
8
9
12
11
10
10
2
11
10
6
7
13
14
4
12

Page
HANWHA TECHWIN
63
SM411F
Air Ass’y (4/5)
NO. PART NO. PART NAME Q'TY Old No. Stock Apply Reference
1 HP03-900039 EDGE CYLINDER 1
2 HP06-900027 FITTING [KQ2L04-M5/PL4-M5M/SQL04-M5] 2
3 HP09-900109 REGULATOR 1
4 HP14-900040 SOLENOID VALVE
5 J67061080A AIR CYLINDER[MHY2-01-IU2054-D-M9N(3m)] 1
6 HP03-900013 CYLINDER CM2C32-50-XC3BB HP03-900040 1
7 HP06-900056 ELBOW FITTING KQ2L04-01/SQL04-01S-W 2
8 HP06-900263 HOSE NIPPLE 1
9 HP03-900032 AIR CYLINDER BDAS 10X5-1A-ZC153A2 1
10 HP03-900032 AIR_CYLINDER 1
11 HP14-900085 SPEED CONTROLLER [SS4-M5MA] 2
12 HP06-900264 ELBOW FITTING [KQ2L08-01S]
13 FC14-900640 PLUG FITTING KPT18
14 HP06-900016 FITTING [KQ2S04-M5/POC4-M5M]

Page
HANWHA TECHWIN
64
SM411F
Air Ass’y (5/5)
D
D1
D3
D2
D4
Front Gantry Air Module
ڣڠڜڟٻڜڮڮڴ
ڰڍڈڏڈړڅڐ
ړ
ڥڑڒڋڍڋڍڌڜٻ
ڦڌړڋڈڏڠڌڈڍڌڈڟڞڍڏڱ
ڰڍڈڏڈړڅڐ
ڌ
ڣڜڭکڠڮڮٻڜڮڮڴ
ڥڔڋړڋڒڔڐڜٻڨڜڤکٻڜڤڭٻڮڪڧٻګڲڭٻڞڜڝڧڠٻڜڮڮڴ
Rear Gantry Air Module
1
2
3
4
5
6
1
7
7
8
1
2
3
1
2
3
Blow
Work
Vacuum
1
2
3
1
2
3
Work
Vacuum
1
2
3
1
2
3
Work
Vacuum
1
2
3
1
2
3
Work
Vacuum
1
2
3
1
2
3
Work
Vacuum
1
2
3
1
2
3
Work
Vacuum
6-J3204002A
MPX5100AP
6-J6711180B
RC3-M5M-STN
HEAD 1 HEAD 2 HEAD 5HEAD 4HEAD 3 HEAD 6
8-HP06-000104
KJL04-M5
HP14-000163
34B-L00-GDFA-1KT
HP14-000206
VQ110-5LO
HP04-000018A
4-2T-PVF
1
2
3
J67031001A
AKH04-00
AM03-001929A
SM411 AIR_MODULE_MAC_SMC
J9060412A
HEAD VACUUM SENSOR
SUB B/D