00193927-01 - 第185页
Üzemeltetési útmutató SIPLA CE HF-sorozat 4 Felállítás és üzembe helyezés Software-verzió: S R.505.xx Kiadás: 05/2004 HU 4.5 A z automata felállítása 185 4.5.9 T engelyegység fe lszerelés e a HF/3-ra (1. portál és 4. por…

4 Felállítás és üzembe helyezés Üzemeltetési útmutató SIPLACE HF-sorozat
4.5 Az automata felállítása Software-verzió: SR.505.xx Kiadás: 05/2004 HU
184
4.5.8.4 Komputer-egység felszerelése
Æ Óvatosan emelje a komputer-egységet a toldalék sínjére.
Æ Ügyeljen rá, hogy ne csípje be a kábeleket.
Æ Ellenőrizze, hogy az elülső oldalra vezető kábelek az oldalsó kábelvezető lemezben
vannak-e (1. poz. a 4.5 - 10
ábrán a 180. oldalon).
Æ Kábelkötegelő segítségével rögzítse a kábeleket az elülső oldalon.
Æ Ütközésig tolja a komputer-egységet a toldalékba.
Æ Csatlakoztassa a ventilátor kábelét a komputer-egység kábelére.
Æ Biztosítsa a komputer-egységet a hengeres csavarral.
Æ Rögzítse a földelőkábelt az ajtóra (2. tétel a 4.5 - 7 ábrán, a 176. oldalon), ahogy az a 4.5 - 8
ábrán látható a 178
. oldalon.
Æ Zárja le az ajtókat.
UTALÁS
A HF-automata esetében a 4.5.8.5
"Burkolatok felszerelése" fejezettel folytassa.
A HF/3-automata esetében a 4.5.9
"Tengelyegység felszerelése a HF/3-ra (1. portál és 4. portál)"
fejezettel folytassa a 185. oldalon.
4.5.8.5 Burkolatok felszerelése
Æ Rögzítse rá a földelőkábelt minden burkolatra (5. poz. a 4.5 - 7 ábrán), ahogy az a 4.5 - 8 ábrán
látható a 178
. oldalon.
Æ Egyenként 6 darab hengeres csavarral rögzítse a burkolatokat a gépkeretre.
UTALÁS
Ha leszerelték a kimeneti szállítószalagot, akkor a 4.5.10
"Kimeneti szállítószalag felszerelése"
fejezettel folytassa a 188
. oldalon. Ha a kimeneti szállítószalag fel van szerelve, akkor a
szerelési munkákat a 4.5.14
"Az automata integrálása a sorba" fejezettel folytassa a 198.
oldalon.

Üzemeltetési útmutató SIPLACE HF-sorozat 4 Felállítás és üzembe helyezés
Software-verzió: SR.505.xx Kiadás: 05/2004 HU 4.5 Az automata felállítása
185
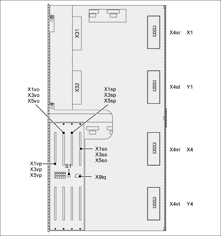
4.5.9 Tengelyegység felszerelése a HF/3-ra (1. portál és 4. portál)
4.5.9.1 Tengelyegység HF/3 (1. portál és 4. portál) - elektromos csatlakozási helyek
4
4.5 - 12 ábra Tengelyegység HF/3 (1. portál és 4. portál), hátulsó oldal - csatlakozódugó csatlakoztatása

4 Felállítás és üzembe helyezés Üzemeltetési útmutató SIPLACE HF-sorozat
4.5 Az automata felállítása Software-verzió: SR.505.xx Kiadás: 05/2004 HU
186
4.5.9.2 Tengelyegység HF/3 (1. portál és 4. portál) - csatlakozódugó csatlakoztatása
Æ Csatlakoztassa az elektromos kábelt a következő áttekintés alapján:
4
4
Æ Ellenőrizze az S1
1 kapcsolóállását: OFF
2: OFF
4.5.9.3 Tengelyegység felszerelése a HF/3-ra (1. portál és 4. portál)
Æ Óvatosan emelje a tengelyegységet a toldalék sínjére.
Æ Ügyeljen rá, hogy ne csípje be a kábeleket.
Tengelyegység
1. portál és 4. portál
Csatlakozódugó
Csatlakozó kábel
UTALÁS
Csatlakozódugó Kábel
X31
X31
03009762
03009763
03009764
03009765
03009766 W1-W5
Csatlakozódugó biztosítása
füllel
X32
X32
03009822
03009823
03009824
03009825
03009827
Csatlakozódugó biztosítása
füllel
X4sr
X4sr 03009760 Csatlakozódugó bepattintása
X4st
X4st 03009761 Csatlakozódugó bepattintása
X4vr
X4vr 03009820 Csatlakozódugó bepattintása
X4vt
X4vt 03009821 Csatlakozódugó bepattintása
X1so
X3so
X5so
X1so
X3so
X5so
03009771
03009772
03009773
Ütközésig bedugni
X1sp
X3sp
X5sp
X1sp
X3sp
X5sp
03009774
03009775
03009776
Ütközésig bedugni
X1vo
X3vo
X5vo
X1vo
X3vo
X5vo
03009831
03009832
03009833
Ütközésig bedugni
X1vp
X3vp
X5vp
X1vp
X3vp
X5vp
03009834
03009835
03009836
Ütközésig bedugni
X9tq
X9tq 03010051 Becsavarni