yv100xtg_j - 第10页
PA G E 8 YV100XTg (KGC) Con fi dential & Proprietary KGC-000-CN5 Camera unit

PAGE
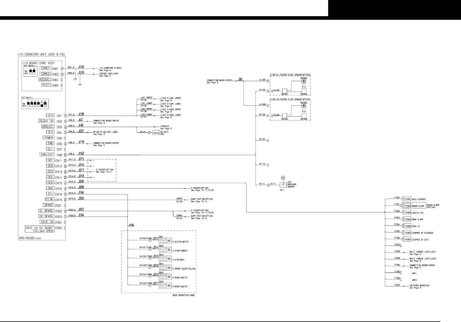
7
YV100XTg (KGC)
Confi dential & Proprietary
KGC-000-CN5
I/O conveyor-B-

PAGE
8
YV100XTg (KGC)
Confi dential & Proprietary
KGC-000-CN5
Camera unit

PAGE
9
YV100XTg (KGC)
Confi dential & Proprietary
KGC-000-CN5
Operation panel