yv100xtg_j - 第11页
PA G E 9 YV100XTg (KGC) Con fi dential & Proprietary KGC-000-CN5 Operation panel

PAGE
8
YV100XTg (KGC)
Confi dential & Proprietary
KGC-000-CN5
Camera unit

PAGE
9
YV100XTg (KGC)
Confi dential & Proprietary
KGC-000-CN5
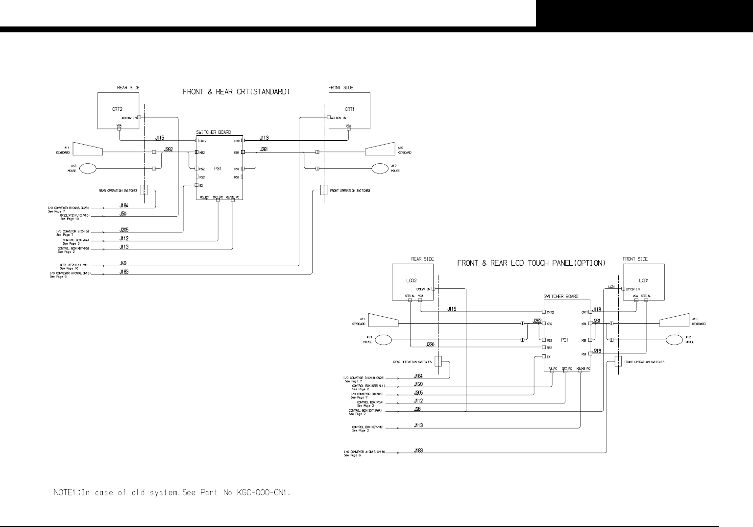
Operation panel

PAGE
10
YV100XTg (KGC)
Confi dential & Proprietary
KGC-000-CN5
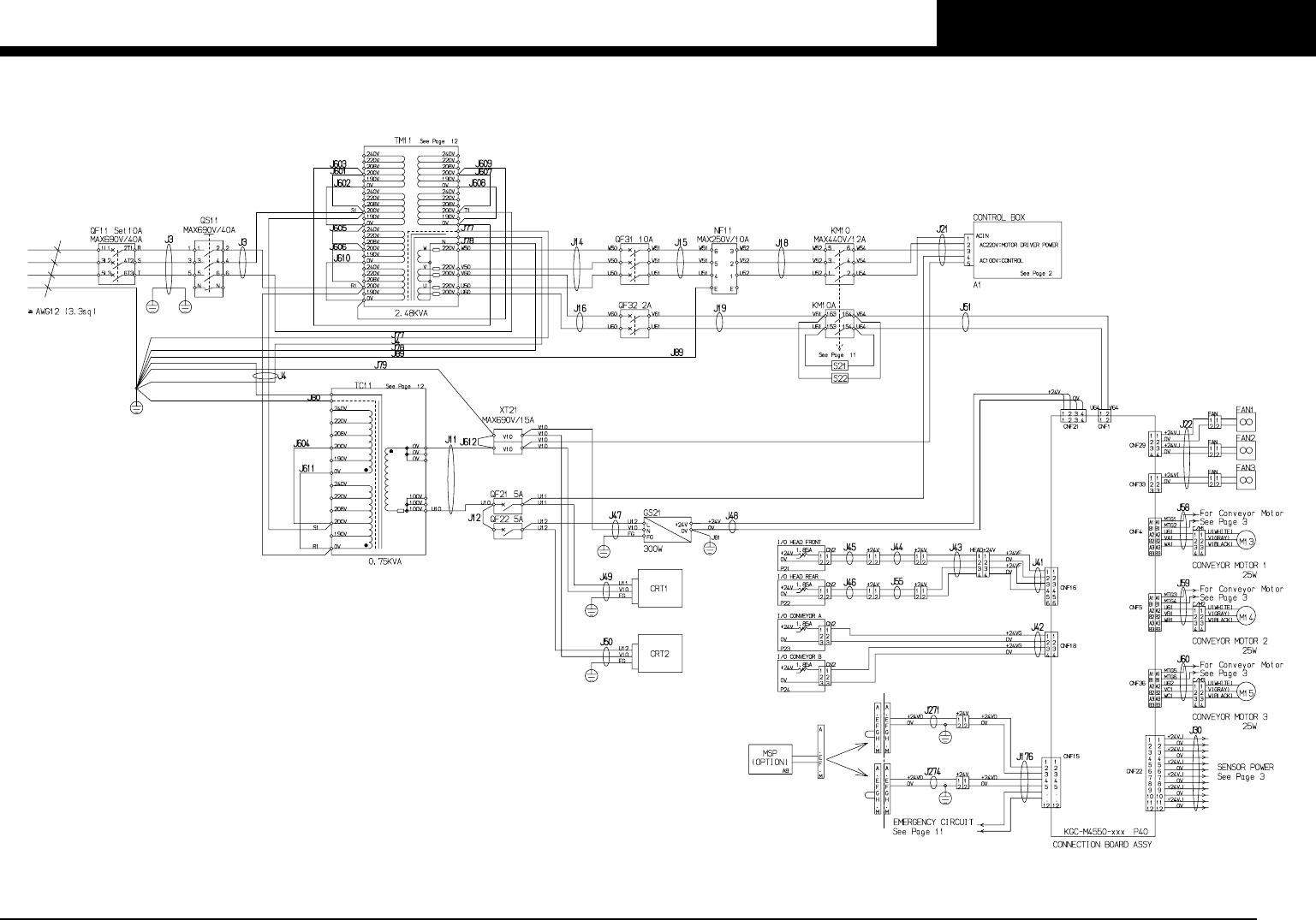
Power circuit