yv100xtg_j - 第18页
PA G E 16 YV100XTg (KGC) Con fi dential & Proprietary KGC-000-CN5 FES20 safety circuit (non stop) -2-

PAGE
15
YV100XTg (KGC)
Confi dential & Proprietary
KGC-000-CN5
FES20 safety circuit (non stop) -1-

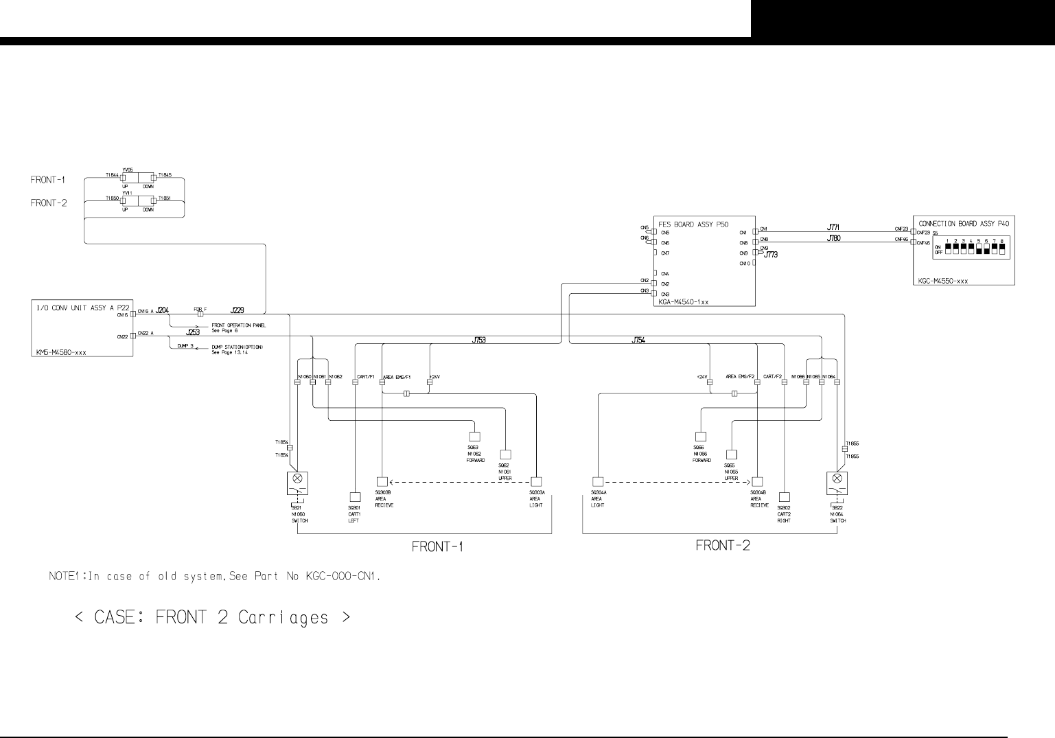
PAGE
16
YV100XTg (KGC)
Confi dential & Proprietary
KGC-000-CN5
FES20 safety circuit (non stop) -2-

PAGE
17
YV100XTg (KGC)
Confi dential & Proprietary
KGC-000-CN5
FES20 safety circuit (non stop) -3-