yv100xtg_j - 第19页
PA G E 17 YV100XTg (KGC) Con fi dential & Proprietary KGC-000-CN5 FES20 safety circuit (non stop) -3-

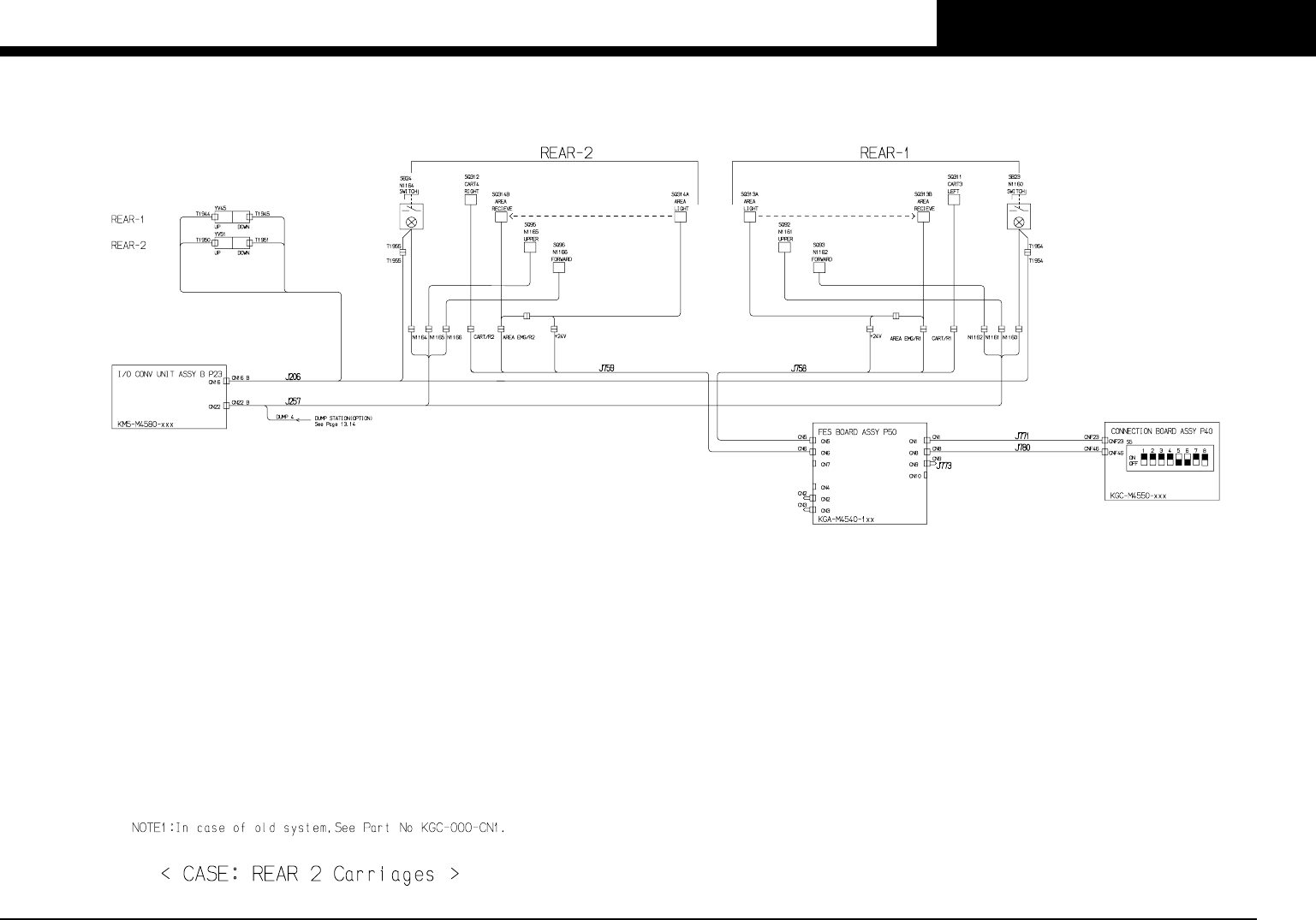
PAGE
16
YV100XTg (KGC)
Confi dential & Proprietary
KGC-000-CN5
FES20 safety circuit (non stop) -2-

PAGE
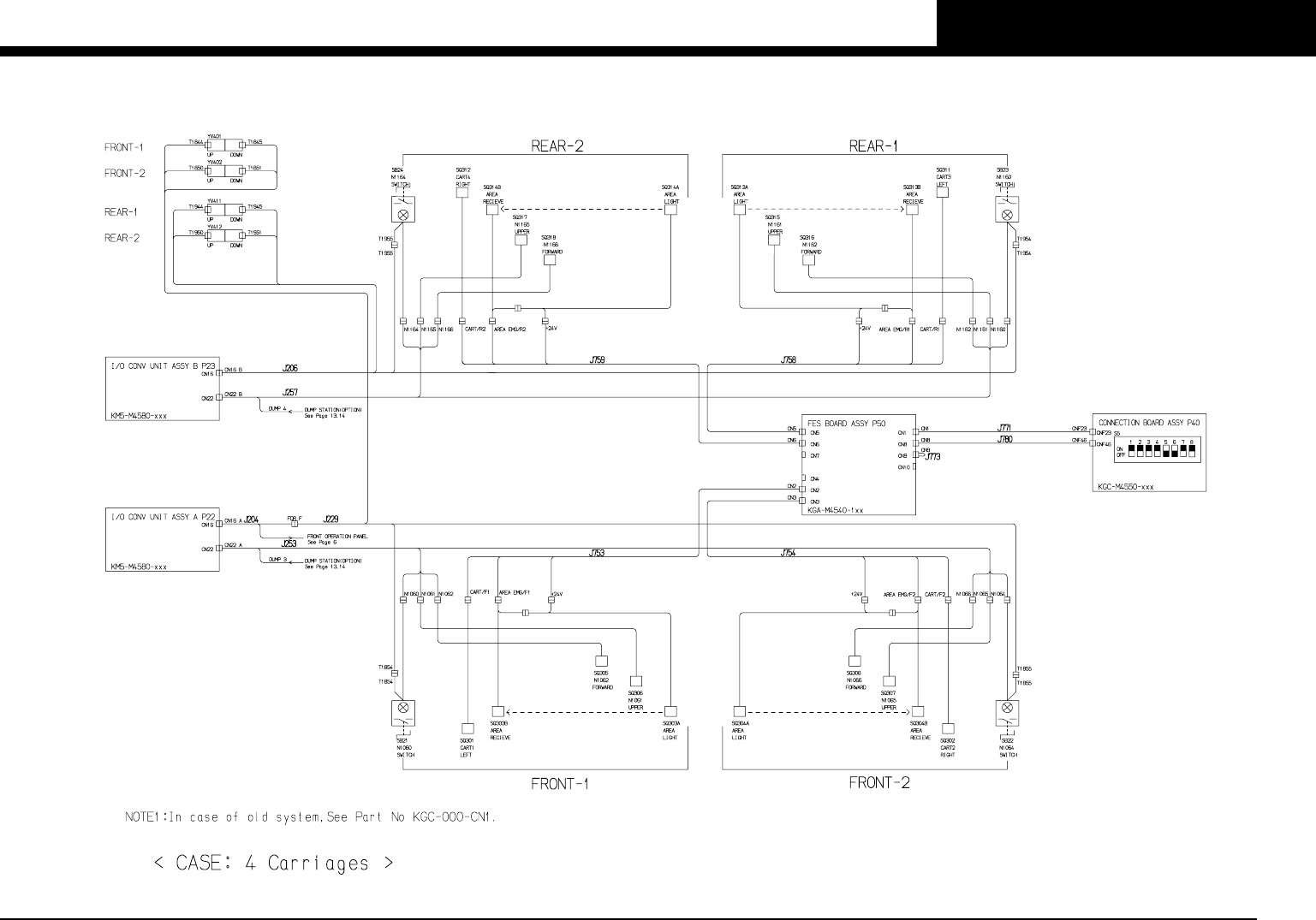
17
YV100XTg (KGC)
Confi dential & Proprietary
KGC-000-CN5
FES20 safety circuit (non stop) -3-

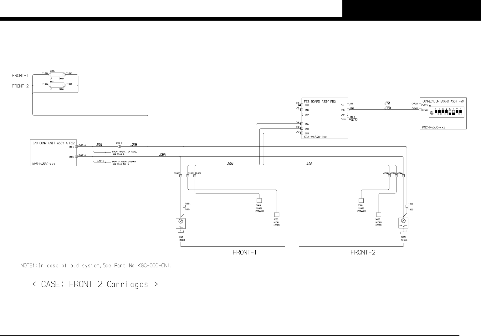
PAGE
18
YV100XTg (KGC)
Confi dential & Proprietary
KGC-000-CN5
FES20 safety circuit (normal) -1-