yv100xtg_j - 第21页
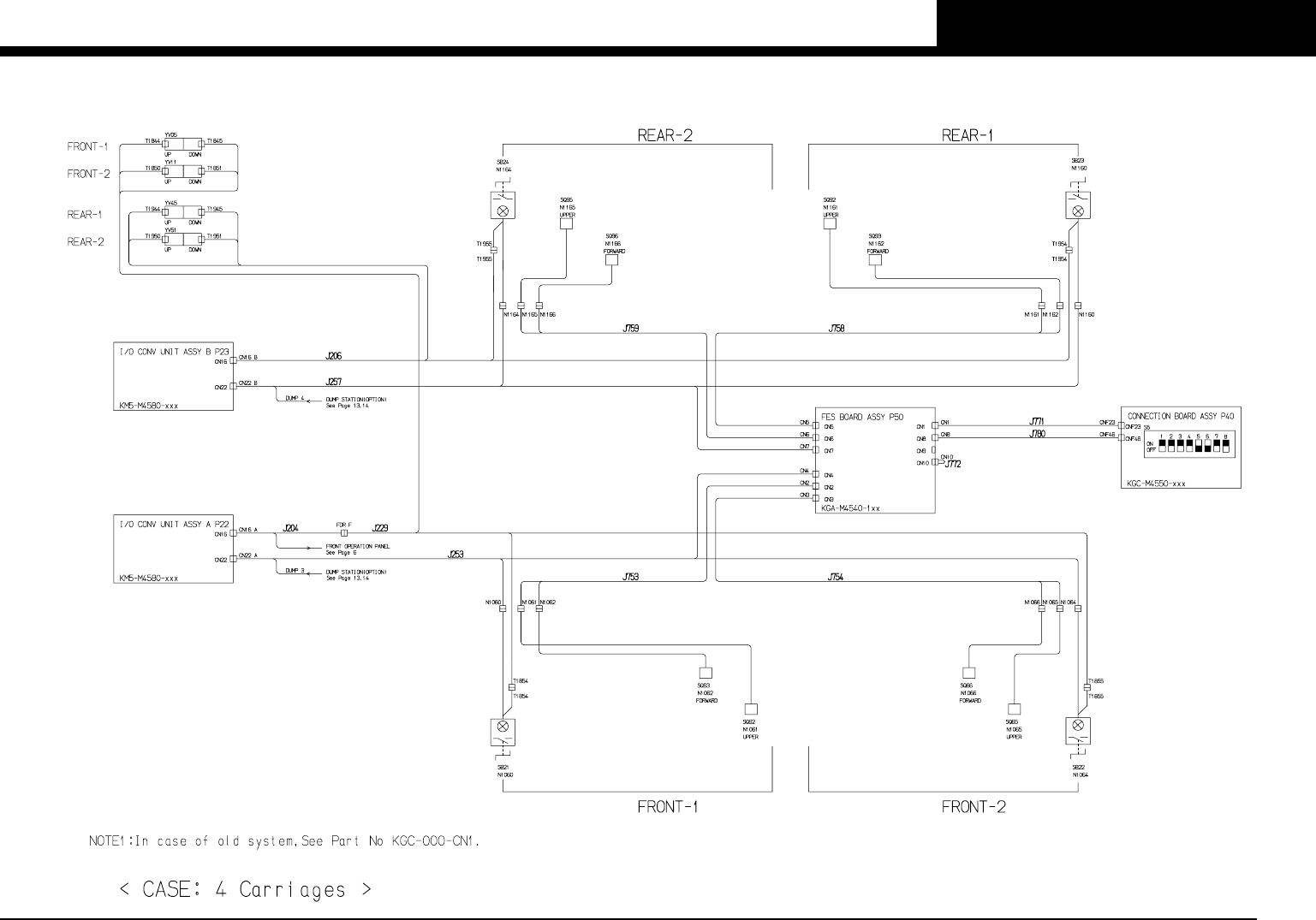
PA G E 19 YV100XTg (KGC) Con fi dential & Proprietary KGC-000-CN5 FES20 safety circuit (normal) -2-

PAGE
18
YV100XTg (KGC)
Confi dential & Proprietary
KGC-000-CN5
FES20 safety circuit (normal) -1-

PAGE
19
YV100XTg (KGC)
Confi dential & Proprietary
KGC-000-CN5
FES20 safety circuit (normal) -2-

PAGE
20
YV100XTg (KGC)
Confi dential & Proprietary
KGC-000-CN5
FES20 safety circuit (normal) -3-