yv100xtg_j - 第3页
PA G E 1 YV100XTg (KGC) Con fi dential & Proprietary KGC-000-CN5 Over view
YV100XTg (KGC)
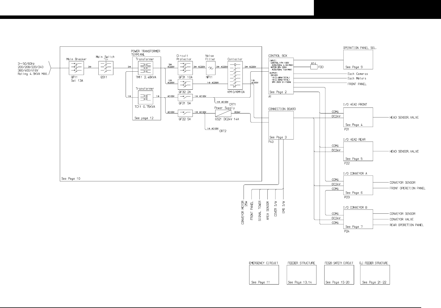
Over view /全体配線図
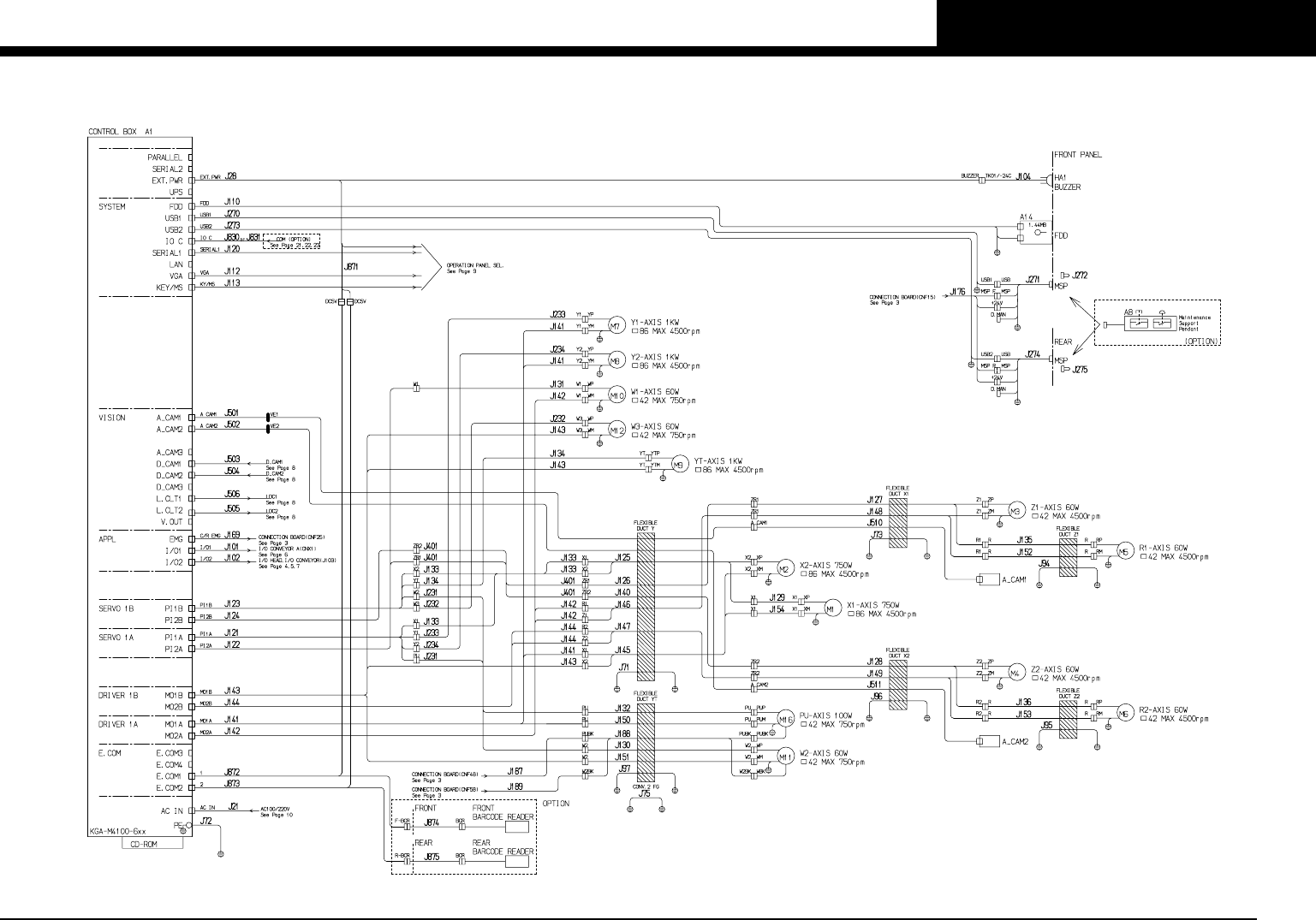
Control box /コントローラー接続図
Connection board /コネクションボード接続図
I/O head front / I/O ヘッド(フロント)
I/O head rear / I/O ヘッド(リアー)
I/O conveyor-A- / I/O コンベアー接続図(A)
I/O conveyor-B- / I/O コンベアー接続図(B)
Camera unit /カメラユニット接続図
Operation panel /オペレーションパネル接続図
Power circuit /電源回路図
Emergency circuit /非常停止回路図
Power transformer terminal /電源トランス接続図
Fix20 feeder structure / 20 連固定フィーダー接続図
FES20 feeder structure / 20 連台車フィーダー接続図
FES20 safety circuit (non stop) -1- / 20 連台車安全回路(ノンストップ)接続図(1/3)
FES20 safety circuit (non stop) -2- / 20 連台車安全回路(ノンストップ)接続図(2/3)
FES20 safety circuit (non stop) -3- / 20 連台車安全回路(ノンストップ)接続図(3/3)
FES20 safety circuit (normal) -1- / 20 連台車安全回路(ノーマル)接続図(1/3)
FES20 safety circuit (normal) -2- / 20 連台車安全回路(ノーマル)接続図(2/3)
FES20 safety circuit (normal) -3- / 20 連台車安全回路(ノーマル)接続図(3/3)
Cli FIX20 feeder structure / Cli 20 連固定フィーダー接続図
Cli FES20 feeder structure / Cli 20 連台車フィーダー接続図
Air circuit (YV100XTg-F) /エア回路図(YV100XTg-F)
Air circuit (YV100XTg-S) /エア回路図(YV100XTg-S)
Wiring parts list /配線部品表
Table of contents
/目次
Confi dential & Proprietary

PAGE
1
YV100XTg (KGC)
Confi dential & Proprietary
KGC-000-CN5
Over view

PAGE
2
YV100XTg (KGC)
Confi dential & Proprietary
KGC-000-CN5
Control box