yv100xtg_j - 第4页
PA G E 2 YV100XTg (KGC) Con fi dential & Proprietary KGC-000-CN5 Control box

PAGE
1
YV100XTg (KGC)
Confi dential & Proprietary
KGC-000-CN5
Over view

PAGE
2
YV100XTg (KGC)
Confi dential & Proprietary
KGC-000-CN5
Control box

PAGE
3
YV100XTg (KGC)
Confi dential & Proprietary
KGC-000-CN5
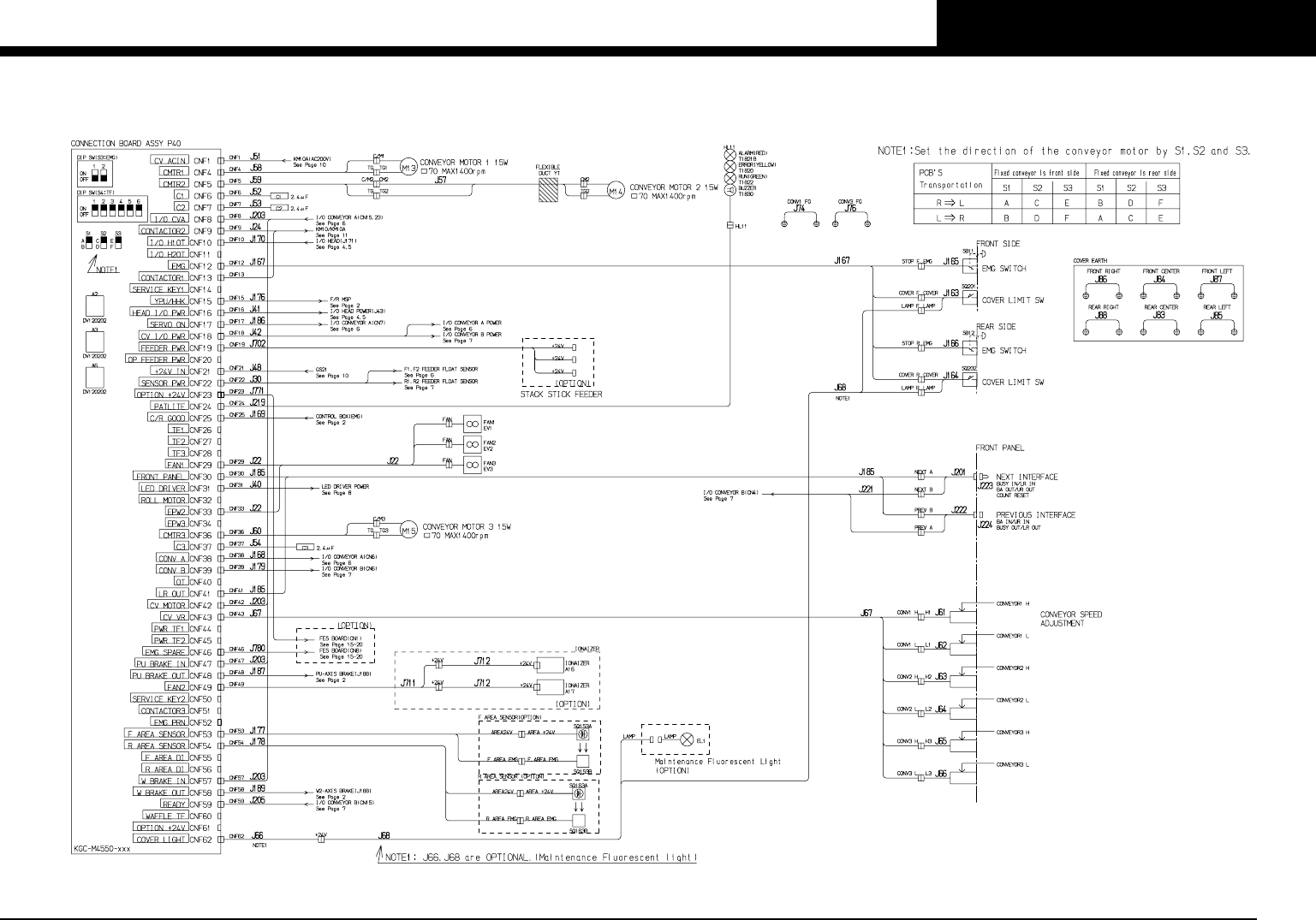
Connection board