yv100xtg_j - 第7页
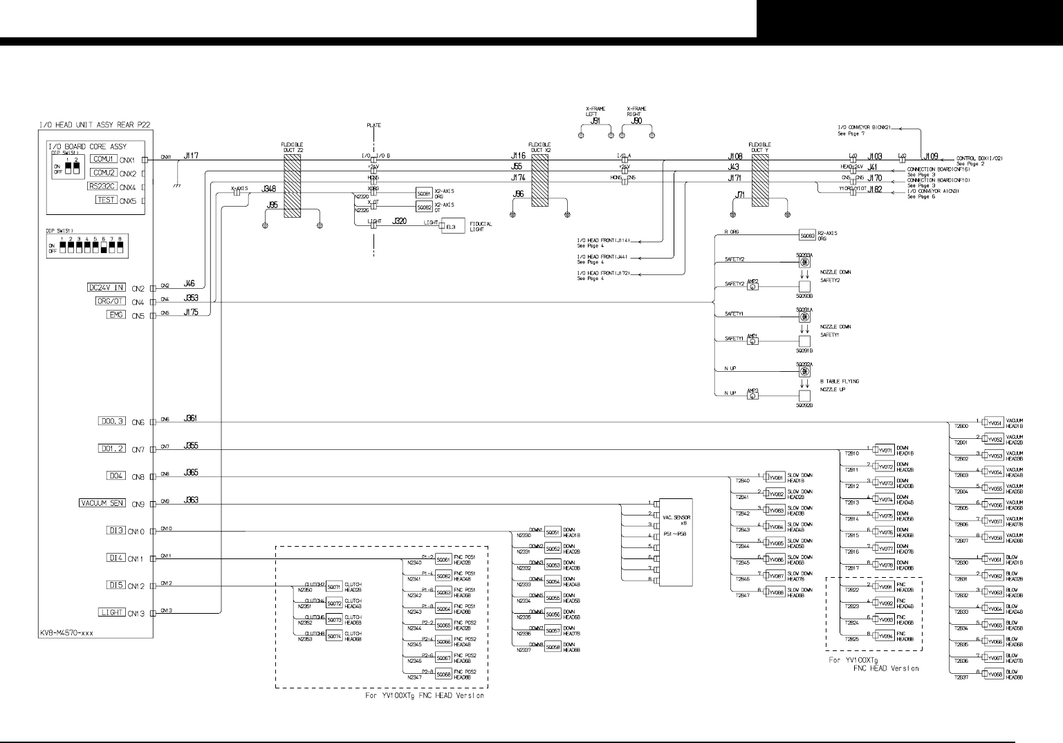
PA G E 5 YV100XTg (KGC) Con fi dential & Proprietary KGC-000-CN5 I/O head rear

PAGE
4
YV100XTg (KGC)
Confi dential & Proprietary
KGC-000-CN5
I/O head front

PAGE
5
YV100XTg (KGC)
Confi dential & Proprietary
KGC-000-CN5
I/O head rear

PAGE
6
YV100XTg (KGC)
Confi dential & Proprietary
KGC-000-CN5
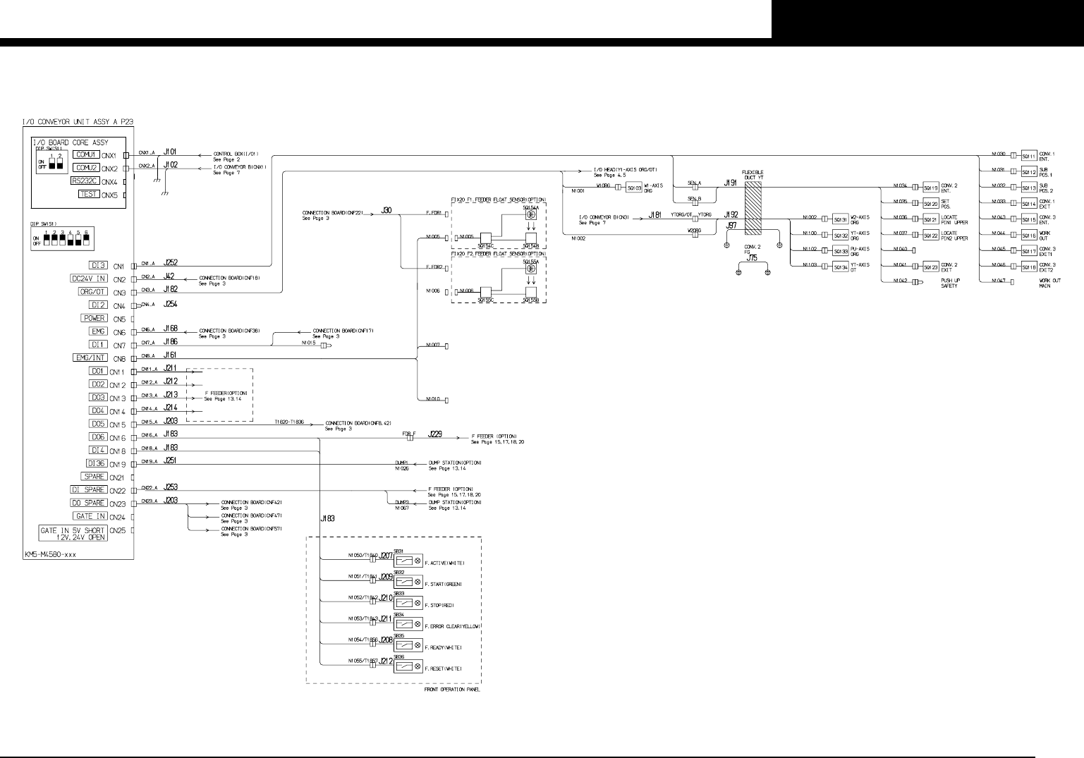
I/O conveyor-A-