德森说明书完整版V2 - 第12页
深圳德森精密设备有限公司 第一 章 系统描述 9 1. 4. 4 刮刀 系统 组成 : 包括印刷头 (刮刀升降行程调节装置、 刮刀片安装部分) 、 刮刀横梁及刮刀驱动部分 (步 进马达) 、刮刀等组成。 功能 : 悬浮式印刷头,丝杆与马达采用直联式设计使刮压力精度更高下 锡更均匀,具有特殊 设计的高钢性结 构使印刷更稳 定,刮刀压 力、印刷的 速度、脱模 长度、速度 均由 PC 控制且不需停机修改,使得调节更方便,突显更佳的人机操作。 …

深圳德森精密设备有限公司 第一章 系统描述
8
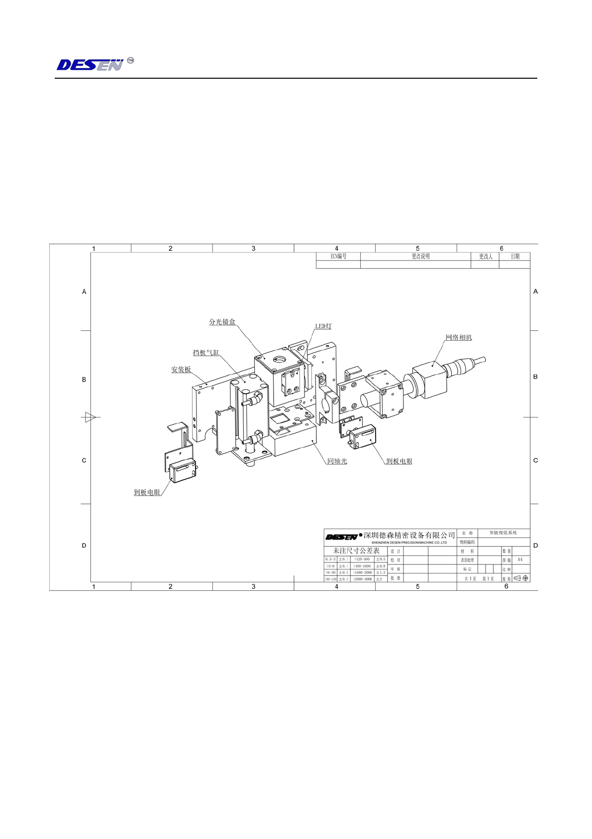
1.4.3 视觉系统
组成:包括 CCD 运动部分和 CCD—Camera 装置(摄像头、光源)及高分辨率显示器等,
由视觉系统软件进行控制。
功能:采用先进的图像视觉识别系统,PCB 的 LED 灯、钢网的 LED 灯,亮度独立控制与调
节,采用高精度的相机,精确地进行 PCB 与钢网模板的对准,确保印刷精度为±
0.025mm。
图 1-5 智能视觉识别系统结构图

深圳德森精密设备有限公司 第一章 系统描述
9
1.4.4 刮刀系统
组成:包括印刷头(刮刀升降行程调节装置、刮刀片安装部分)、刮刀横梁及刮刀驱动部分(步
进马达)、刮刀等组成。
功能:悬浮式印刷头,丝杆与马达采用直联式设计使刮压力精度更高下锡更均匀,具有特殊
设计的高钢性结构使印刷更稳定,刮刀压力、印刷的速度、脱模长度、速度均由 PC
控制且不需停机修改,使得调节更方便,突显更佳的人机操作。
图 1-6 刮刀装置结构图

深圳德森精密设备有限公司 第一章 系统描述
10
1.4.5 自动网板清洗装置
组成:包括真空管、真空泵、清洗液储存和喷洒装置、卷纸装置、升降气缸等。网板清洗装
置被安装在视觉系统后面,通过视觉系统决定清洗行程,自动清洗网板底面。
进行清洗时清洗卷纸上升并且贴着模板底面移动,用过的清洗纸被不断地绕到另一滚
筒上。清洗间隔时间可自由选择,清洗行程可根据印刷行程自行设定。进行湿洗时,
当储存罐中清洗液不够时,系统出现报警显示,此时应将其充满清洗液。干、湿、真
空洗周期可自由调节。
功能:可编程控制的全自动网板清洁装置,具有干式、湿式、真空三种方式组合的清洗方式,
彻底清除网板孔中的残留锡膏,保证印刷质量。
图 1-7 清洗装置结构图