文档中心
/
德森说明书完整版V2
德森说明书完整版V2 - 第53页
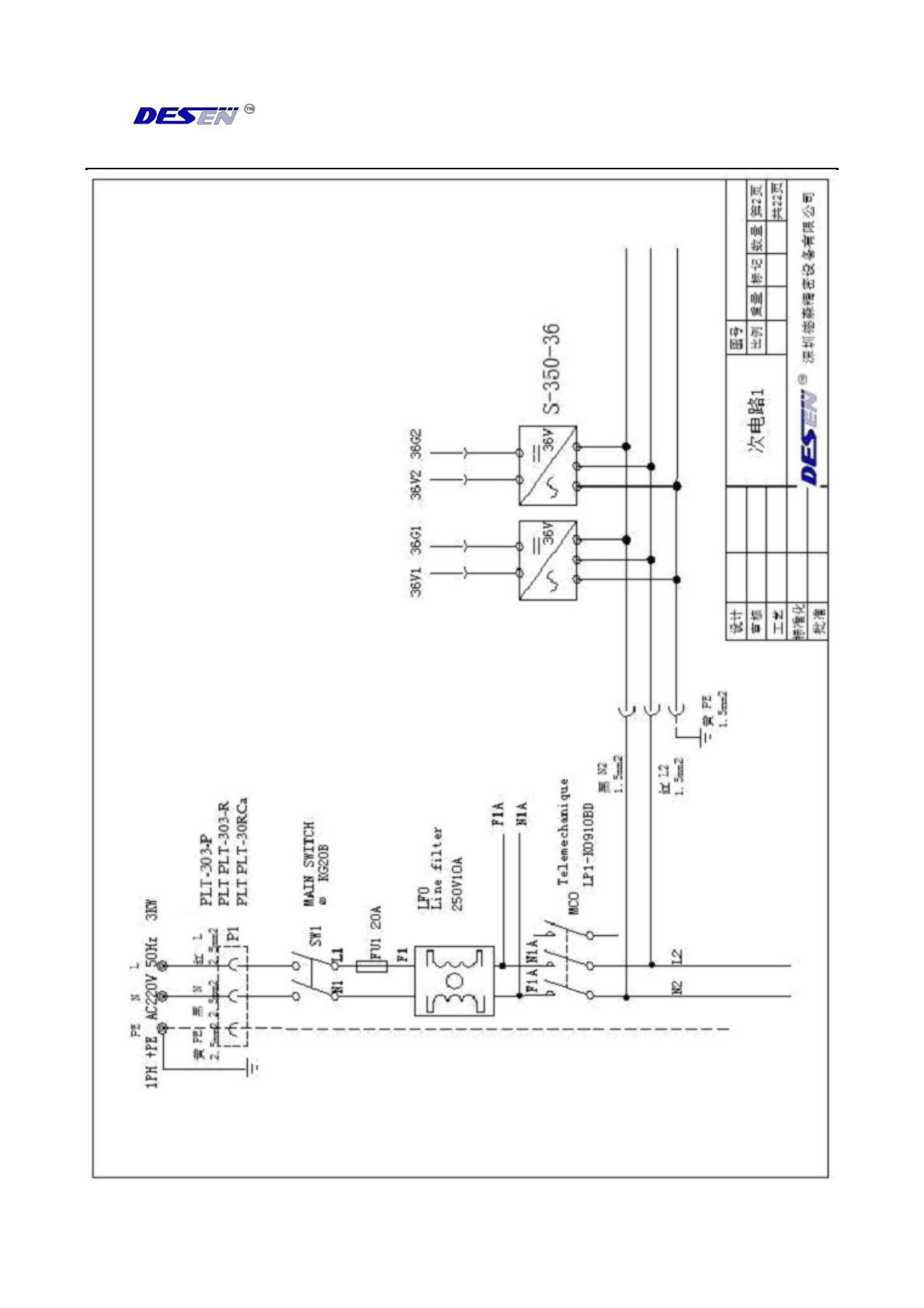
深圳德森精密设备有限公司 第五章 电气 解析 50
目录
100%
显示:宽度
宽度
1 / 66
回到旧版
旧版
?
深圳德森精密设备有限公司
第五章
电气
解析
49
深圳德森精密设备有限公司
第五章
电气
解析
50
深圳德森精密设备有限公司
第五章
电气
解析
51
该页面需要启用 JavaScript 才能进行交互式预览。