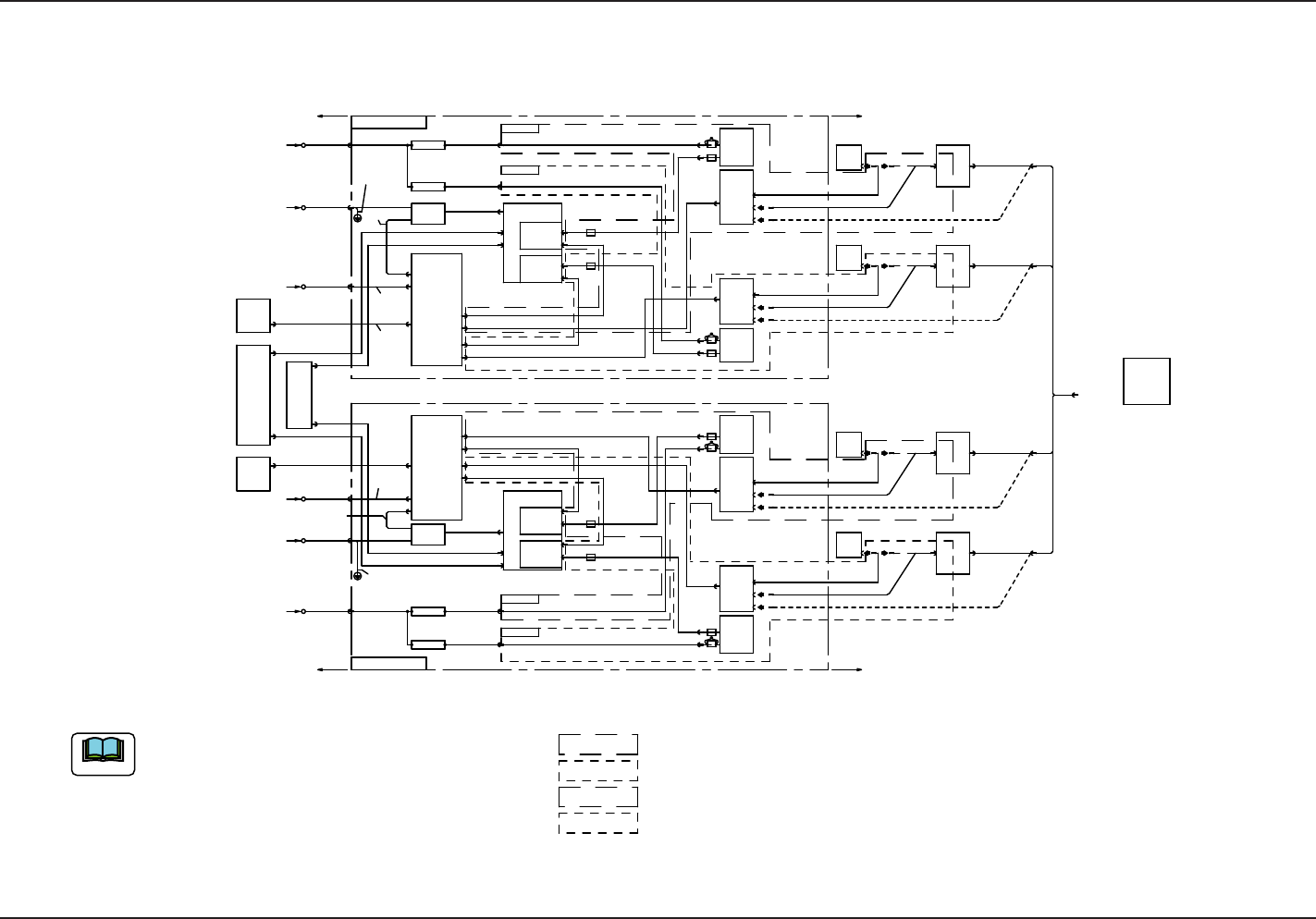
OM-1466-001_w - 第85页
82 15. コード接続図 0710-001 A(M845JLF--1005) 15. コード接続図 リード浮きブロック図 (CD-G110) -K100 -A96 -U05L -X0527 -U96 -X9602 CN2 -X9601 CN1 -X9604 CN4 -X965A CN5A -X9606 -X965B CN5B -X975A -X976A -X975B -X976B -F070 -F071 -B97(1) DC24V S…

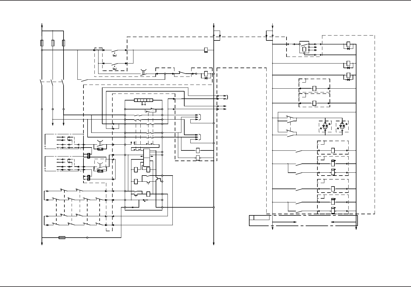
81
電源部 ( 共通リレー回路 )
電源部 ( 共通リレー回路 )
0710-001 A(M845WLF--1002)
(UB63)
P<
610
K2(R)
実装しない
1
K31(R)
12
電源ON LED(緑)点灯
10A
24A1
303
316
317
304
318
319
-S132
-S131
-K28
A2
A1
-X2771L
:3
:3
-X2770L
-X2767L
:1
:4
-X2771L
:4
-X2770L
-X2767L
:2
-X2705L
:4
:3
-X2704L
:4
-X2704L
:3
-X2706L
:1
:2
-X2706L
-X2706L
:3
43
-K65(R)
-K65(R)
6 5
A2A1
A1 A2
56
-K65(L)
A2A1
-S132
-S131
A1 A2
-K65(L)
3 4
1516
K6(L)
302
HLS入力電源投入
-K27(L)
15
H101
POWER ON LED
H201
POWER ON LED
RED
GREEN
306
K31(L)
307
3 4
5
8
10
9
BR
SP
S141
BK
BL
GY
W
PC-L 電源投入
86
A2A1
-K29
-K23(L)
86
A2A1
-K29
-K23(R)
PC-R 電源投入
-X2771R
:3
:3
-X2770R
-X2767R
:1
:4
-X2771R
:4
-X2770R
-X2767R
:2
X2701L
:3
313
316
310
K1
K2
K4
K3
6
5
2
1
JP
4
3
4
3
b
a
b
a
Control
Circuit
Timer
OFF Delay
K4
K3K2
K1
54
44
34
24
14
A
B
T22
T21
PET11
T12
T31
T32
13
23
33
43
53
A2A1
-X2725L
:3
-X2725R
:3
:1
-X2725L
-X2725R
:1
-X27150L
:3
:3
-X27150R
-X27150L
:2
:2
-X27150R
-X0511:A7
-X0511:B7
-X27150R
:A7
-X2761L
:B7
:1
:2
-X2761L
:B10
:1
:1
-X27150L
-X2704L
:2
:2
-X2705L
-X2705L
:1
:1
-X2704L
U27 L/R
315
K2(L)
(1sec)
14
13
A1
A2
K1
-501
10B
426
421
3 4
K43(L)
420
408
407
401
14
K1
13
POWER ON PB(REAR)
POWER ON PB(FRONT)
-S101
-S101
24A
(5A)
(2A)
300
95
K2(L)
430
429
(6.3A) (6.3A)
23
24
33
34
F001 F002 F003
K3
24A1
F004
414
10A
:A10
-X2723L
:1
K1
-X2701L
:4
-X2701L
:5
-X2701L
:6
X2701L
:1
J02
J03
:2
-X2761R
:B10
:A10
-X2723R
:1
J02
J03
:2
-X27151R
:4
-X27152L
-X27152L
-X0516 :B7
:4
:3X504
-X0511
:B10
:A10
4344
-X2701L
:2
(-X2729:R)
X2701R
:1
:2
-X27152R
:1
-X27152R
:A7
-X2761R
:B7
10A
BA -U05L (STLT_ILB+PWR)
-X0511:A7
-X0511:B7
-X2709L
:1
-X2709L
:2
X2701R
:3
HLS入力電源投入
-K27(R)
15
31231124A1
610
K2(L)
1
K31(L)
12
:4
:A7
:A7
多段トレイ(L)
-X0515 :B7
:3X504
((2)設置時)
多段トレイ(L)
((1)設置時)
-X0511
:B10
:A10
-X27151L
:4
-X0516 :B7
:4
:3X504
:4
:A7
:A7
多段トレイ(R)
-X0515 :B7
:3X504
((4)設置時)
多段トレイ(R)
((3)設置時)
(-X2729:L)
321
322
2 1
-S105
402
2 1
403
-S121
2 1
-S121
404
2 1
405
-S105
:1
-X27151R
:1
-X27151L
2 1
405
-S121
2 1
406 407
-S121
2 1
409
2 1
410
2 1
411
2 1
412
:2
-X27151R
:2
-X27151L
2 1
412
2 1
414
-S105-S121-S121
-S105
-S121 -S121
413
RED
GREEN
-X2705L
-K28
A2
A1
-X2709R
:1
-X2709R
:2
[BR/01/12A]
10A 24A1
[BR/01/12A]
[B-/02/9A]
[B-/02/1H]
[BL/02/3G]
[BR/02/3G]
[BL/02/3G]
[BR/02/3G]
-501
-501
10B
10B
[BL/03/3E]
[BR/03/3E]
[BL/02/1B]
[BR/02/1B]
[BL/02/1B]
[BR/02/1B]
[D-/01/1A] [D-/01/5A]
BC -U05R (STLT_ILB+PWR)
コプラナリティ X19601へ
CD-G110
LF
GA
GA
エアー圧低下検出
圧力スイッチ
真空ポンプ1電源投入
注2
真空ポンプ2電源投入
注2
BA
電源投入遅延タイマー
制御電源投入
注2
非常停止セーフティ モニタ
非常停止セーフティ モニタ
ST1(R)
ST1(F)
ST2(R)
ST2(F)
電源ON LED(緑)点灯
BRリレー回路へ
BLリレー回路へ
後中央左後左前前中央
右前 右後
非常停止1非常停止2非常停止3非常停止6
非常停止5 非常停止4
BC
BA
BC
冷却FAN用電源

82
15. コード接続図
0710-001 A(M845JLF--1005)
15. コード接続図
リード浮きブロック図 (CD-G110)
-K100
-A96
-U05L
-X0527
-U96
-X9602
CN2
-X9601
CN1
-X9604
CN4
-X965A
CN5A
-X9606
-X965B
CN5B
-X975A
-X976A
-X975B
-X976B
-F070
-F071
-B97(1)
DC24V
SEN
-B97
-DC24V
-B97(2)
DC24V
SEN
-B97
-DC24V
-X19401
-X2405
CN5
-A21
CN11
-X2411
(-X2103)
-U24(1)
CN3
-U97(1)
-X9702
CN2
-X29401
-X963A
CN3A
-X963B
CN3B
-X9704
CN4
-X9704
CN4
-X9701
CN1
-X2103
-X9703
CN3
AC200V
24G
-G04
-G04L:
-K100
-X19601
630 162 2682
LF) 099
-F070
-F071
630 162 2682
LF) 099
630 162 2668
LF) 097
630 162 2675
LF) 098
630 162 2375
LF) 062
630 162 2375
LF) 062
630 102 6176
LF) 065
630 102 6176
LF) 065
-U97(2)
センサB97(1)付属のケーブル
センサB97(2)付属のケーブル
630 159 8444
LF) 071
-P97A
-P97B
MEAS.CNT
SENS.CNT
MEAS.CNT
SENS.CNT
4M845J*LF--1005参照
Block (1)
24A1
630 162 2651
LF) 096
630 162 2637
LF) 094
-Q204L:
CN27
U73
-X7310
-X9607
RGB
A-RGB3
-X9608
10Base-T
U72
-X7205
CN5
630 162 2675
LF)S064
630 147 4915
LF)S063
630 162 2606
LF) 091
630 162 2620
LF) 093
CN2
CN1
CN4
AC200V
24A1
-Q204R:
CN27
CN5A
CN5B
-F071
-F070
-B97(4)
DC24V
SEN
-B97(3)
DC24V
SEN
CN2
CN3A
-X963B
CN3B
CN4
CN1
CN3
24G
-G04R:
-U97(3)
MEAS.CNT
SENS.CNT
MEAS.CNT
SENS.CNT
RGB
10Base-T
-X9401
CN1
-U94
-U96
-K100
-X9702
-X9701
-X9703
630 159 8444
LF) 071
-X9704
-X9704
-B97
-DC24V
-B97
-DC24V
センサB97(3)付属のケーブル
センサB97(4)付属のケーブル
-X976A
-X976B
-X975A
-X975B
-P97A
-P97B
-A96
630 162 2682
LF) 099
630 162 2682
LF) 099
-X965B
-X963A
-X965A
630 162 2375
LF) 062
630 162 2375
LF) 062
630 102 6176
LF) 065
630 102 6176
LF) 065
-F071
630 162 2675
LF) 098
-F070
630 162 2668
LF) 097
-X9602
-X9601
-X9604
-X9606
4M845J*LF--1005参照
-X9607
630 162 2675
LF)S064
-X9608
630 147 4915
LF)S063
-U05R
-X7206
CN6
-X7311
A-RGB4
630 162 2620
LF) 093
630 162 2637
LF) 094
BA)S971のケーブル
-X19601
-K100
-G04
-X2405
CN5
-A21
CN11
-X2411
(-X2103)
-U24(2)
CN3
-X9702
CN2
-X9701
CN1
-X2103
-X9703
CN3
630 159 8444
LF) 071
BA)S971のケーブル
-X39401
-X2405
CN5
-A21
CN11
-X2411
(-X2103)
-U24(3)
CN3
-X2103
BC)S971のケーブル
-X49401
CN4
-U97(4)
-X2405
CN5
-A21
CN11
-X2411
(-X2103)
-U24(4)
CN3
-X9702
CN2
-X9701
CN1
-X2103
-X9703
CN3
630 159 8444
LF) 071
BC)S971のケーブル
Block (2)
Block (3)
Block (4)
630 162 6161
LF) 095
630 162 6161
LF) 095
630 162 2606
LF) 091
630 162 2613
LF) 092
630 162 2613
LF) 092
630 162 2651
LF) 096
工業用コンピュータ
リード浮きI/F基板
信号処理
ノート(a)
ノート(b)
Stage1設置時
(GX本体準備配線)
I/O PCB
STLT ILB+PWR
切替器
ボード
信号処理
ボード
HUB
カウンタ基板
リード浮きI/F基板
信号処理
ボード
信号処理
ボード
工業用コンピュータ
I/O PCB
STLT ILB+PWR
Stage2設置時
GX本体 GX本体
GX本体 GX本体
センサヘッド
エンコーダ信号
分配基板
センサヘッド
エンコーダ信号
分配基板
ノート(e)
(GX本体準備配線)
(GX本体準備配線)
(GX本体準備配線)
(GX本体準備配線)
(GX本体準備配線)
ノート(f)
ノート(f)
ノート(f)
上図は全ブロックを表記していますが、リード浮きを取付けるStage(1 or 2)の配線およびBlock (1,2,3 or 4)の配線のみを行ってください。
(e) フェライトコア(LF_S088 1GG23N3001790)にケーブルを1回巻きつけて通します。
(f) フェライトコア(LF_S072 1GG23N3001730)にケーブルを通します。
(a) リード浮きをBLOCK1に取付ける場合、Stage1の破線 で囲まれた配線を行います。
(b) リード浮きをBLOCK2に取付ける場合、Stage1の破線 で囲まれた配線を行います。
(c) リード浮きをBLOCK3に取付ける場合、Stage2の破線 で囲まれた配線を行います。
(d) リード浮きをBLOCK4に取付ける場合、Stage2の破線 で囲まれた配線を行います。
ノート
ノート(f)
ノート(e)
ノート(f)
ノート(f)
ノート(c)
ノート(d)
ノート(f)
ノート(e)
ノート(f)
ノート(e)

83
エンコーダ信号分配ケーブル接続図
エンコーダ信号分配ケーブル接続図
0710-001-(M845JLF--1001)
N.C.
-X2103 -X2411
N.C.N.C.
X_9401
CAB3
N.C. N.C.
CAB1
CAB3
-X2411-X2103
CAB2
CAB1
-U24
(UB18)
N.C.
X_9401
CN5
-X2405
CAB2
CAB2
CN3
-X9704
CN4
-U97
(UB30)
CN4
-X9704
CAB1CAB4
CAB2
CAB1CAB4
(UB18)
CN3
-A21
-U24
U94(UB07)
U95(UB08)
-X2103
-X2407-X2303
-A23
CN3
CN7
CN11
-X2411
CN6
CN3
-A22
-X2203 -X2406
X9401
CN1
CN5
X9505
X_9401
X_9401
X9505
CN5
CN1
X9401
-X2406-X2203
-A22
CN3
CN6
-X2411
CN11
CN7
CN3
-A23
-X2303 -X2407
-X2103
U95(UB08)
U94(UB07)
CN5
-U24
-X2405
-A21
CN3
(UB18) (UB18)
CN1
-X9702
CN2CN3
-A21
-X2405
-U24
CN5
U94(UB07)
U95(UB08)
-X2103 -X9701
-X2407
-X2303
-A23
CN3
CN7
CN11
-X2411
CN6
CN3
-A22
-X2203 -X2406
X9401
CN1
CN5
X9505
X_9401
N.C.
N.C.
X_9401
X9505
CN5
CN1
X9401
-X2406-X2203
-A22
CN3
CN6
-X2411
CN11
CN7
CN3
-A23
-X2303 -X2407
-X9701-X2103
(UB30)
-U97
U95(UB08)
U94(UB07)
CN5
-A21
CN3 CN2
CN3
-X9703
-X9702
CN1
X49401
X39401
X29401
X19401
X_9401
D
C
B
A
Block
GX標準構成+多機能ヘッド
GX標準構成 GX標準構成+リード浮きチェック
GX標準構成+多機能ヘッド+リード浮きチェック
-U96(UB29)へ
(GX-H中継基板)
(照明コントロール基板)
(カウンター基板)
ビームY1
ビームY2
ビームX
ビームX
ビームY2
ビームY1
(カウンター基板)
(照明コントロール基板)
(GX-H中継基板) (GX-H中継基板)
(エンコーダ信号分配基板)
(照明コントロール基板)
(カウンター基板)
ビームY1
ビームY2
ビームX
-U96(UB29)へ
(a) コネクタ " X_9401 " は対象ブロックにより以下となる。
ビームX
ビームY2
ビームY1
(カウンター基板)
(照明コントロール基板)
(エンコーダ信号分配基板)
(GX-H中継基板)
CPU3(認識PC)
CPU3(認識PC)CPU3(認識PC)
CPU3(認識PC)
(b) 各ケーブル記号(CAB1~CAB4)は以下(本図中のみが対象の記号)
CAB1 : M845-BAブロック中 品番=S971
CAB2 : M845-FCブロック中 品番=S156、またはS157
( S156はBlock-A/C用、S157はBlock-B/D用 )
(c) CAB1のコネクタラベルを"X2103" から"X9702"に変更のこと。
(d) CAB2のコネクタラベルを"X2405" から"X9703"に変更のこと。
ノート