OM-1466-001_w - 第76页
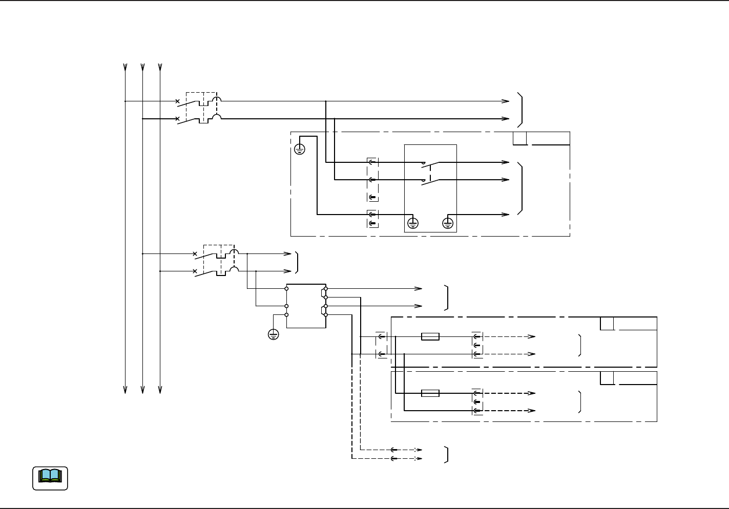
73 14. 電気回路図 電源部 (CD-G060) 14. 電気回路図 0710-001 A(M845WLF--1001) 10G 24G 3 2 1 1 2 3 -G04 2 1 -F70 -F71 -24G70 -24G71 -F70 -F71 2 1 3 2 1 -K100 2 4 1 3 -L270 -L170 -K100 -G04 10G 24G DC24V (L) (N) FG L205 L105 -L105 -L205 …

720710-001

73
14. 電気回路図
電源部 (CD-G060)
14. 電気回路図
0710-001 A(M845WLF--1001)
10G
24G
3
2
1
1
2
3
-G04
2
1
-F70
-F71
-24G70
-24G71
-F70
-F71
2
1
3
2
1
-K100
2
4
1
3
-L270
-L170
-K100
-G04
10G
24G
DC24V
(L)
(N)
FG
L205
L105
-L105
-L205
-Q204
-L205
-L105
L102
L202
L302
-Q206
-L316
-L216
24G
10G
-X13110
:1
:2
-DC24V
:2 (0V)
:1 (+24V)
:3 (NC)
:3 (NC)
:1 (+24V)
:2 (0V)
-DC24V
CD-G110
LF
CD-G110
LF
CD-G060
LF
-B97
(センサーヘッド:後面側)へ
-B97
(センサーヘッド:後面側)へ
ノート
(a) CD-G110のセンサヘッドが後面側取付の場合を表します。
(b) CD-G060のセンサヘッドが前面側取付の場合を表します。
ノート(a)
ノート(b)
X9606へ
-A96
(工業用コンピュータ)
G01 DC24V
-G02 DC48V
G05 DC5V
操作PC電源用
制御PC電源用
天井冷却ファン
フィーダ 用
リサイクルCV用
多段トレイ用
認識PC電源用
G06 DC12V
-
+

74
U97 エンコーダ信号分配
U97 エンコーダ信号分配
0710-001 A(M845WLF--1005)
[B-/01/6E]
[B-/01/6E]
[R-/04/9B]
[B-/01/6D]
[B-/01/6C]
[R-/04/9B]
/Z相
Z相
/Z相
Z相
:4
:3
:2
:1
:5
:6
:4
:1
:3
-X12103
:2
:3
:3
-B2102
:2
BR
BL
BK
WH
OUT(L.ON)
-
+
:4
:1
-B2102
-B2101
:1
:4
+
-
OUT(L.ON)
WH
BK
BL
BR
:2
-B2101
-L136
-L236
-L336
-L121
-L221
BGから
BGから
L11
L21
P
C
D
CN11-X2411
-X2410
CN10
AC200V
3φAC200V
L1
L3
L2
-X2405
CN5
-X2412
10B
CN12
24B1L
-X9701
CN1
CN3
-X2103
-X9702
CN2
(24B1R)
24B1L10B
(24B1R)
10B
24B1
DC-DC
0V
+5V
-L326
-L226
-L126
-L121
-L221
分配基板
-X2203
CN3
L2
L3
L1
3φAC200V
AC200V
D
C
P
L21
L11
BGから
BGから
CN6
-X2406
CN3
-X9703
-X9704
CN4
エンコーダ信号分配基板
HH-G300
U
HM-G300
U
CD-G110
LF
(UB18)
-U24
2
1
5
3
4
6
3
5
4
6
Xビーム軸
X軸 オーバーラン(-)
X軸 オーバーラン(+)
-A21
X軸
5
20
19
3
18
8
17
7
16
6
(A相)
(B相)
(/B相)
(/A相)
2
1
SD
プレート
3
19
20
5
6
16
7
17
8
18
18
8
LZ
LZR
17
7
LB
LBR
16
6
LA
LAR
COM
LSN
LSP
SG
5
20
19
3
5
20
19
3
-A22
Y1軸
3
19
20
5
SG
LSP
LSN
COM
LAR
LA
6
16
LBR
LB
7
17
LZR
LZ
8
18
プレート
SD
Yビーム軸
18
8
17
7
16
6
5
20
19
3
6
16
7
17
8
18
-X963A(-X963B)
:16
:17
:7
:6
17
7
16
6
(リード浮きI/F基板)へ
(A相)
(B相)
(/B相)
(/A相)
-U96(UB29)
-U97
(UB30)
(/A相)
(/B相)
(B相)
(A相):6
:7
:17
:16
X19401(X29401/X39401/X4901)
ノート(a)
X19401(X29401/X39401/X4901)
:16
:17
:7
:6
ノート(c)
ノート(c)
X19401(X29401/X39401/X4901)
U94(UB07:カウンタボード)へ
U94(UB07:カウンタボード)へ
X19401(X29401/X39401/X4901)
ノート(b)
ノート(d)
(a) 多機能ヘッドが取付けられた場合にのみ接続されます。
(b) 高速ヘッドが取付けられた場合にのみ接続されます。
(c) センサヘッドがBlock-Aの場合にX19401
(センサヘッドがBlock-B/C/Dの場合はそれぞれX29401/X39401/X4901)。
(d) センサヘッドが後面取付の場合にX963A(前面側取付の場合はX963B)。
ノート