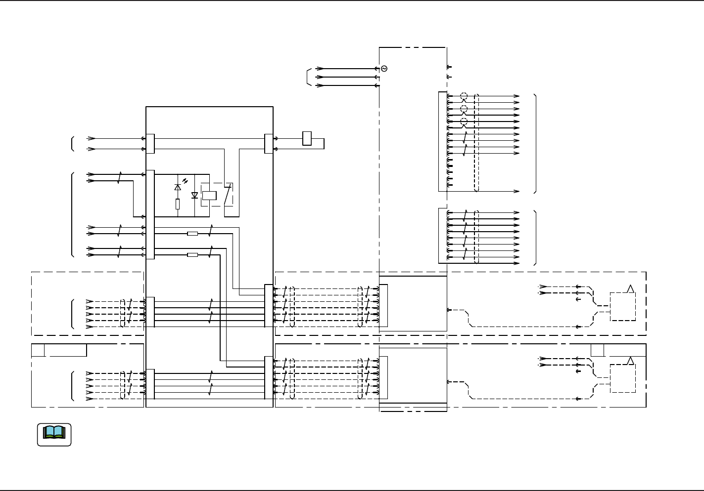
OM-1466-001_w - 第78页
75 リード浮きコントローラ部 (CD-G060) リード浮きコントローラ部 (CD-G060) 0710-001 A(M845WLF--1009) ) [F-/02/2C] -X965A -X965B CN5B CN5A -X9604 CN4 -X963B CN3B CN3A -X963A CN2 -X9602 -X9601 CN1 (リード浮きI/F基板) 10A 24A1 P_OFF 24B1 MEAS(A) 24B1 MEAS(…

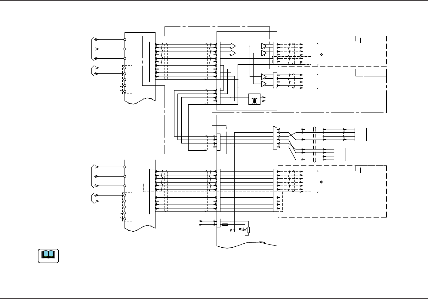
74
U97 エンコーダ信号分配
U97 エンコーダ信号分配
0710-001 A(M845WLF--1005)
[B-/01/6E]
[B-/01/6E]
[R-/04/9B]
[B-/01/6D]
[B-/01/6C]
[R-/04/9B]
/Z相
Z相
/Z相
Z相
:4
:3
:2
:1
:5
:6
:4
:1
:3
-X12103
:2
:3
:3
-B2102
:2
BR
BL
BK
WH
OUT(L.ON)
-
+
:4
:1
-B2102
-B2101
:1
:4
+
-
OUT(L.ON)
WH
BK
BL
BR
:2
-B2101
-L136
-L236
-L336
-L121
-L221
BGから
BGから
L11
L21
P
C
D
CN11-X2411
-X2410
CN10
AC200V
3φAC200V
L1
L3
L2
-X2405
CN5
-X2412
10B
CN12
24B1L
-X9701
CN1
CN3
-X2103
-X9702
CN2
(24B1R)
24B1L10B
(24B1R)
10B
24B1
DC-DC
0V
+5V
-L326
-L226
-L126
-L121
-L221
分配基板
-X2203
CN3
L2
L3
L1
3φAC200V
AC200V
D
C
P
L21
L11
BGから
BGから
CN6
-X2406
CN3
-X9703
-X9704
CN4
エンコーダ信号分配基板
HH-G300
U
HM-G300
U
CD-G110
LF
(UB18)
-U24
2
1
5
3
4
6
3
5
4
6
Xビーム軸
X軸 オーバーラン(-)
X軸 オーバーラン(+)
-A21
X軸
5
20
19
3
18
8
17
7
16
6
(A相)
(B相)
(/B相)
(/A相)
2
1
SD
プレート
3
19
20
5
6
16
7
17
8
18
18
8
LZ
LZR
17
7
LB
LBR
16
6
LA
LAR
COM
LSN
LSP
SG
5
20
19
3
5
20
19
3
-A22
Y1軸
3
19
20
5
SG
LSP
LSN
COM
LAR
LA
6
16
LBR
LB
7
17
LZR
LZ
8
18
プレート
SD
Yビーム軸
18
8
17
7
16
6
5
20
19
3
6
16
7
17
8
18
-X963A(-X963B)
:16
:17
:7
:6
17
7
16
6
(リード浮きI/F基板)へ
(A相)
(B相)
(/B相)
(/A相)
-U96(UB29)
-U97
(UB30)
(/A相)
(/B相)
(B相)
(A相):6
:7
:17
:16
X19401(X29401/X39401/X4901)
ノート(a)
X19401(X29401/X39401/X4901)
:16
:17
:7
:6
ノート(c)
ノート(c)
X19401(X29401/X39401/X4901)
U94(UB07:カウンタボード)へ
U94(UB07:カウンタボード)へ
X19401(X29401/X39401/X4901)
ノート(b)
ノート(d)
(a) 多機能ヘッドが取付けられた場合にのみ接続されます。
(b) 高速ヘッドが取付けられた場合にのみ接続されます。
(c) センサヘッドがBlock-Aの場合にX19401
(センサヘッドがBlock-B/C/Dの場合はそれぞれX29401/X39401/X4901)。
(d) センサヘッドが後面取付の場合にX963A(前面側取付の場合はX963B)。
ノート

75
リード浮きコントローラ部 (CD-G060)
リード浮きコントローラ部 (CD-G060)
0710-001 A(M845WLF--1009)
)
[F-/02/2C]
-X965A
-X965B
CN5B
CN5A
-X9604
CN4
-X963B
CN3B
CN3A
-X963A
CN2
-X9602
-X9601
CN1
(リード浮きI/F基板)
10A
24A1
P_OFF
24B1
MEAS(A)
24B1
MEAS(B)
24B1
LA(A)
LAR(A)
LB(A)
LBR(A)
SD
LA(B)
LAR(B)
LB(B)
LBR(B)
SD
K100_N
K100_P
COM(A)
MEAS(A)
+YA(A)
-YA(A)
+YB(A)
-YB(A)
COM(B)
MEAS(B)
+YA(B)
-YA(B)
+YB(B)
-YB(B)
K1
A2 A1
-K100
-736
-735
-734
-L270
-L170
(工業用コンピュータ)
SENS.CNT
10Base-T
X9606
-X975A
MEAS.CNT
MEAS.CNT
-X975A
-B97
SENS
-B97
DC24V
-DC24V
-F70
:1
:3
:1
:2
:3
-X976A
-X976B
:3
:2
:1
:3
:1
-F71
-DC24V
DC24V
-B97
SENS
-B97
SENS.CNT
:1
:2
-X19601
-X1240
:2
:1
:1
:2
-X1238
-X1239
:2
:1
:6
:16
-X9704
:17
:7
:7
:17
-X9704
:16
:6
-X9608
F-U72
HUBへ
切替器へ
FA-U73
1
-X9607
RGB
-1101
CD-G060
LF
CD-G060
LF
-K100より
安全回路よ
り
U97(UB30)
より
U97(UB30)
より
U12(UB14)
より
AC200V
(信号処理ボード)
-P97B
USB
RS232C
-P97A
(信号処理ボード)
20
19
18
17
10
5
2
1
17
16
6
7
7
6
16
17
10
9
6
5
1
2
2
1
-U96(UB29)
5
10
17
18
19
20
-A96
20
19
18
17
10
5
5
10
17
18
19
20
(センサーヘッド)
(センサーヘッド)
X7206(X7205)
:2
:3
:6
:5
:4
:7
:8
FG
:1
1
3
2
4
5
6
RX-
N.C.
N.C.
TX-
RX+
TX+
N.C.
7
N.C.
8
X7311(X7310)
FG
:8
:13
:10
:7
:6
:5
:2
:3
:1
:14
FG
3
2
5
6
4
N.C.
R-GND
GND
GREEN
BLUE
RED
G-GND
7
10
11
12
13
14
15
N.C.
GND
N.C.
N.C.
H-SYNC
V-SYNC
N.C.
B-GND
9
8
ノート(a)
ノート(b)
ノート(c)
ノート(d)
※1
※2
(a) センサヘッドが後面側取付の場合に接続されます。
(b) センサヘッドが前面側取付の場合に接続されます。
(c) 工業用コンピュータがStage-2側取付の場合に”X7311”、Stage-1側取付の場合には”X7310”に接続します。
(d) 工業用コンピュータがStage-2側取付の場合に”X7206”、Stage-1側取付の場合には”X7205”に接続します。
ノート

76
認識接続図
認識接続図
0710-001 A(M845WLF--1008)
ROBOT CABLE
ROBOT CABLE
シールド
シールド
シールド
シールド
シールド
シールド
シールド
ROBOT CABLE
ROBOT CABLE
ROBOT CABLE
シールド
シールド
シールド
TRG-B
TRG-A
GND
TRG-D
TRG-C
1
CN5
CN1
基板認識照明(同軸)
1
+24V
+24V
基板認識照明(リング)
OUT-A1
+24V
OUT-A4
+24V
OUT-A3
CN6
OUT-A2
U94
U95
-E39(1)
CH3 作動A相入力+
B44
B43
B42
B41
A43
A42
A41
CH7 作動B相入力-
CH7 作動A相入力+
CH7 作動B相入力+
CH3 作動B相入力-
CH7 作動A相入力-
CH3 作動B相入力+
CH3 作動A相入力-
8
7
6
5
56
55
54
53
A44
CH2 作動A相入力+
B36
B35
B34
B33
A35
A34
A33
CH6 作動B相入力-
CH6 作動A相入力+
CH6 作動B相入力+
CH2 作動B相入力-
CH6 作動A相入力-
CH2 作動B相入力+
CH2 作動A相入力-
16
15
14
13
64
63
62
61
A36
CH1 作動A相入力+
B28
B27
B26
B25
A27
A26
A25
CH5 作動B相入力-
CH5 作動A相入力+
CH5 作動B相入力+
CH1 作動B相入力-
CH5 作動A相入力-
CH1 作動B相入力+
CH1 作動A相入力-
24
23
22
21
72
71
70
69
A28
A20
CH7 ワンショット出力
CH6 ワンショット出力
CH5 ワンショット出力
CH4 ワンショット出力
コネクタケース
77
78
79
80
29
30
31
32
41
91
90
93
92
42
43
44
45
CH1 ワンショット出力
CH0 ワンショット出力
CH0 作動A相入力-
CH0 作動A相入力+
CH0 作動B相入力+
GND
CH2 ワンショット出力
CH3 ワンショット出力
A04
A05
A06
A07
B05
B04
CH4 作動A相入力-
CH0 作動B相入力-
CH4 作動B相入力+
CH4 作動A相入力+
CH4 作動B相入力-
B07
B06
A08
A17
A18
A19
B17
B18
B19
B20
-X19506
:1
:2
:3
:4
:5
:6
-X12507
:1
:2
:3
:4
:5
:6
2
3
4
-X2507
:8
:9
:10
:11
:12
:13
-X2508
:1
:2
:3
:4
-U25(1)
-E39
CN7
-E39(2)
-X19506
:1
:2
:3
:4
:5
:6
:1
:2
:3
:4
:5
:6
-U25(2)
CN8
-E39(3)
-X19506
:1
:2
:3
:4
:5
:6
:1
:2
:3
:4
:5
:6
-U25(3)
CN9
-E39(4)
-X19506
:1
:2
:3
:4
:5
:6
:1
:2
:3
:4
:5
:6
-U25(4)
-X12507
-X12507
-X12507
2
3
4
5
1
2
3
4
5
6
OUT-A1
+24V
OUT-A4
+24V
OUT-A3
OUT-A2
1
2
3
4
5
6
OUT-A1
+24V
OUT-A4
+24V
OUT-A3
OUT-A2
1
2
3
4
5
6
OUT-A1
+24V
OUT-A4
+24V
OUT-A3
OUT-A2
1
2
3
4
5
6
-X2509 :1
:2
1
+24V
基板認識照明(リング)
2
3
4
-X2507
:8
:9
:10
:11
:12
:13
-X2508
:1
:2
:3
:4
-E39
-X2509 :1
:2
1
+24V
基板認識照明(リング)
2
3
4
-X2507
:8
:9
:10
:11
:12
:13
-X2508
:1
:2
:3
:4
-E39
-X2509 :1
:2
1
+24V
基板認識照明(リング)
2
3
4
-X2507
:8
:9
:10
:11
:12
:13
-X2508
:1
:2
:3
:4
-E39
-X2509 :1
:2
基板認識照明(同軸)
+24V
基板認識照明(同軸)
+24V
基板認識照明(同軸)
+24V
CD-G110
LF
CD-G060
LF
CD-G110
LF
CD-G060
LF
bus
X9509
X9508
X9507
X9505
X9506
X9401
X19401
X29401
X39401
X49401
シェル
:1
:2
:5
:3
:1
:2
:5
:3
:1
:2
:5
:3
:3
:5
:2
:1
-X9704:6
基板認識照明
カウンタボード
照明コントロールボード
シェル
シェル
シェル
/B相
B相
/A相
A相
/B相
B相
/A相
A相
/B相
B相
/A相
A相
/B相
B相
/A相
A相
-X9704:16
-X9704:7
-X9704:17
BA(1)
BA(2)
BC(3)
BC(4)
基板認識照明
基板認識照明
基板認識照明
-X9704(-X2405) [ Block-2 ]
-X9704(-X2405) [ Block-1 ]
ノート(a)
-X9704(-X2405) [ Block-3 ]
-X9704(-X2405) [ Block-4 ]
ノート(b)
ノート(a)
ノート(b)
-X9704:6
-X9704:16
-X9704:7
-X9704:17
-X9704:6
-X9704:16
-X9704:7
-X9704:17
-X9704:6
-X9704:16
-X9704:7
-X9704:17
-X9704・・・-U97(UB29)
or -X2405・・・-U24(UB18)
へ
-X9704・・・-U97(UB29)
or -X2405・・・-U24(UB18)
へ
-X9704・・・-U97(UB29)
or -X2405・・・-U24(UB18)
へ
-X9704・・・-U97(UB29)
or -X2405・・・-U24(UB18)
へ
認識BOX
(a) CD-G110のセンサヘッドが後面側取付の場合を表します。
コネクタ番号は多機能ヘッド時、
( )内は高速ヘッド時の接続先を表します。
(b) CD-G060のセンサヘッドが前面側取付の場合を表します。
コネクタ番号は多機能ヘッド時、
( )内は高速ヘッド時の接続先を表します。
ノート