OM-1466-001_w - 第80页
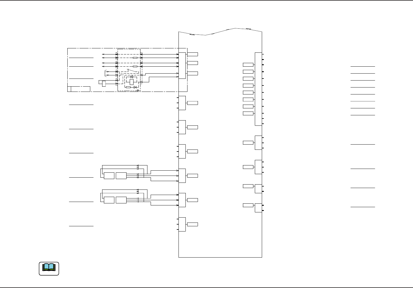
77 0710-001 -(M845WLF--1003) U05 I/O STLT ILB+PWR(L) 5/5 (UB64) 24A1 1 -X0527 CN27 2 3 4 5 6 -734 :5 CN9602 :6 :9 :10 :1 :2 :10 CN965A :5 :10 CN965B :5 :1 CN9601 :1 R2 R3 :2 :2 CN9604 リード浮き後面測定開始(OP) U96 K1 -K100 A2 A1 …

76
認識接続図
認識接続図
0710-001 A(M845WLF--1008)
ROBOT CABLE
ROBOT CABLE
シールド
シールド
シールド
シールド
シールド
シールド
シールド
ROBOT CABLE
ROBOT CABLE
ROBOT CABLE
シールド
シールド
シールド
TRG-B
TRG-A
GND
TRG-D
TRG-C
1
CN5
CN1
基板認識照明(同軸)
1
+24V
+24V
基板認識照明(リング)
OUT-A1
+24V
OUT-A4
+24V
OUT-A3
CN6
OUT-A2
U94
U95
-E39(1)
CH3 作動A相入力+
B44
B43
B42
B41
A43
A42
A41
CH7 作動B相入力-
CH7 作動A相入力+
CH7 作動B相入力+
CH3 作動B相入力-
CH7 作動A相入力-
CH3 作動B相入力+
CH3 作動A相入力-
8
7
6
5
56
55
54
53
A44
CH2 作動A相入力+
B36
B35
B34
B33
A35
A34
A33
CH6 作動B相入力-
CH6 作動A相入力+
CH6 作動B相入力+
CH2 作動B相入力-
CH6 作動A相入力-
CH2 作動B相入力+
CH2 作動A相入力-
16
15
14
13
64
63
62
61
A36
CH1 作動A相入力+
B28
B27
B26
B25
A27
A26
A25
CH5 作動B相入力-
CH5 作動A相入力+
CH5 作動B相入力+
CH1 作動B相入力-
CH5 作動A相入力-
CH1 作動B相入力+
CH1 作動A相入力-
24
23
22
21
72
71
70
69
A28
A20
CH7 ワンショット出力
CH6 ワンショット出力
CH5 ワンショット出力
CH4 ワンショット出力
コネクタケース
77
78
79
80
29
30
31
32
41
91
90
93
92
42
43
44
45
CH1 ワンショット出力
CH0 ワンショット出力
CH0 作動A相入力-
CH0 作動A相入力+
CH0 作動B相入力+
GND
CH2 ワンショット出力
CH3 ワンショット出力
A04
A05
A06
A07
B05
B04
CH4 作動A相入力-
CH0 作動B相入力-
CH4 作動B相入力+
CH4 作動A相入力+
CH4 作動B相入力-
B07
B06
A08
A17
A18
A19
B17
B18
B19
B20
-X19506
:1
:2
:3
:4
:5
:6
-X12507
:1
:2
:3
:4
:5
:6
2
3
4
-X2507
:8
:9
:10
:11
:12
:13
-X2508
:1
:2
:3
:4
-U25(1)
-E39
CN7
-E39(2)
-X19506
:1
:2
:3
:4
:5
:6
:1
:2
:3
:4
:5
:6
-U25(2)
CN8
-E39(3)
-X19506
:1
:2
:3
:4
:5
:6
:1
:2
:3
:4
:5
:6
-U25(3)
CN9
-E39(4)
-X19506
:1
:2
:3
:4
:5
:6
:1
:2
:3
:4
:5
:6
-U25(4)
-X12507
-X12507
-X12507
2
3
4
5
1
2
3
4
5
6
OUT-A1
+24V
OUT-A4
+24V
OUT-A3
OUT-A2
1
2
3
4
5
6
OUT-A1
+24V
OUT-A4
+24V
OUT-A3
OUT-A2
1
2
3
4
5
6
OUT-A1
+24V
OUT-A4
+24V
OUT-A3
OUT-A2
1
2
3
4
5
6
-X2509 :1
:2
1
+24V
基板認識照明(リング)
2
3
4
-X2507
:8
:9
:10
:11
:12
:13
-X2508
:1
:2
:3
:4
-E39
-X2509 :1
:2
1
+24V
基板認識照明(リング)
2
3
4
-X2507
:8
:9
:10
:11
:12
:13
-X2508
:1
:2
:3
:4
-E39
-X2509 :1
:2
1
+24V
基板認識照明(リング)
2
3
4
-X2507
:8
:9
:10
:11
:12
:13
-X2508
:1
:2
:3
:4
-E39
-X2509 :1
:2
基板認識照明(同軸)
+24V
基板認識照明(同軸)
+24V
基板認識照明(同軸)
+24V
CD-G110
LF
CD-G060
LF
CD-G110
LF
CD-G060
LF
bus
X9509
X9508
X9507
X9505
X9506
X9401
X19401
X29401
X39401
X49401
シェル
:1
:2
:5
:3
:1
:2
:5
:3
:1
:2
:5
:3
:3
:5
:2
:1
-X9704:6
基板認識照明
カウンタボード
照明コントロールボード
シェル
シェル
シェル
/B相
B相
/A相
A相
/B相
B相
/A相
A相
/B相
B相
/A相
A相
/B相
B相
/A相
A相
-X9704:16
-X9704:7
-X9704:17
BA(1)
BA(2)
BC(3)
BC(4)
基板認識照明
基板認識照明
基板認識照明
-X9704(-X2405) [ Block-2 ]
-X9704(-X2405) [ Block-1 ]
ノート(a)
-X9704(-X2405) [ Block-3 ]
-X9704(-X2405) [ Block-4 ]
ノート(b)
ノート(a)
ノート(b)
-X9704:6
-X9704:16
-X9704:7
-X9704:17
-X9704:6
-X9704:16
-X9704:7
-X9704:17
-X9704:6
-X9704:16
-X9704:7
-X9704:17
-X9704・・・-U97(UB29)
or -X2405・・・-U24(UB18)
へ
-X9704・・・-U97(UB29)
or -X2405・・・-U24(UB18)
へ
-X9704・・・-U97(UB29)
or -X2405・・・-U24(UB18)
へ
-X9704・・・-U97(UB29)
or -X2405・・・-U24(UB18)
へ
認識BOX
(a) CD-G110のセンサヘッドが後面側取付の場合を表します。
コネクタ番号は多機能ヘッド時、
( )内は高速ヘッド時の接続先を表します。
(b) CD-G060のセンサヘッドが前面側取付の場合を表します。
コネクタ番号は多機能ヘッド時、
( )内は高速ヘッド時の接続先を表します。
ノート

770710-001 -(M845WLF--1003)
U05 I/O STLT ILB+PWR(L) 5/5
(UB64)
24A1
1
-X0527
CN27
2
3
4
5
6
-734
:5
CN9602
:6
:9
:10
:1
:2
:10
CN965A
:5
:10
CN965B
:5
:1
CN9601
:1
R2
R3
:2
:2
CN9604
リード浮き後面測定開始(OP)
U96
K1
-K100
A2 A1
リード浮き前面測定開始(OP)
リード浮きユニット電源切断
24B1L
-735
24B1L
-736
24B1L
10A
24A1
1
2
3
CN28
1
CN29
1
CN30
1
-X0531
CN31
2
3
2
3
2
3
1
-X0532
CN32
2
3
1
CN33
2
3
IO_DO 8
IO_DO 9
IO_DO 10
INT_DI 2
INT_DI 7
INT_DI 8
INT_DI 18
INT_DI 19
INT_DI 20
GND(10B)
24V(B1)
GND(10B)
24V(B1)
GND(10B)
24V(B1)
GND(10B)
24V(B1)
GND(10B)
24V(B1)
GND(10B)
24V(B1)
24V(B1)
24V(B1)
24V(B1)
(UB29)
1
CN36
1
CN37
1
CN38
2
3
2
3
2
3
4
5
6
7
8
9
10
11
12
1
CN34
2
1
CN35
2
INT_DI 21
INT_DI 22
INT_DI 23
INT_DI 24
INT_DI 25
INT_DI 26
INT_DI 27
INT_DI 28
IO_DI 14
IO_DI 15
INT_DO 14
INT_DO 15
GND(10B)
GND(10B)
24V(B1)
24V(B1)
GND(10B)
24V(B1)
GND(10B)
24V(B1)
24V(B2)
24V(B2)
:1
:2
:3
-B0531
-B0531
-
OUT
+
-B0531T
-
+
:1
:2
:3
-B0531T
:1
:2
:3
-B0532
-
OUT
+
-B0532T
-
+
:1
:2
:3
-B0532T
-519
-520
10BL
24B1L
10BL
24B1L
I/O P.C.B
STLT_ILB+PWR
-U05(L)
CD-G110
LF
バックアップピン確認2[NA]
バックアップピン確認1[NA]
フィーダ開口部センサ検出(1)
OP
フィーダ開口部センサ検出(2)
OP
RESERVED
-B0532
工業用コンピュータがStage-1側取付の場合に接続されます。
ノート

78
U05 I/O STLT ILB+PWR(R) 5/5
0710-001 -(M845WLF--1004)
(UB64)
-G04(DC24V)
1
-X0527
CN27
2
3
4
5
6
-734
:5
CN9602
:6
:9
:10
:1
:2
:10
CN965A
:5
:10
CN965B
:5
:1
CN9601
:1
R2
R3
:2
:2
CN9604
リード浮き後面測定開始(OP)
K1
-K100
A2 A1
リード浮き前面測定開始(OP)
リード浮きユニット電源切断
24B1R
-735
24B1R
-736
24B1R
10G
24G
1
2
3
CN28
1
CN29
1
CN30
1
-X0531
CN31
1
CN36
1
CN37
1
CN38
2
3
2
3
2
3
1
-X0532
CN32
2
3
2
3
2
3
2
3
4
5
6
7
8
9
10
11
12
1
CN34
2
1
CN35
2
1
CN33
2
3
IO_DO 8
IO_DO 9
IO_DO 10
INT_DI 2
INT_DI 7
INT_DI 8
INT_DI 18
INT_DI 19
INT_DI 20
INT_DI 21
INT_DI 22
INT_DI 23
INT_DI 24
INT_DI 25
INT_DI 26
INT_DI 27
INT_DI 28
IO_DI 14
IO_DI 15
INT_DO 14
INT_DO 15
GND(10B)
GND(10B)
24V(B1)
24V(B1)
GND(10B)
24V(B1)
GND(10B)
24V(B1)
GND(10B)
24V(B1)
GND(10B)
24V(B1)
GND(10B)
24V(B1)
GND(10B)
24V(B1)
GND(10B)
24V(B1)
GND(10B)
24V(B1)
24V(B2)
24V(B2)
24V(B1)
24V(B1)
24V(B1)
U96
(UB29)
:1
:2
:3
-B0531
-B0531
-
OUT
+
-B0531T
-
+
:1
:2
:3
-B0531T
:1
:2
:3
-B0532
-B0532
-
OUT
+
-B0532T
-
+
:1
:2
:3
-B0532T
-519
-520
10BR
24B1R
10BR
24B1R
I/O P.C.B
STLT_ILB+PWR
-U05(R)
CD-G110
LF
バックアップピン確認2[NC]
バックアップピン確認1[NC]
フィーダ開口部センサ検出(3)
OP
フィーダ開口部センサ検出(4)
OP
RESERVED
ノート
工業用コンピュータがStage-1側取付の場合に接続されます。