CP63HP Technical Reference_CS_Ver - 第8页
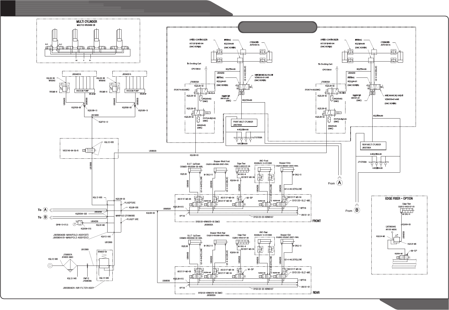
B.U.T Up/Down Stopper-Work Front AR4000-04 AF4000-04BC KQL12-04S UB0425B UB1280B ANC-Front CXSM25-KRU0004-30-A93L KPT18 AN101-01 KQ2L08-01S KPT18 UB0850B GP46-10-01L5 KQ2L08-03 SYS3120-KRW0079-05 (SMC) MANIFOLD (J7158003…

C
over Ass’y
7 Page
SAMSUNG TECHWIN
Part Photo
J7054237A SUPPORT-COVER J7154248A HEAD-IF-COVER

B.U.T Up/Down
Stopper-Work Front
AR4000-04
AF4000-04BC
KQL12-04S
UB0425B
UB1280B
ANC-Front
CXSM25-KRU0004-30-A93L
KPT18
AN101-01
KQ2L08-01S
KPT18
UB0850B
GP46-10-01L5
KQ2L08-03
SYS3120-KRW0079-05 (SMC)
MANIFOLD (J7158003B)
KQ2E04-01S
KQL04-M5
UB0425B
SY3120-5LZ-M5
KQL08-03S
UB1280B
CDQ2B10-KRU0568-25R(F)-F9BVL
U2-4-4*2.5(YELLOW)
KQ2VD04-02S
UB0425B
KQ2L06
KQL12-04S
KQH12-04S
KQL12-03S
REAR MULTI CYLINDER
AN101-01
KQ2L04-01
(SMC KOREA)
(SMC)
SILENCER
FITTING
R1
P
R2
A
B
SPEED CONTROLLER
AS1201F-M5-04
(SMC KOREA)
FITTING
KQ2T04-00
(SMC KOREA)
MECHANICAL VALVE
VZM550-01-34R
(SMC KOREA)
J6701031A
CYLINDER
FITTING
SILENCER
(SMC KOREA)
KQ2L04-01
(SMC)
AN101-01
(SMC KOREA)
AS1201F-M5-04
SPEED CONTROLLER
MECHANICAL VALVE
VZM550-01-34R
FRONT MULTI CYLINDER
R1
R2
P
A
B
(SMC KOREA)
(SMC KOREA)
KQ2T04-00
FITTING
CYLINDER
UB0425B
U2-4-6*4(YELLOW)
SYJ724-5LZ-02
(SMC)
SYJA714-02(SMC)
CPS15M-8
UB0850B
KQU08-00
AN203-02
(SMC)
M-5H-4
KQ2T04-00
KQ2L08-02
KQ2L08-02
AN203-02
(SMC)
KQ2L08-02
KQ2L08-02
AN203-02
(SMC)
SYJ724-5LZ-02
(SMC)
AN203-02
(SMC)
M-5H-4
CPS15M-8
KQ2T04-00
J7058005A J7058005A
To Docking Cart
To Docking Cart
UB0425B UB0425B
KQ2L08-02
KQ2L08-02
KQ2L08-02
KQ2L08-02
SYJA714-02(SMC)
UB1280B
B
From
To
A
B
To
KQ2T04-00
J7157056A
4-KQ2T04-00
4-KCE04-00
4-KCE04-00
J7157056A
4-KQ2T04-00
KQ2T04-00
From
A
J9057060A
J9057060A
J9058055A
KQL12-04S
RVUM6-6
UB0640B
KQ2R06-08
KQ2U08-10
VACUUM PUMP
X5-6CF
WR0640
KQL06-99
J9054031A
UB0640B
WR0640
KQL06-99
RVUM6-6
VACUUM PUMP
X5-6CF
J9054031A
J6701031A
VXD2140-04-5G-B
PLUG[PT 3/8]
PMP12
J7058007A
J7058008A
J9058040B-MANIFOLD ASSY(ST)
J9058041B-MANIFOLD ASSY(DC)
PLUG[PT3/8]
KQ2T10-12
KQ2U08-10
KQ2R06-08
UB1065B
UB0850B
UB0850B
UB0640B
UB0425B
U2-4-4*2.5(YELLOW)
U2-4-4*2.5(BLUE)
U2-4-4*2.5(BLUE)
U2-4-4*2.5(BLUE)
J9058042A-AIR FILTER ASSY
UB0425B
Edge Fixer
CQ2B12-KRC0137-2B
UB0640B
UB0850B
UB0425B
UB0425B
U2-4-6*4(YELLOW)
U2-4-4*2.5(BLUE)
UB0425B
UB0425B
U2-4-4*2.5(YELLOW)
U2-4-4*2.5(YELLOW)
Edge Fixer
Stopper-Work Rear
B.U.T Up/Down
ANC-Rear
Stopper-Entry
Stopper-Exit
M-5P
KQU08-00
CDQ2B10-KRU0347-25R(F)-F9BVL
M-5AU-4
M-3ALU-3 M-3ALU-3
M-3ALU-3 M-3ALU-3
M-5AU-4
AS1301F-M5-04
AS1301F-M5-04
AS1211F-M5-06
BDAS6x10-1A-ZC153B2
BDAS6x10-1A-ZC153B2
KQ2S04-M5
3
2
1
N,O
KQ2S04-M5
M-5P
AR1000-M5BG
KQ2L04-M5
KQ2L04-M5
UB0425B
KQH04-00
M-5AU-4
CQ2B12-KRC0137-2B
Edge Fixer
R2
2
3 1
N,C
R1P
MULTI12-KRU0459-29
KQH04-00
AS1211F-M5-04
AS1211F-M5-04
KQ2S04-M5
KQ2S04-M5
AS1211F-M5-04
SYS3120-20-KRW0107
CXSM25-KRU0004-30-A93L
CDQ2B10-KRU0568-25R(F)-F9BVL
CQ2B12-KRC0137-2B
CDQ2B10-KRU0347-25R(F)-F9BVL
KQH04-00
KQ2L06
AS1211F-M5-06
KQ2S04-M5
AS1211F-M5-04
AS1211F-M5-04
M-5P
KQ2S04-M5
KQ2S04-M5
AS1211F-M5-04
SY3120-5LZ-M5
KPT18
AN101-01
KQ2L08-01S
KPT18
J9058055A
SYS3120-KRW0079-05 (SMC)
SYS3120-20-KRW0107
(J6709004A)
KQL12-03S
Docking Cart Option
FRONT
REAR
EDGE FIXER - OPTION
MULTI CYLINDER
A
ir Ass’y
8 Page
SAMSUNG TECHWIN
Docking Cart Option

A
ir Ass’y
9 Page
SAMSUNG TECHWIN
1
8
1
2
1
1
4
1
4
1
2
2
1
1
J6709012A
J1301700
J6711116A
J9058055B
J7069029D
J6711154A
J1301187
J9058042A
J6708016A
J7500010A
J1300440
J1300210
J1301175
J7058007B
J6713001A
J6713003A
J6713004A
J6713018A
J6713019A
J6713020A
J6713021A
REGULATOR
CHECK UNION
BULKHEAD UNION FITTING
SOLENOID VALVE ASS'Y
BKT-SOL VALVE
UNION Y
ELBOW FITTING
(CP-60) AIR FILTER ASS'Y
AIR FILTER
COUPLER
SOCKET HEAD SCREW
SPRING WASHER [M5]
AIR FILTER
BKT-AIR FILTER
POLY URETHAN TUBE
POLY URETHAN TUBE
AIR TUBE
AIR TUBE (POLYURETHANE)
AIR TUBE (POLYURETHANE)
AIR TUBE (POLYURETHANE)
AIR TUBE (POLYURETHANE)
TAR4000-04
KCE04-00
KQ2E04-01S
J9058055B
J7069029D
KQU08-00
KQ2L12/PL12-04
J9058042A
AF40-04BC
J7500010A
M5*15
M5
AF4000-04BC
J7058007B
UB1280B-5
TU0640B
TU0425B
J6713018A
J6713019A
J6713020A
TU1280B
1
2
3
4
5
6
7
8
9
10
11
12
13
14
15
16
17
18
19
20
21
22
23
24
25
26
27
Part List
NO. LEVEL PART NO. PART NAME Q'TY TYPE Old No. Stock Reference