N7202A057B12(1)DX-partlist2.pdf - 第285页
Ref No. Remarks R 1 Q'ty 14- F 軽量8ノズルヘッド Light W eight 8 Nozzle Head イラスト No. Part No. 品 名 品 番 数量 R 2 パーツリスト Kit No. キット品番 Kit Name キット名称 N610166370AA Part Nam e 備 考 セク ション No . PARTS LIST Section No. R 3 MANI FOLD …

14-F
軽量8ノズルヘッド
Light Weight 8 Nozzle Head
パーツレイアウト
Kit No.
キット品番
Kit Name
キット名称
N610166370AA
セクションNo.
PARTS LAYOUT
Section No.
--
O59
( KN610166370AA-09-6 )

Ref
No.
Remarks R
1
Q'ty
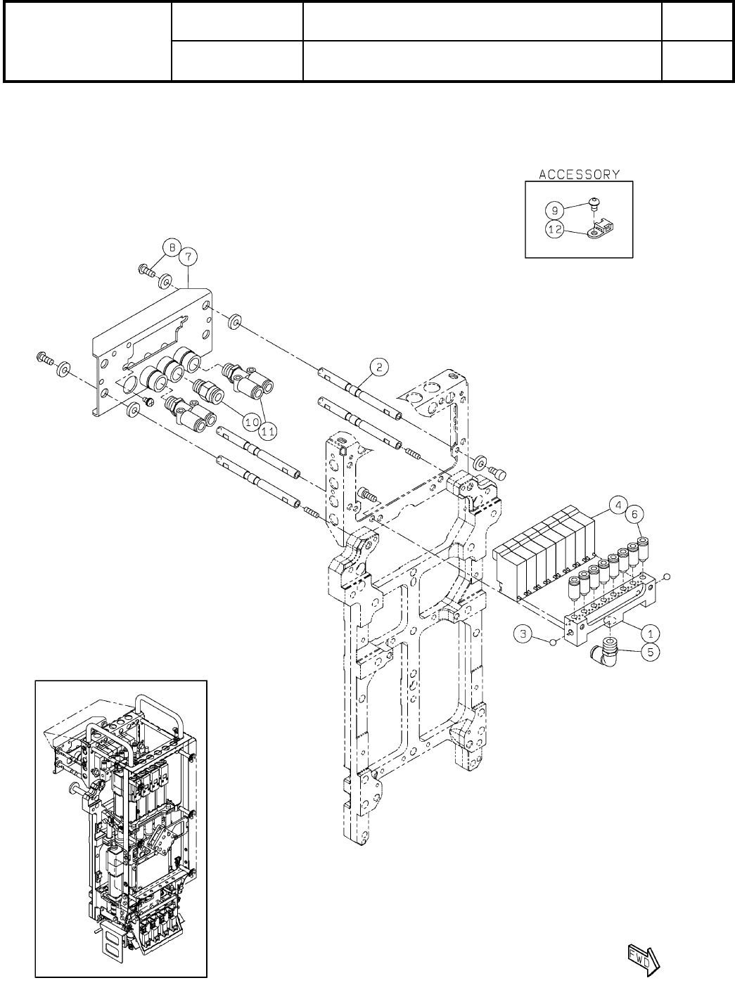
14-F
軽量8ノズルヘッド
Light Weight 8 Nozzle Head
イラスト
No.
Part No.
品 名品 番 数量
R
2
パーツリスト
Kit No.
キット品番
Kit Name
キット名称
N610166370AA
Part Name
備 考
セクションNo.
PARTS LIST
Section No.
R
3
MANIFOLD
1
1 MTPA000059AA
POST
4
2 N210193583AA
STEEL-BALL
2
3 KXF081WAA00 4.5mm
VALVE
8
4 N510057620AA VQ111U-5MO-X480
JOINT
1
5 N510066794AA KQ2L06-01NS
JOINT
8
6 N510066825AA KQ2S04-M5N
COUPLER
1
7 N510068214AA MA-MS10PF-3LFT(CS38669-0)
BOLT
6
8 N510002011AA SRBS-M4X10
BOLT
19
9 N510017534AA
SSS 003 Hexagon socket button head screw M4X6-10.9 A2J (Trivalent)
JOINT
1
10 N510067913AA FR6-01M
JOINT
2
11 N510067530AA KQ2U06-01AS
CLIP
21
12 KXF0BLPAA00 TA1S8-M
O60
--
( KN610166370AA-09-6 )

15
軽量8ノズルヘッド制御
Light Weight 8 Nozzle Head (H)
パーツレイアウト
Kit No.
キット品番
Kit Name
キット名称
N610165001AA
セクションNo.
PARTS LAYOUT
Section No.
--
O61
( KN610165001AA-03A )