N7202A057B12(1)DX-partlist2 - 第89页
Ref No. Remarks R 1 Q'ty 19-A ヘッドオプショ ン駆動ユニット:NP M-DX Head Option Driv ing Unit:NPM -DX イラスト No. Part No. 品 名 品 番 数量 R 2 パーツリスト Kit No. キット品番 Kit Name キット名称 MTKA003681AA Part Nam e 備 考 セク ション No . PARTS LIST Section…

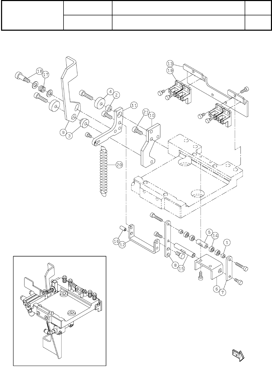
19-A
ヘッドオプション駆動ユニット:NPM-DX
Head Option Driving Unit:NPM-DX
パーツレイアウト
Kit No.
キット品番
Kit Name
キット名称
MTKA003681AA
セクションNo.
PARTS LAYOUT
Section No.
--
S61
( KMTKA003681AA-09-1 )

Ref
No.
Remarks R
1
Q'ty
19-A
ヘッドオプション駆動ユニット:NPM-DX
Head Option Driving Unit:NPM-DX
イラスト
No.
Part No.
品 名品 番 数量
R
2
パーツリスト
Kit No.
キット品番
Kit Name
キット名称
MTKA003681AA
Part Name
備 考
セクションNo.
PARTS LIST
Section No.
R
3
SPRING
4
1 N210095851AA
BLOCK
1
2 N210096734AA
WASHER
1
3 N210117330AA
SPRING
1
4 N210096545AA
GUIDE
1
5 N210096547AA
BLOCK
1
6 N210106405AA
GUIDE
1
7 N210092263AB
BRACKET
1
8 MTPB006901AA
HANDLE
1
9 N210114670AD
PLATE
1
10 N210097401AD
PIN
2
11 N510020608AA MMS5-15
PIN
2
12 N510020609AA MMS5-20
JOINT
1
13 N510066662AA KQ2L04-M5A
VALVE
1
14 MTNP000891AA VQZ115-5MOZ1-M5-PR-X550
SILENCER
1
15 KXF00WCAA00 AN120-M5
JOINT
1
16 N510066461AA KQ2L06-M5A
WASHER
8
17 N510018472AA
Iron round plain washer3X10X1.0(chromeite) A2J (Trivalent)
SPACER
4
18 N510017094AA CB-320E
SPACER
2
19 N510030918AA CB-301E
BEARING
2
20 N510039650AA 693T12AZZMC3
SPACER
2
21 N510029528AA CF-309E
WASHER
1
22 N510026609AA LLRB8-0.5
SPEED-CONTROLLER
2
23 N510040546AA AS1211F-M5-04-15-X250
JOINT
1
24 N510066708AA KQ2R06-04A
SILENCER
1
25 N510064383AA AN10-C06
BOLT
2
26 N510040299AA
Hexagon socket head cap screw M10X20-10.9 A2S (Trivalent)
BOLT
2
27 N510017536AA
SSS 003 Hexagon socket button head screw M4X8-10.9 A2J (Trivalent)
CLIP
2
28 KXF0BLPAA00 TA1S8-M
BOLT
2
29 N510067808AA
Ultra Low Head Cap Screw M4X8-8.8 A2J(Trivalent)
CYLINDER(300mm)
1
30 N610123946AB
PLATE
1
31 MTKP003700AB
S62
--
( KMTKA003681AA-09-1 )

19-B
ヘッドオプション駆動ユニット:NPM-DX
Head Option Driving Unit:NPM-DX
パーツレイアウト
Kit No.
キット品番
Kit Name
キット名称
MTKA003681AA
セクションNo.
PARTS LAYOUT
Section No.
--
S63
( KMTKA003681AA-09-2 )