Hanwha SM482 PLUS Multi-Functional Placer - 第130页
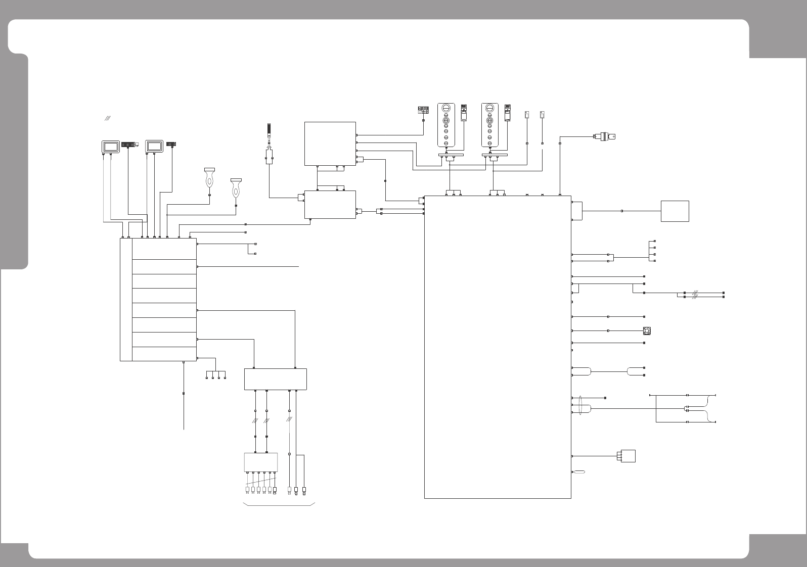
Page +$1:+$ 130 SM482 PLUS SM482 PLUS Harness Wiring Diagram(1/6) FLA T CABLE TOWER LAMP FL Y CAM1~6 SM471-VIS011 G R S T M E E CHANGE F/FEEDER RESET STOP START READY E O P C N Y RESET F/FEEDER CHANGE STOP START READY P …

Page
+$1:+$
129
SM482
PLUS

Page
+$1:+$
130
SM482
PLUS
SM482 PLUS Harness Wiring Diagram(1/6)
FLAT CABLE
TOWER LAMP
FLY CAM1~6
SM471-VIS011
G
R
S
T
M
E
E
CHANGE
F/FEEDER
RESET
STOP
START
READY
E
O
P
C
N
Y
RESET
F/FEEDER
CHANGE
STOP
START
READY
P
O
T
S
Y
N
C
E
E
E
M
R
G
<FRONT-OP> <REAR-OP>
INDUSTRIAL PC
COM1/2 LAN1
PC-232
SBC
PCIE ADAPTER #1
PCIE X1
AXIO B/D #1-CN1
SAMC-ME #1
PC RACK 12V
AM03-014387A
SAFETY CONTROL B/D
CN30
CN3
F-OP
CN31
CN3
R-OP
[SC]
CN34
T-BOX
FRONT
CN36
T-BOX
REAR
SM411-CV023-5
AM03-010655C
(SM33_CV023-5)
SM48_FD101-1
P1 P2
COM1
COM2
COM3
COM4
COM5
CN9
PWR
SM48C_VIS012-1
AM03-014390A
SM400 VISION IF B/D
CN1
FID.CAM
SM400 CAMERA IO B/D#1
[FID1]
AM03-014750C
AM03-014751C
#FL-4
#FL-7
FL-5.6
AM03-006925C
IT MASTER
12V
AM03-014384A
AM03-012626C
AM03-010667D
HEAD1
CN11
CN1
CN2
입력
입력
CN11
CN20
CN21
CN22
CN23
CN27
CN25
CN6
SCANNER
CN5
CONV I/F B/D
[CV]
CN33
CN26
[SUB]
CONV.SUB I/F B/D
CN32
CN27
CN28
CN6
CN1
CN18
CN3
CN17
CN2
START,FFD,RFD
CN7
CN4
CN2
AM03-003901C
START,STOP,RESET,FFD
CN5
START,STOP,RESET,FFD
CN2
CN7
CN13
SM48_CV004
CN8
AM03-006879B
M
1
2
OUT
AIR SENSOR
AM03-020588A
CN3
CN1
CN4
CN1
CN6
CN13
EM,READY,DOOR,FSO
[VIS]
CN24
111234 5
CN18
MC1
+A1
-21
-A2
-22
CN19
SM48_CV026-1
J1R-3
J1R-4
SM411-CV023-4
AM03-010654C
(SM33_CV023-4)
AM03-014715C
CN35
SM48C_SC201
J1R-2
SM48-SC105-1
SAFEGUARD OVERRIDE KEY
SM411_SC009
AM03-010090B
21/22
JUMPER
REAR PANEL LAN PORT
FFD-CN4
AX-CN1
CAN
CAN_CH1_L
CAN_CH2_R
CAN_CH3_L
CAN_CH4_R
6
COM6
2
FIX.CAM
BS1 DRV CN1
CN12
BS2 DRV CN1
COM5
COM6
PMC1
PMC2
AM03-003902B
CN14
CN15
AXIO#1-CN2
AM03-006922B
CN28
HD-PW-EXT
FL-#18
HEAD IF CN1
FL-#1
X_SEN.
CN29
J1R-1
AM03-014711C
SC-CN15-EXT [R]
SC-CN14-EXT [R]
TF-CH1
TF-CH2
PMC1-EXT
PMC2-EXT
COM5/6
SM48_VM101
CN6CN8 CN10 CN7
AM03-014754C
FFD-PW
SM471_PW020
SM471_PW022
STEP/HEAD DRIVER FAN
T2L
USB1
VGA1
<FRONT>
<REAR>
AM03-010874A
AM03-014335A
AM03-014335A
AM03-014389A
<FRONT>
BARCODE READER
<REAR>
COM3/4
USB2
VGA2
PS1
+24V
24G
AM03-005553B
SM482_VIS009
SM41_VIS006
SM41_VIS005
SM41_CV037-1
AM03-010671C
SM41_SC006
AM03-010090B
SM41_SC006
SM48_SC007
AM03-009943B
AM03-014613A
AM03-014613A
AM03-007056B
AM03-006407B
SM421_OP104
SM421_OP103
SM48_CV026
AM03-006878B
SM48-SC105
AM03-007055D
SUB-CN6/7
SM48C_VM101
SM48C_PC003-1
AM03-021754A
SM48C_KV003-2
SM471-PC007
SM471-PC007
SM48C_PC003
SM48C_VIS000
AM03-028173A
AM03-017244B
SM48C_PW021
CN1
SM48_SC001_LT
SM511_KV003-3
CN3
AM03-017245C
SM48C_PW022
SM48C_VIS007
SM48C_VIS010
SM48C_VIS003-1
AM03-014386A
SM48C-IT001
SM511_VM111
AM03-010986D
SM48_CV003_LT
AM03-020594A
AM03-017469A
SM471_OP001
AM03-017469A
SM471_OP001
SELECT
F/R
SELECT
F/R
SM33_OP005
AM03-010078A
SM33_OP005
AM03-010078A
SM41_SC008
AM03-010079B
CN36
CN34
SM48_SC002_LT
AM03-020590B
SM48C_PW302
SM48C_PW312
AM03-022141A
AM03-022140A
CV-CN27
CV-CN26
RFD-CN4
CV-CN4
SM48C_CV101
AM03-014614C
SM421_IT003
AM03-012662A
AM03-006409A
AM03-006892A
SM48_FD101
AM03-006891C
SM48C_CV101
AM03-014614C
CN10
R DRIVER-PW
SM41_SC011_LT
AM03-020591C
SM41_AX001(AM03-010659A)
SM421_VM101-1
AM03-003689B
AM03-003686C
SM421_VM102-1
AM03-014711C
X-SNS
HD-PW/H-SNS
AM03-006921E
SM482_AX006
AM03-014755B
SM481_VIS002
* 2 STAGE CAMERA
AM03-018611C
SM481_VIS002-1
* 1 STAGE CAMERA
SM48C_IT004
AM03-014388C
PWR
PS#2
SM48C_IT005
AM03-014629A
SM48C_IT005-1
AM03-014385A
SM48C_SC201
SM41_SC012
AM03-010657A

Page
+$1:+$
131
SM482
PLUS
SM482 PLUS Harness Wiring Diagram(2/6)
MAIN-AIR
PUMP-PWR
PUMP-PWR
FLAT CABLE
CAN
R-FEEDER I/F
BOARD
CN5
CN6
SM_FD003
SM_FD004
REAR FEEDER BASE RIGHT B/D
AXIS IO BOARD #1
[AXIO#1]
[RFD]
JK1 JK2 JK3 JK4 JK5 JK6
CN7
JK7 JK8 JK9 JK10 JK11 JK12
CN8
CN12
CN4
SACO-CN22
SM_FD006
JJ1 JJ2 JJ3 JJ4 JJ5 JJ6
SM_FD007
JJ7 JJ8 JJ9 JJ10 JJ11 JJ12
REAR FEEDER BASE LEFT B/D
CV-CN4
J1R-2
J1R-1
F-FEEDER I/F
BOARD
CONVEYOR I/F
BOARD
CN3
CN5
CN6
CN4
AM03-006891C
CN11
CN3
CAN
[FFD]
[CV]
CN13
CN9
CN20
AM03-003541C
CN16
CN19
SACO-CN21
CN7
JK1 JK2 JK3 JK4 JK5 JK6
CN8
JK7 JK8 JK9 JK10 JK11 JK12
JJ1 JJ2 JJ3 JJ4 JJ5 JJ6
JJ7 JJ8 JJ9 JJ10 JJ11 JJ12
FRONT FEEDER BASE LEFT B/D
FRONT FEEDER BASE RIGHT B/D
AM03-017001A
ANC OPEN SEN.
CN21
AM03-003597A
FAREA-E
FAREA-R
J90831139
FRONT AREA SENSOR
CN22
SM421_CV018
REAR AREA SENSOR
AM03-003542B
CAN
CN3
CN12
CN15
MC2
TH-N12
AM03-021881A
AM03-003598A
RAREA-E
SM48_1TCV_006+
CN2
CN3
CN2
SM48_VI103
CN3CN3CN3 CN2
CAN
CAN
FL-#19 (CAN)
AM03-025118A
AM03-006876B
AM03-010656A
SM48_CA104
SM482_CA105
FIX1 LED I/F B/D
FIX2 LED I/F B/D
RAREA-R
BUT SENSOR
CN10
J90831149B
CN11
J90831150B
CN23
AM03-006703A
CN24
AM03-006704A
F-DC-SOL
R-DC-SOL
F-DC-SNS
R-DC-SNS
DOCKING CART OPTION
CN13
AM03-022139B
SM48_FD101-1
FIX.ILL
L-FFD-PW
FIX-ILL-R
AM03-014907B
ANC CLOSE SEN.
SM482C_CV010-1
PUMP-PWR
MAIN-AIR
PUMP-ALARM
EJECTOR
AM03-014853B
VACCUM-AIR
VACUUM-AIR
PUMP-ALARM
EJECTOR Option Connection
Vacuum Pump Option Connection
CN29
CN12
CN11
SACO-CN20
CN4
AM03-014614C
J1R-1
RFD-CN4
CN26
CN27
RACK FAN
AM03-006892A
SM421_CV106-1
SM41_CA003
AM03-020584A
AM16-001209A
SM482C_CV010
AM03-017002A
SM33_CV016
J90831759A
SM421_CV115
SM421_CV117
AM03-007453C
CN5
CONVEYOR SOL VALVE
PLACE STOPER SOL
BACK UP TABLE SOL
EDGE PUSHER SOL
ANC#1 SHUTTER SOL
SM480PLUS_CV102
SM48C_FD003
SM48_CA102
CN14
AM03-024326A
P-SEN-EXT
AM03-024439A
FROM SM48_1TCV_005
SM48C_CV101
SM471_PW147-1
SM48C_PW146
SM421_CV106-2
SMEMA
SM33_CV024
J90831146B
SM33-CV028
SM48_CA106
CN8
J90831742A
SM4_INLINE
IAW-N
AM03-012642A
SM4_IAW
IN LINE AUTO WIDTH
SM48_FD101
J90800838D
J90800839D
J90800841C
J90800842C
CAN
PWR
CAN
PWR
CAN
PWR
CAN
PWR
CAN
PWR
CAN
PWR
PS2
SM48C_IT005
+24V
24G
IT
MASTER
CH1
CH2
CH3
CH4
AM03-014629A
SM48C_IT004
AM03-014388C
PS3
PS3
AM03-014482C
SM48C_FD004
AM03-014484C
SM48C_FD005
SM_FD023
AM03-000764A
SM_FD022
AM03-000765A
PS4
PS4
AM03-014485C
SM48C_FD006
AM03-014489C
SM48C_FD007
SM48C_IT005-1
AM03-014385A
SM_FD023
AM03-000764A
SM_FD022
AM03-000765A
CAN
PWR
CAN
PWR
SM_FD004
SM_FD003
SM_FD007
SM_FD006
J90800842C
J90800839D
J90800838D
J90800841C
SM48C_FD302
PS3 REMOTE CONNECTOR
AM03-022138B
PS4 REMOTE CONNECTOR
SM33-CV019
SM33-CV029
SM471-CV020
CV-CN26
CV-CN27
SM48C_CV101
AM03-014614C
SM48C_PW147-1
AM03-014907B
SM48C_PW146
AM03-014853B
PUMP-ALARM
SM48_1TCV_006+
AM03-024439A
BUT-SEN-EXT
PL-INPUT
PL-OUT