Hanwha SM482 PLUS Multi-Functional Placer - 第132页
Page +$1:+$ 132 SM482 PLUS SM482 PLUS Harness Wiring Diagram(3/6) FLA T CABLE AP5 AXIS IO BOARD #1 CN11 (1KW) Y2 (1KW) Y1 CN13 AM03-007203A SM48_MD037 SM48_MD038 PW48_PW020 PW48_PW019 [AXIO#1] SM48C_VM003 CN12 CN14 CN2 P…

Page
+$1:+$
131
SM482
PLUS
SM482 PLUS Harness Wiring Diagram(2/6)
MAIN-AIR
PUMP-PWR
PUMP-PWR
FLAT CABLE
CAN
R-FEEDER I/F
BOARD
CN5
CN6
SM_FD003
SM_FD004
REAR FEEDER BASE RIGHT B/D
AXIS IO BOARD #1
[AXIO#1]
[RFD]
JK1 JK2 JK3 JK4 JK5 JK6
CN7
JK7 JK8 JK9 JK10 JK11 JK12
CN8
CN12
CN4
SACO-CN22
SM_FD006
JJ1 JJ2 JJ3 JJ4 JJ5 JJ6
SM_FD007
JJ7 JJ8 JJ9 JJ10 JJ11 JJ12
REAR FEEDER BASE LEFT B/D
CV-CN4
J1R-2
J1R-1
F-FEEDER I/F
BOARD
CONVEYOR I/F
BOARD
CN3
CN5
CN6
CN4
AM03-006891C
CN11
CN3
CAN
[FFD]
[CV]
CN13
CN9
CN20
AM03-003541C
CN16
CN19
SACO-CN21
CN7
JK1 JK2 JK3 JK4 JK5 JK6
CN8
JK7 JK8 JK9 JK10 JK11 JK12
JJ1 JJ2 JJ3 JJ4 JJ5 JJ6
JJ7 JJ8 JJ9 JJ10 JJ11 JJ12
FRONT FEEDER BASE LEFT B/D
FRONT FEEDER BASE RIGHT B/D
AM03-017001A
ANC OPEN SEN.
CN21
AM03-003597A
FAREA-E
FAREA-R
J90831139
FRONT AREA SENSOR
CN22
SM421_CV018
REAR AREA SENSOR
AM03-003542B
CAN
CN3
CN12
CN15
MC2
TH-N12
AM03-021881A
AM03-003598A
RAREA-E
SM48_1TCV_006+
CN2
CN3
CN2
SM48_VI103
CN3CN3CN3 CN2
CAN
CAN
FL-#19 (CAN)
AM03-025118A
AM03-006876B
AM03-010656A
SM48_CA104
SM482_CA105
FIX1 LED I/F B/D
FIX2 LED I/F B/D
RAREA-R
BUT SENSOR
CN10
J90831149B
CN11
J90831150B
CN23
AM03-006703A
CN24
AM03-006704A
F-DC-SOL
R-DC-SOL
F-DC-SNS
R-DC-SNS
DOCKING CART OPTION
CN13
AM03-022139B
SM48_FD101-1
FIX.ILL
L-FFD-PW
FIX-ILL-R
AM03-014907B
ANC CLOSE SEN.
SM482C_CV010-1
PUMP-PWR
MAIN-AIR
PUMP-ALARM
EJECTOR
AM03-014853B
VACCUM-AIR
VACUUM-AIR
PUMP-ALARM
EJECTOR Option Connection
Vacuum Pump Option Connection
CN29
CN12
CN11
SACO-CN20
CN4
AM03-014614C
J1R-1
RFD-CN4
CN26
CN27
RACK FAN
AM03-006892A
SM421_CV106-1
SM41_CA003
AM03-020584A
AM16-001209A
SM482C_CV010
AM03-017002A
SM33_CV016
J90831759A
SM421_CV115
SM421_CV117
AM03-007453C
CN5
CONVEYOR SOL VALVE
PLACE STOPER SOL
BACK UP TABLE SOL
EDGE PUSHER SOL
ANC#1 SHUTTER SOL
SM480PLUS_CV102
SM48C_FD003
SM48_CA102
CN14
AM03-024326A
P-SEN-EXT
AM03-024439A
FROM SM48_1TCV_005
SM48C_CV101
SM471_PW147-1
SM48C_PW146
SM421_CV106-2
SMEMA
SM33_CV024
J90831146B
SM33-CV028
SM48_CA106
CN8
J90831742A
SM4_INLINE
IAW-N
AM03-012642A
SM4_IAW
IN LINE AUTO WIDTH
SM48_FD101
J90800838D
J90800839D
J90800841C
J90800842C
CAN
PWR
CAN
PWR
CAN
PWR
CAN
PWR
CAN
PWR
CAN
PWR
PS2
SM48C_IT005
+24V
24G
IT
MASTER
CH1
CH2
CH3
CH4
AM03-014629A
SM48C_IT004
AM03-014388C
PS3
PS3
AM03-014482C
SM48C_FD004
AM03-014484C
SM48C_FD005
SM_FD023
AM03-000764A
SM_FD022
AM03-000765A
PS4
PS4
AM03-014485C
SM48C_FD006
AM03-014489C
SM48C_FD007
SM48C_IT005-1
AM03-014385A
SM_FD023
AM03-000764A
SM_FD022
AM03-000765A
CAN
PWR
CAN
PWR
SM_FD004
SM_FD003
SM_FD007
SM_FD006
J90800842C
J90800839D
J90800838D
J90800841C
SM48C_FD302
PS3 REMOTE CONNECTOR
AM03-022138B
PS4 REMOTE CONNECTOR
SM33-CV019
SM33-CV029
SM471-CV020
CV-CN26
CV-CN27
SM48C_CV101
AM03-014614C
SM48C_PW147-1
AM03-014907B
SM48C_PW146
AM03-014853B
PUMP-ALARM
SM48_1TCV_006+
AM03-024439A
BUT-SEN-EXT
PL-INPUT
PL-OUT

Page
+$1:+$
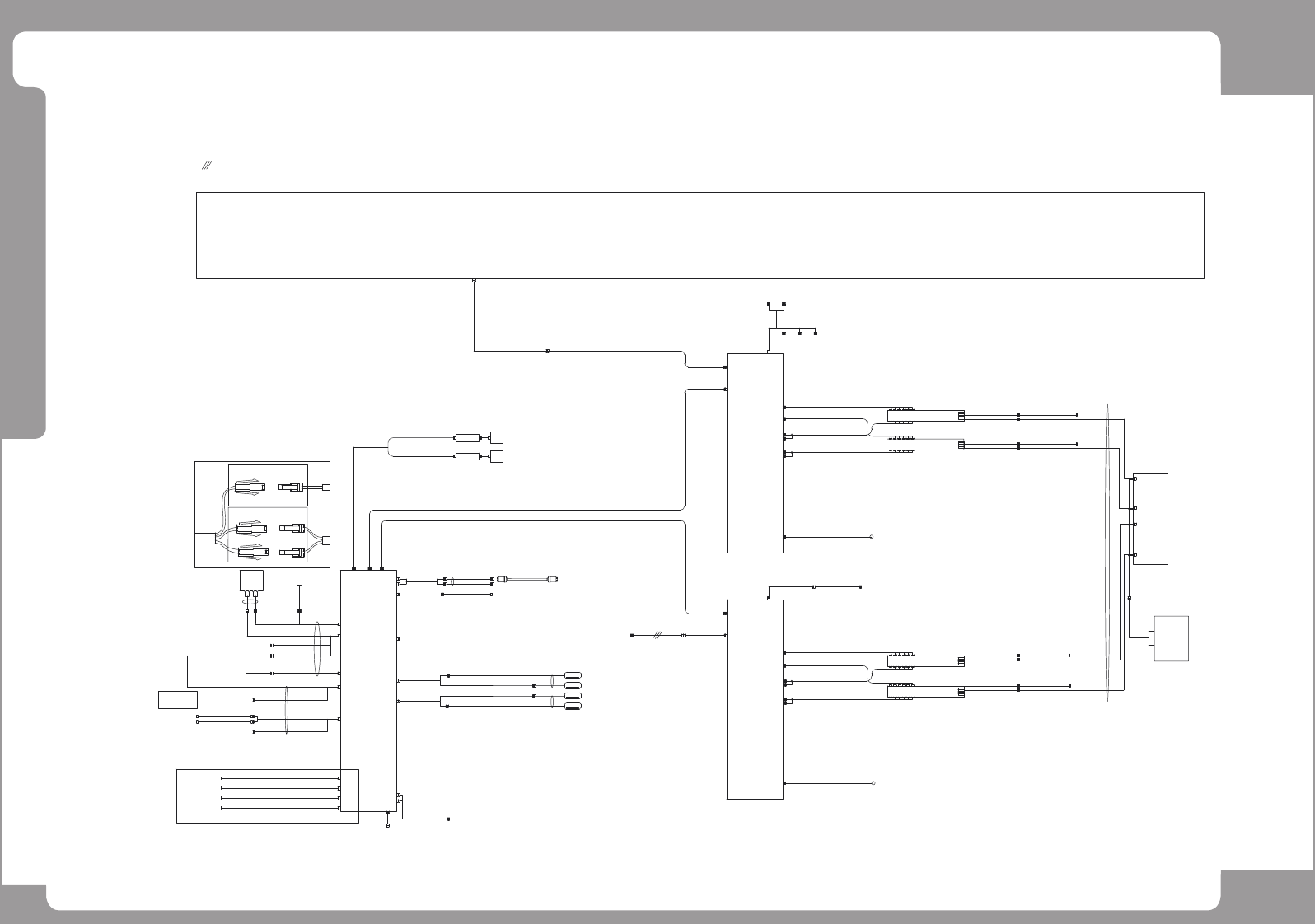
132
SM482
PLUS
SM482 PLUS Harness Wiring Diagram(3/6)
FLAT CABLE
AP5 AXIS IO BOARD #1
CN11
(1KW)
Y2
(1KW)
Y1
CN13
AM03-007203A
SM48_MD037
SM48_MD038
PW48_PW020 PW48_PW019
[AXIO#1]
SM48C_VM003
CN12 CN14
CN2
PWR
SACO-CN27
SM48_SC007
CN1
PCIE X1_3m
PCIE ADAPTER #1
SM48_MD008_90
SM48-MD005_90
SM48C_MD010
SM48_MD006_90
AM03-006948A
SM48_MD007_90
AM03-014673C
(750W)
X
CN19
Z12 AMP
Z1 Z2 Z3 Z4
CN20
SM48_VM007-1
CN5
CN6
CN3 CN1
CN10
CN4 CN2
CN21
CN22
CN5
CN6
CN3 CN1 CN4 CN2
Z5 Z6
CN23 CN24
CN5
CN6
CN3 CN1 CN4 CN2
PWR
SM48C_PW027
CN10 CN10
SM471_PW031
Z34 AMP Z56 AMP
SM41_MD026
SM41_MD027
SM41_MD028
SM482_MD029
SM41_MD030
SM41_MD031
FL-8,9 FL-10,11 FL-12,13
PS#2
R-STEPPING
DRIVER
R-POWERSIG1 SIG2 SIG2
MOT1 MOT2 MOT3
SC-CN10
CN16
CN17
CN18
R1
R2
R3
FL-16,17
SM41_MD011
J90830190B
J90831009B
J90831010B
SM482_MD012
AP5 AXIS IO SLAVE BOARD #1
SM482_VM006
PW48_PW019
PW48_PW018
CN1 CN3CN2
CB12
BW12
CB34
CN1
SM482_VM008_LT
AM03-010657A
CN1
SC-CN11
SC-CN12
CN4
CN4
CN4
FL-2,3
AM03-014670A
SM48_MD020_LIQI
SW
(50W)
FL-14,15
SM41_MD039
CN15
AM03-019692A
AM03-019690B
SM511_MD022-2
WD
(3A)
WD-PW
AM03-012627B
AM03-012637B
AM03-012638B
AM03-012639B
AM03-012640B
AM03-012641B
AM03-010670A
SM41_MD038
SM41_MD039
SM41_MD040
AM03-007204A
AM03-014684B
SM48_VM004_LIQI
SM41_SC012
AM03-006910B
AM03-006940B
SM48_MD009
AM03-014702A
SM48_MD021_LIQI
AM03-014677B
AM03-013587C
PW482_PW018-1
AM03-006960A
AM03-006960A
AM03-006961B
SM48_MD036
AM03-021389A
AM03-020593B
AM03-020592C
AM03-006922B
WB1 WB2
CB3 CB4
CN3
CN2
CN3
CN2
CN3
CN2
CB1 CB2
AM03-024322A
SM48_1TCV_001
AM03-024336A
SM48_1TCV_002
2S56Q-01842SR2
EP08-900073
2S56Q-01842SR2
EP08-900073
2S56Q-01842SR2
EP08-900073
2S56Q-01842SR2
EP08-900073
2S56Q-01842SR2
EP08-900073
2S56Q-01842SR2
EP08-900073
SM481_1TCV_004
AM03-024325A
CB1
CB2
WB1
WB2
CB3
CB4
SM482_VM005-01
AM03-005505A
SM41_SC011_LT
AM03-020591C
AM03-020125A
AM03-020612A
AM03-020615A
AM03-020611A
AM03-020610A
AM03-001762D
AM03-014592A

Page
+$1:+$
133
SM482
PLUS
SM482 PLUS Harness Wiring Diagram(4/6)
FLAT CABLE
CN5
CN1
BOARD
SM421 AXIS SENSOR
CN10
AP5 AXIS IO BOARD #1
[AXIO#1]
CN6
[AX]
CN7
CN9
CN9
PWR
AM03-020589C
FL-#18
R1-3, SW_Z1-6 HOME
X-HM,PL,NL
FL-#1
AM03-006921E
CN2
AM03-015578B
CN3
AM03-024326A
CN4
Y1-HM,ML SENSOR
WD-HOME SENSOR
WD-HOME-EXT
AM03-015575B
AM03-007444B
FSEN-T1
FSEN-R2
FSEN-T2
FSEN-R1
RSEN-T1
RSEN-R2
RSEN-T2
RSEN-R1
CN12
CN2
PWR
SACO-CN28
SACO-CN27
SC-CN23
FL-#18
FL-#20
Z1-6, VACCUM, BLOW
AM03-006924C
HEAD IO B/D
CN2
CN3
CN7
CN1
CN16
CN14
CN13
CN12
CN9
CN8CN5CN10
SIDE ILL. UP/DN SEN
CN6
Z 1~6 HOME SEN
SENSORSENSORSENSORSENSOR
VAC.
VAC.VAC.
VAC.
H1 H2
H3 H4
VACUUM SENSOR B'D(H1~H6)
H6H5
VAC. VAC.
SENSOR SENSOR
H 1~6 VAC SOL
H 1~6 BLOW SOL
+24V,24G
HEAD HOME SENSOR
R12,34,56 HOME SEN
AM03-006930B
AM03-015581A
AM03-006933A
SM48C_HD008
SM482C_HD013
AM03-015583A
AM03-006932A
SM482_HD011
SM482_HD012
CN1
SIDE ILL UP/DOWN SOL
SW HOME SEN
R12,R34,R56
AUX.SEN
R1-3, SW_Z1-6 HOME
FL-#19 (CAN)
FIDUCIAL OUTER LED
CN18
CN17
FIDUCIAL INNER LED
H1~H6
OUTER LED
H1~H6
SIDE LED
SM482-HEAD-SIDE
CN11
CN4
CN15
TEACHING BEAM LEFT
CN19
SM482-FID-OUTTER
SM482-FID-INNER
SM482_TBS
Y-AXIS-SNS(HOME/PL/ML)
FEDER UNLOCK. PCB-SNS
SM482-HD001
AM03-024335A
TEACHING BEAM RIGHT
SM41_TBS
PCB1
PCB2
PCB3
PCB4
PCB5
AM03-006927C
AM03-006926B
AM03-006941A
AM03-006936A
AM03-006935A
SM482_HD002
SM482C_HD005
SM482_HD007
SM48C_HD014
AM03-015109A
AM03-015582A
AM03-006939B
AM03-006929A
SM482_HD006
SM48_AX005
SM482_AX006
SM421C_AX104-1
SM48_1TCV_009
P-UP
P-DOWN
AM03-024323A
SM48_1TCV_003
CV-SEN
SM48_CV140
SM421C_AX103
Y1-PL SENSOR
SM48_1TCV_005
P-SEN-EXT
SM41_CV043
J91672425A
SM41_CV044
J91672426A
AXIS#1-CN7-EXT
HD-PW-EXT
X-SNS-EXT
HD-PW/H-SNS
HD-SOL
SM482_VI006
X_HOME
SM481C_AX002
AM03-015580A
X_+L/S
X_-L/S
SM482P_FL001
AM03-021132B
AM03-006922B
SM48_SC007
AM03-010659A
SM41_AX001
J90831738B
PCB-1
PCB-2
PCB-3
PCB-4
PCB-5
P-UP
P-DOWN