Hanwha SM482 PLUS Multi-Functional Placer - 第34页
Page +$1:+$ 34 SM482 PLUS Docking Cart (6/6)

Page
+$1:+$
33
Docking Cart (5/6)
SM482
PLUS
NO. PART NO. PART NAME Q'TY Old No. Applicable Equipment Reference
1 FC14-900724 PLUG 2
2 HP06-900027 FITTING 4
3 HP06-900299 COUPLER 1
4 HP14-900090 SPEED CON 1
5 HP06-900048 ELBOW FITTING 1
6 HP06-900293 ELBOW FITTING 2
7 FC14-900724 PLUG 3
8 J90831149B F_DOCKING_CART_SOL_CABLE_ASSY 1
9 HP14-900092 CHECK VALVE 1
10 HP06-900018 FITTING 5
11 HP06-900014 FITTING 5

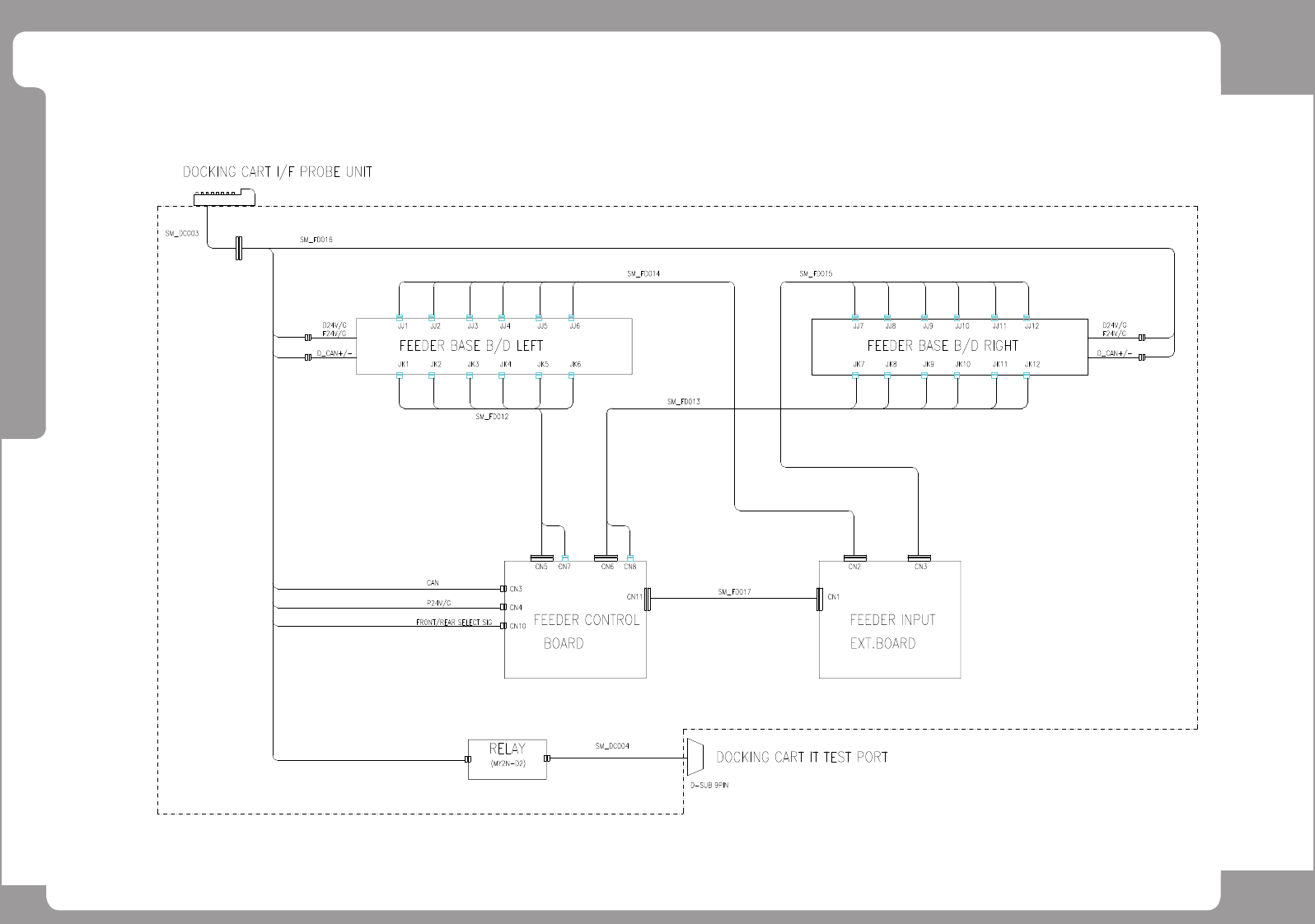
Page
+$1:+$
34
SM482
PLUS
Docking Cart (6/6)

Page
+$1:+$
35
Docking Cart (6/6)
SM482
PLUS
NO. PART NO. PART NAME Q'TY Old No. Applicable Equipment Reference
AM03-001729A CABLE ASSY-FRONT D-CART PWR CABLE ASSY 1
J9080852D LEFT FDR SOL OUTPUT CABLE ASSY, D-CART[S 1
J9080853B RIGHT FDR SOL OUTPUT CABLE ASSY, D-CART[ 1
J9080854C LEFT FDR SENOR INPUT CABLE ASSY, D-CART[ 1
J9080855B RIGHT FDR SENOR INPUT CABLE ASSY, D-CART 1
J9080857B FDR INPUT EXT CABLE ASSY, D-CART[SM_FD01 1
AM03-001739A CABLE ASSY-FEEDER CN7 EXT CABLE ASSY 1
AM03-013728A CABLE ASSY-ND-CART RY1 EXT 2 1
AM03-001730A CABLE ASSY-REAR D-CART PWR CABLE ASSY 1