N7203A022B - 第93页
Ref No. Remark s R 1 Q'ty 2-A T/F ; 44 ; 56mm ;;タ イプA Tape Feeder; 44; 56 mm; Type A イラスト No. Part No. 品 名 品番 数量 R 2 パーツリスト Kit N o . キット 品 番 Kit Name キット名称 KXFW 1KSEA00 Part Nam e 備 考 セクションN o. PARTS LIST Section N…

2-A
T/F
;
44
;
56mm
;;タ
イプA
Tape Feeder; 44; 56 mm; Type A
パーツレイアウト
Kit No.
キット品
番
Kit Name
キット名称
KXFW1KSEA00
セクションNo.
PARTS LAYOUT
Section No.
--
M5
( KKXFW1KSEA00-50-1 )

Ref
No.
Remarks
R
1
Q'ty
2-A
T/F
;
44
;
56mm
;;タ
イプA
Tape Feeder; 44; 56 mm; Type A
イラスト
No.
Part No.
品 名品番 数量
R
2
パーツリスト
Kit N
o
.
キット品
番
Kit Name
キット名称
KXFW1KSEA00
Part Name
備 考
セクションNo.
PARTS LIST
Section No.
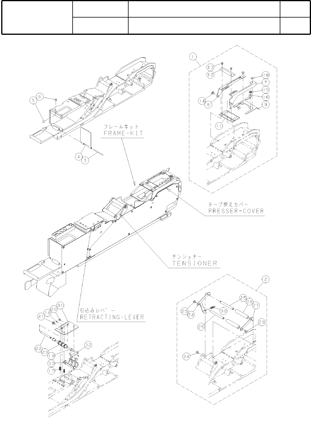
R
3
PRESSER-COVER
1
1 N610090960AA
TENSIONER
1
2 N610025480AB
PIN
1
3 KXFA1M2AA00
COVER
1
4 N210123200AA
MAGNET
1
5 KXF0DYAZA00 NEO33
SCREW
1
6 XXE25C3FP
Hexagon socket set screw Flat point M2.5X3-45H SCHP
COVER
1
7 N210020703AA
COVER
1
8 KXFA1PR5B01
GUIDE
1
9 N210006457AA
PIN
2
10 KXFA1PQ5B00
PRESSER-PLATE
1
11 N610072586AB
GUIDE
1
12 KXFA1P3AA00
SCREW
2
13 KXF0DYAJA00 S020659-2001(DDA)
PIN
2
14 KXFA1LHAA00
PIN
1
15 KXFA1Q0LA00
PLATE
1
16 KXFA1Q0PA00
SPRING
2
17 N210114131AA
SCREW
6
18 XSN25+6VW
Cross recessed Pan head machine screw M2.5X6-A2-70
BUSH
2
19 KXF0CWGAA00 80F-0610
PIN
1
20 KXFA1KAAA00
PIN
2
21 KXFA1KRAA00
PIN
1
22 KXFA1M1AA00
GEAR
1
23 N210151827AA
LEVER
1
24 N210029790AA
PIN
1
25 KXFA1M3AA00
PIN
1
26 KXFA1LZAA00
LEVER
1
27 N210038151AA
ROLLER
2
28 KXFA1LYAA00
PIN
2
29 KXFA1KAAA00
SPRING
1
30 KXF0DK6AA00 (DA 0DK6A)
LEVER
1
31 KXFA1P0AA00
LEVER
1
32 KXFA1NSAA00
COMB
1
33 N210154554AB
PIN
1
34 N210044529AA
M6
--
( KKXFW1KSEA00-50-1 )

2-B
T/F
;
44
;
56mm
;;タ
イプA
Tape Feeder; 44; 56 mm; Type A
パーツレイアウト
Kit No.
キット品
番
Kit Name
キット名称
KXFW1KSEA00
セクションNo.
PARTS LAYOUT
Section No.
--
M7
( KKXFW1KSEA00-50-2 )