JUKI_2050说明书_.pdf - 第143页
第 3 章 保养 RfivO3 3-7 推荐定 期更换 的元件 除易 损件沿 .因 磨损、 老化等 原因必 ,须 定期更 换的元 件如下 表所小 . 除此表 所示. 在所 有的空 飞 机器中 ,-空 / 中混入 了油、 水分 时必须 更换. 本设备 除易损 件外 ,因 磨损、 老化等 原因必 须定期 更换元 件. 住所仃 涧穿 V 机器中 ,空 ’i 中混入 了油、 水分 时必须 更换. ,有关 更换方 法, 请询 美更公 司总后 靖务…

第
3
章
保养
Rev03
3-5-3
处理
使用过
的电池
有关用
完后的
蓄电池
的废弃
方裱,
谱南购
买该电
池的鞘
售店
洽商.
翼电池
为有偿
回收.
,请
不要将
电池投
入火
中.
电池
可能会
照炸.
电池路
须正嘴
废春.
关于建
弃的
条件,
请
参照客
户所在
地过的
法令.
・禁立
打开、
分解
电地,
电解液
有毒,
如
果接触
到皮肤
或承事
会带来
危障.
企注意
博初将
UPS
或
UPS
电
做专弃
在垃圾
箱中.
由于
该产品
申含有
密封错
H
电触.
因此必
须正病
废弃.
详细
情况,
策向
肿
买该
电池的
精售店
泊西.
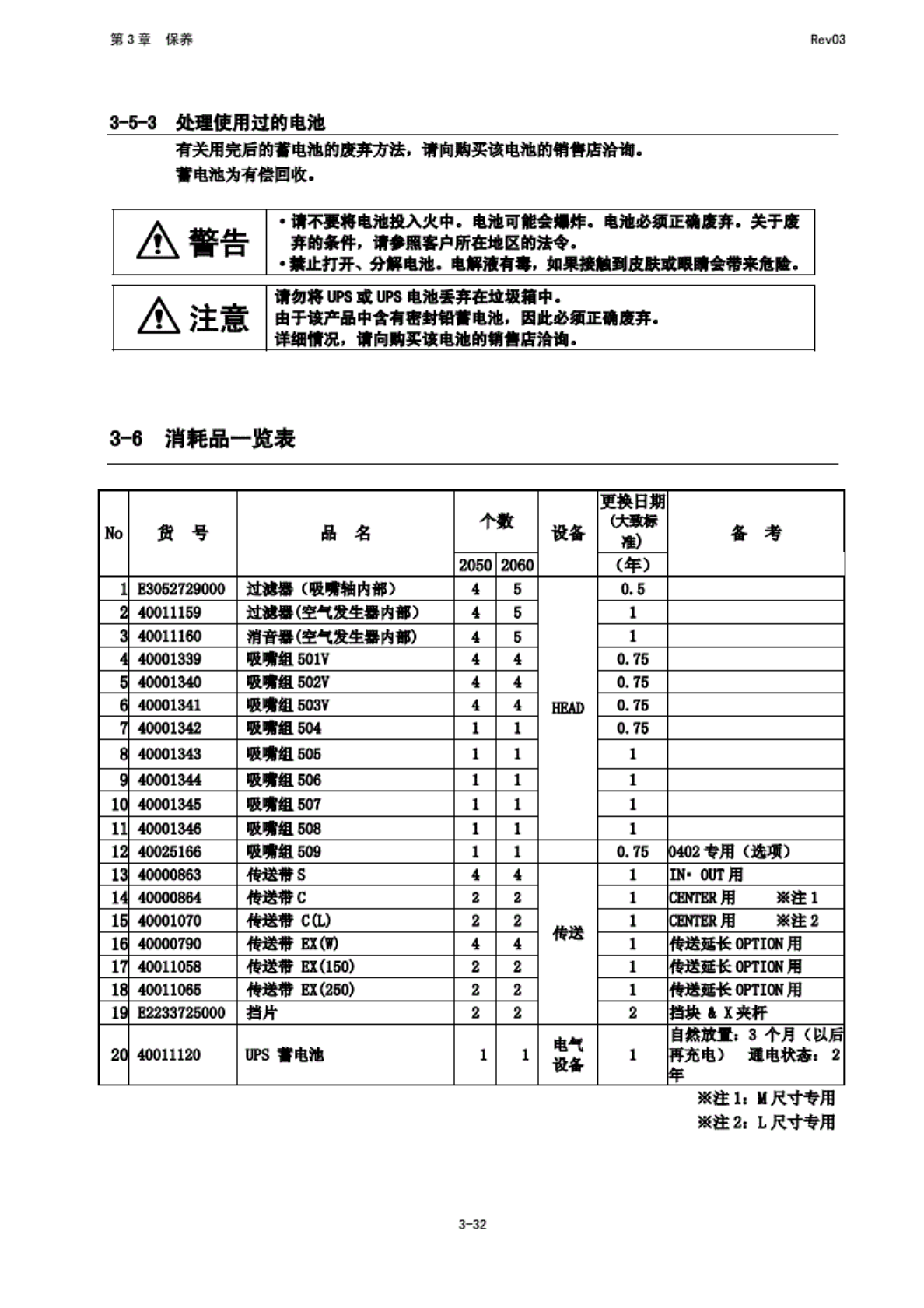
3-6
消耗品
一览表
凝注
h
M
尺
寸专用
染注%
L
尺寸
专用
No
货
号
品
名
设善
更
换日期
整)
备
考
2050
2060
(年)
1
B3O52729000
过滤器
(吸
需物
内郡)
4
5
HEAD
0.
B
2
4001115^
过消器
(空气
发生甥
内部)
4
5
1
3
40011160
消音舞
(空气
域生舞
内部)
4
5
1
4
4«
0133g
吸需鼠
601V
4
4
0.75
5
40001340
吸需的
502V
4
4
0.75
6
40001341
吸增粗
603V
4 4
0,75
7
40001342
吸嘴盥
EC4
1
1
0.75
8
40001343
吸嘴跋
505
1 1
1
g
4MK1344
吸翦祖
EOS
1 1
1
10
40001345
吸才触
即7
1
1
1
ii
40001346
吸需组
60S
1
1 1
12
40
俄
51
旅
吸
需粗印
9
1
1
0.75
0
402
专用
(选
项)
13
40000863
传送带
S
4
4
触
1
IN・
OUT
用
14
4MM08M
傅送带
C
2 2
1
微肛
ER
用
半注1
15
40001070
传送带
皿
2
2
1
CE
附
ER
用
域注名
16
40000790
传送带
EXm
4 4
1
传送殂
OPKON
用
17
40011058
接送带
EX(15D}
2
2
1
梅送
磁长
OPTICH
用
IS
40011065
传送带
EX
墙
80)
2
2
1
转送
延长
OPTION
用
19
E2233725000
挡片
2
2
2
挡块
白
X
夹杆
20
40011120
UPS
,电池
1
1
电气
设餐
1
官燃
放置
r
3
个月
(以后
再
充电)
通
电状通
t
2
年
3-32

第
3
章
保养
RfivO3
3-7
推荐定
期更换
的元件
除易
损件沿
.因
磨损、
老化等
原因必
,须
定期更
换的元
件如下
表所小
.
除此表
所示.
在所
有的空
飞
机器中
,-空
/
中混入
了油、
水分
时必须
更换.
本设备
除易损
件外
,因
磨损、
老化等
原因必
须定期
更换元
件.
住所仃
涧穿
V
机器中
,空
’i
中混入
了油、
水分
时必须
更换.
,有关
更换方
法,
请询
美更公
司总后
靖务部
门或司
理店.
1
年
.=6,600
畴^
Q2
畴
|^/日
x
300
印)
No
货
号
品
名
个数
部位
参考交
摭日期
2050
2060
1
40002341
IC-
6
encoder
relay
ca
ble
I
贴片头
19,
800
峙固
2
40001253
喷
射装置
50
1
—
贴片
头
2
年
3
40001266
喷
射装置
60
—
1
贴片头
2
年
4
40000740
Plastic
rail
组
2 2
XY
13,
2:00
峙固
5
40000741
Plastic
rail
—
—
XY
13,
200
畤固
6
40000742
Plastic
rail
按装架
t
1
1
Y
2
年
7
40003306
Magnetic
scale
wiper
2
2
XY
6,
600
畴
闻
8
40002232
y
电缆组
1
1
Y
3
年
9
40002233
XY
ZT
电缆组
1
1
X
Y
3
年
10
40002234
Xf
I
断缆组
1
1
X
Y
3
年
11
40002346
Y
电缆组
(E)
1
1
Y
3
年
12
40002347
XY
头
电缆组
任)
1
1
X
Y
3
售
13
PF901002000
过滤器
A
元件
(后
段》
1
1
盖
2
革
14
PF901006000
过渡器
B
元件
(前段
)
1
1
盖
2
年
15
PF901007000
过
滤元件
1
1
盖
2
备
16
40041471
Gas
spring
A
2
2
盖
10,
000
次开
闭动作
17
40041454
Gas
spring
B
2
2
盖
10,
000
次开
闭动作
18
E9646729000
跟踪球
1
1
其他
80,
000
畸周
开
美部件
100
万次
19
E9649729000
HOD
组
1
1
其他
500,000
回
20
E9662729000
H®
组触腿
1
1
其他
500,
000
回
21
E9619729000
FDD
1
1
其他
30,
000
畤阎
22
40003285
CD-ROM
Drive
1
1
其他
50,
000
咖
23
40002933
HDD
(Japanese)
1
1
其他
叫
000
24
40002937
HDD
(English)
1
1
其他
so,
000
畸固
25
40002941
HDD
(Chinese)
1
1
其他
20,000
畸固
26
40025669
LCD
1
1
K
他
好
(*
注)
27
40028131
LCD
(analog)
—
1
其他
Z
年
作工)
吟,
使博
拿莫
公司
襄造的
L8
畤,
请询问
本公同
售后报
务部门
或代
理店。
3-33

第
4
章
生产程
序制作
Rev03
第
4
章
制作生
产程序
4-1
流程图
本
章将对
NoB
进行
说明.
同时,
也常洞
即
9
的修
正部分
予以说
明.
墨要
不必要
必要
元件
数据库
制作
不必空
g
无错
误贴片
10
生产
11
生产
结束
12
电源
OFF
13
I
[常
检修
在*
机
器设置
”
中
设定变
更部分
当
发生贴
片位置
偏鞋、
定心不
良等,
未能进
行正
常贴
片时,
可用
0
程界超
辑
席进行
修正.
部分元
件数据
可在*
生
产
"
中进行
修正.
在
"数
据库"
中制
作元
件数据
制作、
编
辑生产
程序》
・基
板数据
・贴
片数据
・元
件数据
・吸
取数据
・图
像数据
(也
限于
KE-20G0)
定
期实海
(徐见
.第
3
章
保
养#)
如果
因日常
检修或
设置基
板时、
清扫
吸需或
改变基
推幅位
置等而
改变了
机器
的初始
设置状
态时,
请重
新设置
“机器
股置器
(参见
‘5~4
机器
设置.
)
改女
机瑞
设:置
状况
有错
误贴片
4
修正
确
认贴片
No.
生产
流程图
备注
1
设备
的检修
X
进
行主空
气压力
的确认
他
曲
叱。
、
ATC
周围
的磁认
答日常
检查.
2
电源
0K
占
3
返
回原点
X.
在实施
前确认
装置内
部是否
有异物
等.
4
预热
节便
日
结束后
和寒冷
的地方
务叠英
施
(10
分钟左
右).
5
基
板设置
4-1