JUKI_2050说明书_.pdf - 第110页

第 2 章 生产 Rev03 a-i3-3 保存 图像数 据印 在生产 中, 可利 用本项 功能, 按 Ctrl 便 2 般, 把 显示错 误信息 的图像 文件 Ml 出, 或在图 像读出 错 误信息 机器曾 停时, 趣过时 话程把 显示错 误的图 像猜息 ,出, 保 存在软 盘里. 操 作方法 如下* 把收 盘插入 软驱. (2) 点击菜 单上的 "文 件", 再 点击下 栩弹 上的 “保存 图像数 据即” . 画…

100%1 / 378
2
生产
Rev03
2-13-2
设备
借患
的保存
FD
击菜单
上的
热文
件*
,
苒点击
下视髀
上的
©
备信息
的保存
即”
.
.设
署信息
的保存
即”
的功
能是,
把碎
硬盘
里的设
备信息
加以
压缩,
便于碎
盘里.
z
-
V
本项
功能,
需得
到本公
司的服
务业务
人员、
代理店
的同意
后才可
使用.
到文本
后,
他请
按照上
述规定
亦理.
{1》
软盘插
入萩
盘驱箭
器里.
(幻
点击莱
单上的
〃文
件"
,
再点击
下拉菜
单上的
*
设备
信息的
保存
FD"
.
之后,
面上
会出现
下图,
提示
是否要
保存设
瞽的信
息4
“运
行”.
开始压
缩设备
信息,
保存
在软
推里.
IR2-M
(
3〉
'运
行"
蛆后,
盖备即
开始反
蒙设着
信息,
并保
存在软
盘里.
息存入
软盘成
功后,
画面
上出现
新的对
话程,
下图:
完成造
备数据
文件的
保存。
关闭对
话框
S2-B5
E)
要关
闭对话
梅时,
靖点击
*退出4
.
*
如果
画面上
提示
收盘容
量不足
师,
请更换
FT
足够
容量的
软盘,
再存
一次。
2-73
2
生产
Rev03
a-i3-3
保存
图像数
据印
在生产
中,
可利
用本项
功能,
Ctrl
便
2
般,
显示错
误信息
的图像
文件
Ml
出,
或在图
像读出
误信息
机器曾
停时,
趣过时
话程把
显示错
误的图
像猜息
,出,
存在软
盘里.
作方法
如下*
把收
盘插入
软驱.
(2)
点击菜
单上的
"文
件",
点击下
栩弹
上的
“保存
图像数
据即”
.
画面
上出现
话框,
是否要
"装
虹保
存雷像
数据
'
S2-86
(3)
"0T
钮后,
图像
数据就
保存在
软盘
里了.
数据保
存成
功后,
对话椎
有动关
闭*
0)
如果
不想保
存图像
敬据、
退出对
话情,
请按
"取消
"
键,
如果通
面理示
“软盘
容量不
足",
请更换
fT
足够客
软盘,
再有
一次.
着图像
文件的
容量超
过软盘
容量,
通频
把文件
分存
在若干
个软
盘里.
出现
这种情
况时,
面上会
提示.
按提示
操作,
更换
楼盘.
2-74
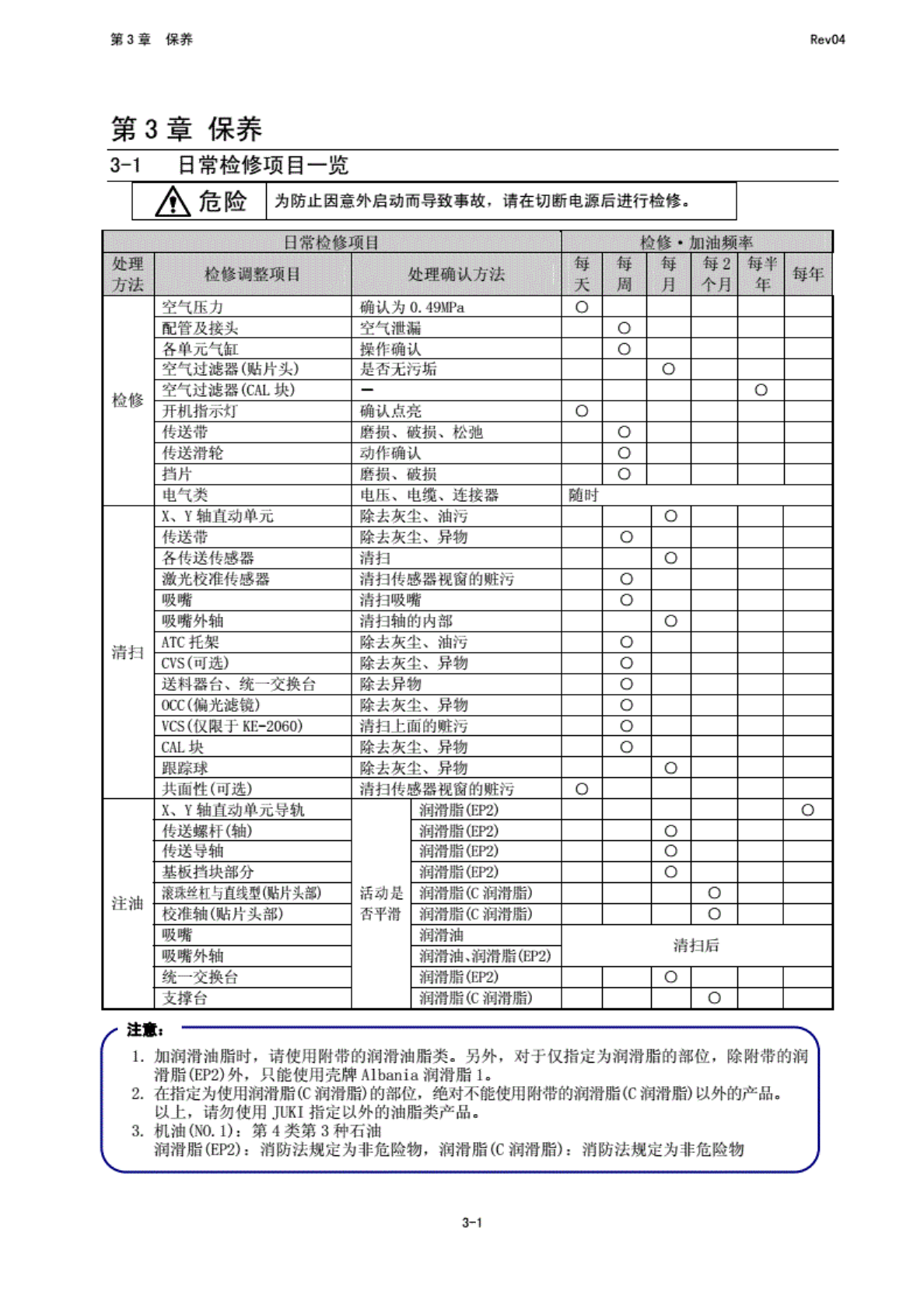
3
保养
3
章保养
3-1
日常
检修项
目一览
出危险
为防
止因意
外启动
而导致
事故,
清在切
断电源
后进行
检修.
日常检
修项目
检修,
Ml
油频率
处理
方法
检修调
整项目
处理确
认方露
,每
2
个月
每半
检修
气压力
确认为
0.
4gMpt
I
O
配管
收接又
空气
泄漏
O
印中
元气缸
作确认
O
空气
过渡籍
(贴
片头)
是否
无污垢
O
T
过滤器
fCAL
块)
O
开机措
示灯
认点亮
O
传送带
磨损、
破损、
松弛
O
送滑轮
动作
确认
O
挡片
磨损、
破损
O
电气类
电压、
电统、
边接器
随时
清招
X
Y
躺宜
动单元
除去
灰尘、
油污
O
传送带
除去
灰尘、
异物
O
佳送传
整器
j
i
O
激光
校唯储
感器
3
传感器
视雷的
碓河
O
吸嘴
打吸嘴
O
嘴外轴
制的
内部
O
ATC
托架
除去
灰尘、
油河
O
53(
可选)
除去
灰尘、
异物
O
送料
器台、
--
交换台
去异物
O
OCC
(偏光
准墙)
除去
灰尘、
异物
O
YCS
(仅
限于
KE-2060)
"二
面的游
3
O
CAL
除去
灰尘、
异物
O
跟踪球
除去
灰尘、
异物
O
共加性
〔可
选)
i
感器视
窗的
脏汽
O
注油
X
f
轴直动
融元
厅轨
活动是
否平滑
润清脂
(0切
O
送螺杆
(轴)
洞滑脂
拉腐
O
送导轴
润滑脂
化⑵
O
基板料
块部分
清脂融
2)
O
艇机与
直健饿
片头翻
润清
脂仁润
海慝)
O
校港轴
(贴
1
部)
洞滑脂
但润滑
脂)
O
吸嘴
润滑油
清打后
嘴外轴
洞滑油
、润
滑脂
侬幻
统一
交换台
润滑脂
化⑵
O
支撑台
溜滑脂
也润
滑脂)
O
X
注意,
L
润滑油
脂时,
请使
用附带
的润滑
油脂类
.
另外,
于双指
启为演
滑脂的
部位,
除附
带的润
滑脂
(E
牌)
外,
能使用
光牌
Albania
润滑脂
1
2
.
在指定
为使用
润滑喝
比润
滑脂)
部位,
绝对不
能使用
附带的
润滑脂
化润滑
J
以外的
产品。
以上.
谙勿
使用上
KI
指定
以外的
粮脂类
产融.
3
.
机油
mo.
1):
d
类第
3
种打油
I
润滑脂
CEP2):
消防法
规定为
守冠
险物,
润滑脂
(C
润滑脂
):
消防;
表规
定为阴
危陵勃
3-1