JUKI_2050说明书_.pdf - 第199页

第 4 章 生产程 序制作 Rev03 4-3~5-2T 检测 对 “后 片站 立” 、 检## 、 丝01 方向 检交# 、 .数值 检查* 、 * 判 断弃元 件" Wft 量口 税共面 报窝 * ( 仅限于 KE-2060) 和 “数值 检查” 、 "SOT 方向 检查* 为可 选项. 墨*: H . 切・ 就叫 ,.游 储宽度 利时 齐汇件 检有 广是 日古 M4-3- 加元件 依据 (廊 N) 1) 芯 片…

100%1 / 378
4
生产程
序制作
Rev03
7)
IfTC/UTS/DCS
可指
定滑梭
的劫作
速度.
如果使
速度
变慢,
向主体
的元件
供给
会变得
德定,
生产
速度会
变慢,
,吸
取,
可指定
MTC
取侧费
片的
种类
伏、
小).
清
模:
可指定
KT
0
被侧型
片的
种类
(大、
小、
机械
3
当力则
方形元
件时,
由于
不能在
滑模
的型片
上吸取
(使
用真
空),
因此,
使用机
械吸取
(夹住
元件外
形).
”用加
植息”
翔领
”元
件断口
设置了
#
返回
降”
时,
不能除
“机#
r
项.
m
片的初
始值
面标见
承队值
元
件尺
寸的纵
横方向
前短边
不足
16mm
超过
16nm
*元
件弹
类为
BGA
*
机械
元件
种类为
以外
瞪,
元件
尺寸的
纸槽
方向
的短功
不足
16ran
1
超过
1
日朔睛
工大
•ITR
逮度;
可指定
wrs
托盘
的拉出
速度.
•DTS3h
可指定
DT5
托盘的
控出速
E
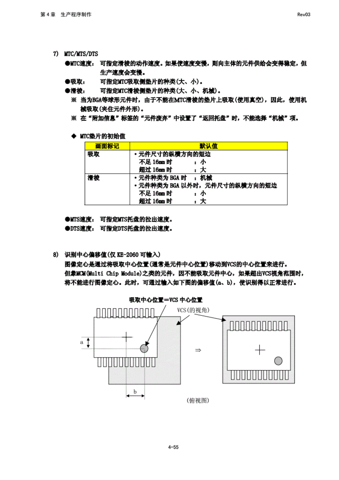
8)
别中心
偏移值
(仅
KESO60
可输
入)
图像定
心是通
过将
吸取中
心位置
(《
常是元
件中心
位置)
移动到
VCS
的中」
Cj
位置相
胜行.
(Multi
Chip
耽血1
之类的
元件,
因不能
吸尊元
中心,
果超出
VCS
视角范
围时,
将不
能进
行图像
定心.
此时,
可通过
输入如
下图的
偏移值
(a、
b),
使
职别得
以正常
进行.
吸取中
心位置
HVCS
中心
位置
4-55
(俯
视图)
4
生产程
序制作
Rev03
4-3~5-2T
检测
“后
片站
立”
检##
丝01
方向
检交#
.数值
检查*
*
断弃元
件"
Wft
量口
税共面
报窝
*
仅限于
KE-2060)
“数值
检查”
"SOT
方向
检查*
为可
选项.
墨*:
H
.
切・
就叫
,.游
储宽度
利时
齐汇件
检有
广是
日古
M4-3-
加元件
依据
(廊
N)
1)
片站立
指定
是否对
芯片站
立进行
检查.
通常
321
6以
下的芯
片元件
必零
执行.
于检查
是在移
动中进
行,
所以
几乎所
有簿
况下
都不
需要
间默
融间.
床判
定值;
自动
输入根
据已输
入的元
件商度
尺寸讨
算出的
信.
激光定
心时,
当测定
值超
过此
处的
设量高
度时,
定为芯
片站立
普误.
2)
共面
检测何
选项,
仅限于
KE-2060)
为图像
定心元
件时.
可指定
是否检
查引脚
8)
浮和错
误的判
定值.
检查将
在生产
时的图
像定心
后立即
进行.
详细说
明,
请承
见附件
CD.
“横查
,"判
定值,
"电极
强度霸
值,
"
扫描偏
移・”
外,
没有
JUKI
示的情
况下,
请勿
变更势
值.
如果做
辑,
则将
H
震发生
错误.
4-56
4
生产程
序制作
Rev03
3)
数值
捡查回
选项)
定是否
检青电
阻值、
电容器
容量与
粮性,
及其判
定值.
对生产
前与元
件用完
后的量
初元
进行元
件童殖
检查
要用于
检查元
件的
船片
错误.
以百
分比的
形式设
置电阻
值与
电容器
容量相
时于
基准值
的判定
区域.
按基
准值、
单位
及判
定区域
(上
限、
商的藤
序进行
设置.
极性、
单位的
融入,
请从
下拉式
E
览表中
选邦.
带式
送料器
4
判断
异元件
置对是
否对异
类元件
进行
判定以
及判定
时的基
准尺寸
和判断
级别.
如果
避行异
类元件
判定,
则检酬
光定心
新元件
的纵横
尺寸,
当与设
置值不
河时,
定为异
主饕
用于检
查不同
尺寸元
件的贴
片错
误等.
检查
与生产
时的覆
光定心
同时进
往.
6)
SOT
方向
检查何
选项)
定是否
进伊
向引脚
88
的方向
检查.
可对
生产前
与元件
用完后
的最初
元件的
SOT
方向
进行检
查.
主震用
于检叠
元件的
贴片错
提.
4-57