JUKI_2050说明书_.pdf - 第211页
第 4 章 生产程 序制作 Rev03 4-3-7-2T 鹫曲 为了检 查引脚 水平方 向的弯 前, 量量检 消水 平值. 该惕朝 对于引 脚间 距的引 脚弯 曲率. 遇 置为 2*3(. 若 缩小判 定值, 检查 将变得 严格. 引脚汽 曲检 测水平 0' 月外, 用 可选的 共面性 功能来 检查引 脚的垂 直方向 (引 脚悬 浮检查 3 4-S-7-2-7 欠缺 开始/ 欠缺数 引脚 则清欠 缺时, 输入其 信息. 欠族…

第
4
章
生产程
序制作
Rev03
+-S-7-2-3
引脚
的长度
下、
右、
上、
左
注入引
脚的长
度.
有下、
右、
上、
左的
输入
位置,
根
据元件
料类决
定需要
的输入
位置.
对于
Q
FP,
由于
4
个方
向长度
相同,
只需
菊入
1
处
(长度
下).
(显
示*
标记的
项目
不需要
输入.
)
引
聊於境
引
脚黄理
、
k,
输入用
vcs
承
别的长
度值.
当为
第
j
时,
由
于直到
重部内
德
伉怦底
部)
都有
引脚,
因
冒
此可输
入比吠
上面看
的长度
稍大些
的值.
七夕
图像数
据中的
“
院
右
、以
左以
B
本装
置中所
定
义的
0
度的
黠井方一
向
为基准
来表示
J
上
上
日福商日日口联日国即口日|1
UK
国明
UUFU
组划
U
期
T
上
r.n
HnnnflnHHnnn
nn
厢
n
册
murh
呻
,
4-3-7-2T
宽度
输入引
脚宽度
或球的
直径.
4-3-
7-2T
下、
右.
上、
左
输入
各个
方向
的引脚
数威球
数.
即使为
缺球的
BGA,
也
请输入
假定无
欠缺状
态时的
数目.
关现
欠缺部
位,
在
下一页
-7)
欠缺
开始
/
欠缺
数用
画面中
输入.
当为如
下图的
B
曲就,
下,
右.
上、
左都
输入
“7
力
.
OOOOOO
OOOOOOO
0000000
OOOOOOO
OOOOOOO
OOOOOOO
ooooo
仰视图
4-67

第
4
章
生产程
序制作
Rev03
4-3-7-2T
鹫曲
为了检
查引脚
水平方
向的弯
前,
量量检
消水
平值.
该惕朝
对于引
脚间
距的引
脚弯
曲率.
遇
置为
2*3(.
若
缩小判
定值,
检查
将变得
严格.
引脚汽
曲检
测水平
0'
月外,
用
可选的
共面性
功能来
检查引
脚的垂
直方向
(引
脚悬
浮检查
3
4-S-7-2-7
欠缺
开始/
欠缺数
引脚
则清欠
缺时,
输入其
信息.
欠族情
感可分
期在/
方向上
设盘,
上个方
向最大
可设置
3
处,
各个
面上计
算引脚
的方向
如下图
所示.
例)
下图的
班
f
和
BGA
欠缺
信息
按如
下方式
输入.
,冷
在
下底面
的弓
I
脚欠缺
信思
中输入
"以1、
8/2、
16/3-
.
1
针情
14
8
杀
2rt
5
的编
3
根
•
BGA
.1-.
左
F
OOOOOO
OQOQQOO
OOOOOOO
OOOOOOO
OOOOOOO
OOOOOOO
ooooo
右
仰视图
左图
是将贴
片角度
=0
度
的元件
姿箝左
右
反特,
改
变了忸
视图和
神视圈
的国.
图
中为*
右”
的边,
在实
际站片
中相当
F7
左:
该输入
部分.
如左图
所示输
入为
"右球
”常
x
晚.
专=
下底
面引脚
t
'1/1、
7/1、
0/Q”
;
右面^
即
*1/K
7/1'
0/0-
3
面引即
“1/1、
0/0,
0/0"
;左丽|即
"7公
0/0、
0/0"
4-68

第
4
章
生产程
序制作
Rev03
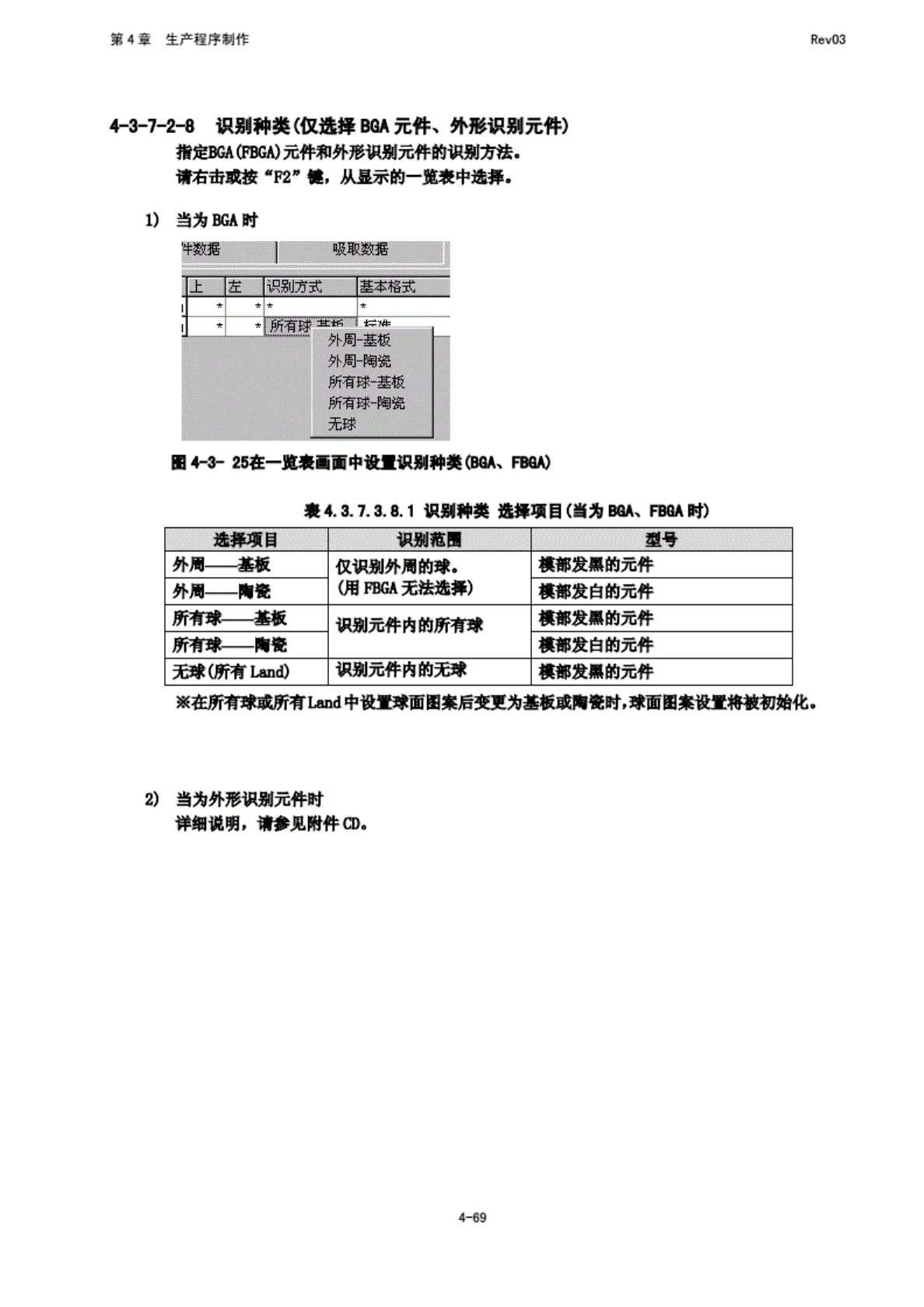
4-3-7-2-fl
识
别种类
(仅
选择
BGA
元件
、外形
织别元
件)
指定
BGA
(FBGQ
元件和
外形中
别元件
的识别
方法.
请右
击或按
-F2*
电
所显示
的一览
表中
选择,
1)
当为
BGA
时
饰有球
SzW
+=沿=
外周
-基板
外周
-陶笛
所有球
-基板
所有球
-陶镜
无球
半数据
I
吸
取数据
上
左
识
别方式
基
本格式
图卡
-
25
在一
览表画
面中设
别种类
(网、
FB6A)
»4.
3.
7.
3.
8.1
织
物釉类
选
择项目
(鑫为
鹤、
FBOA
时)
识期
范围
型号
外周
_
茶板
仅
识别外
周的
球.
模
部发黑
的元件
外周
——
佣
FBGA
无的前
模
部发白
的元件
识别元
件内的
所有嫌
模
部发黑
的元件
所有球
——
南餐
模
部发自
的元件
淑
(MWLand)
识别
元件内
的无球
模
部发展
的元件
演在
所有球
或所有
Land
中
设置球
面图
案后变
更为基
板或南
凳时
,球
面图案
设量将
被初
始化.
2)
当为外
形铜别
元件时
详细
说明,
*
见附件
CD.
4-69