JUKI_2050说明书_.pdf - 第310页

第 5 至 其它 :功能 RfivO3 5-2-2-3 设置 生产功 能选项 设置生 产时的 操作。 生产 励能) 厂: 这正败 跟住置 3 r 贴片 目 后, 检餐元 件释放 r 传送 结束后 1 再进 行生产 9 同时 吸嘴 r 忧先 的匚 标 记识别 । r 生产被 中断后 ,执 行继 续生产 歹 所有电 路都是 坏顿标 记时结 束生产 r 安装 怩曜时 进行方 向检胞 裁电 路的贴 片顺序 I 以 同样贴 片点 开撷 6 片 H…

100%1 / 378
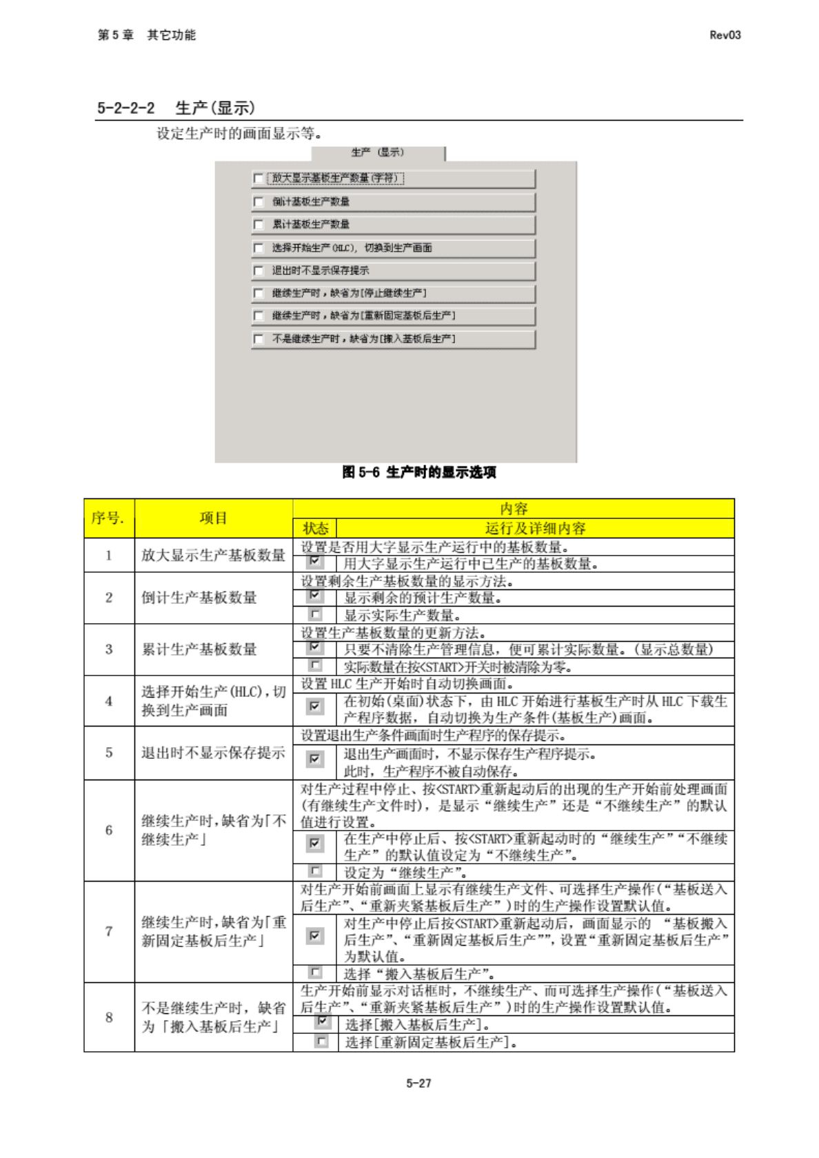
5
功能
RfivO3
5-2-
2-
2
生产
(显
示)
定生产
时的画
面显不
等.
生产
限示
1
5-6
生产
忖的显
示逸取
序女
项目
内容
6
运行
及洋
细内容
1
大显示
生产基
板数量
设置是
否用大
不显正
生产
运行中
的基板
数量.
用大
字显示
生产运
行中已
生产的
块板
数量.
2
倒计
生产基
板数量
置剩余
生产基
板数量
的显行
方法.
显示剩
余的预
计生产
数量.
r
显示实
际生产
数量.
3
累计
生产基
板数量
设置
生产基
板数量
的更新
方法.
只要不
消除生
产管理
信息,
便可累
计寅际
数量.
(显
示总
数量)
r
实际
政墙在
按3画》
开美
时破
清除
为零.
4
选择开
始生产
(HLC),
换到生
产画面
设置
HLC
生产开
始时自
动切换
画面.
在初始
(虎
面)
塞下,
HL
L'开
始进行
基板生
产时从
HLC
F
栽生
产程序
数据,
自动切
换为生
产条件
(基板
生产)
场面.
5
退
出时不
显示保
存提示
设首退
出生产
件画面
时生
产程序
的保存
提示
.
El
退出
生产画
面时,
不显示
保存生
产程序
提示.
此时,
生产
程序不
被自动
保存.
6
雉续生
产时,
决省为
1
卷续
生产」
对生产
过程中
停止、
区恕1〉
重新起
动后的
出现的
生产开
始前处
理画而
《有
维岐生
产文件
时),
是显示
“触坡
生产”
还是
不
蹄坡
生产”
的默认
值进行
设置.
p
生产中
停止后
(STAPT》
遥新起
“继
续生产
”“不
维域
生产”
默认值
设定为
“不
健续
生产二
r
设定为
生产北
7
雉续生
产时,
赛省为
「重
新固定
基板后
生产」
对生产
开始的
画面
上显示
有解续
生产文
件、
选择生
产操作
「基
板送入
后生
产”、
“重新
夹聚基
板后生
产”)
时的
生产操
作设
:置默
认值.
对生产
中停止
后按省
1AKD
重新起
动后,
画面
显示的
“基
扳搬入
后生
产二“
重新固
定基板
后生产
”二
设置
重
新固定
基板后
生产6
为默
认值.
r
选择
“搬入
基板后
生产、
8
不是继
续生产
时,
缺省
「撤入
基板后
生产」
生产于
后牛产
F
前显示
对话框
时,
不继续
生产、
而可
选择生
产操作
(“基
板送入
“重新
夹案基
板后生
产”)
时的
生产操
作设
黄默
认值.
选择
[搬
入基板
后生产
L
r
选择
[重
新固
定基板
后生产
L
5-27
5
其它
:功能
RfivO3
5-2-2-3
设置
生产功
能选项
设置生
产时的
操作。
生产
励能)
厂:
这正败
跟住置
3
r
贴片
后,
检餐元
件释放
r
传送
结束后
1
再进
行生产
9
同时
吸嘴
r
忧先
的匚
记识别
r
生产被
中断后
,执
行继
续生产
所有电
路都是
坏顿标
记时结
束生产
r
安装
怩曜时
进行方
向检胞
裁电
路的贴
片顺序
I
同样贴
片点
开撷
6
HJ
H
5-7
产的功
能选项
序号.
项目
内容
状爸
动作
及详
细内容
1
校正吸
取位置
设置胡
行吸
取位置
校正.
根据吸
取实际
元件的
位置计
算元件
的中心
位置,
加吸
取位置
偏离中
心.
则根据
计算结
果校正
吸取
位置.
(仅
限于激
光识别
元件)
-
忽视元
件数据
指定的
“吸取
位置校
正",
不执行
校止.
2
贴片
以后
,检查
件拜放
置在元
件贴片
时检钱
元件是
否脱离
吸嘴。
元件
贴片后
Z
轴上
升时,
用激光
捡性元
件是否
残留在
吸嘴上
.
B
忽视元
件数据
指定的
“检
告元
件释放
”,
不进行
检位.
3
传送
结束后
,再
行生产
设置要
等传送
给束后
再进行
生产.
在基板
固定结
束前,
不开
始生产
动作.
在基板
固定结
束前,
始生产
动作.
4
时交换
吸嘴。
设置同
时交换
吸嘴.
行同时
交换*
E1
不执
行同时
交换.
5
优先
标记
识别
置优先
BOC
标心
识别.
17
在识别
坏板标
H
前优
先识别
BOC
id.
6
生产
中断后
.执
行继
续生产
设置月
生产异
件。
W
户按
下中断
生一产
(按
暂停键
中断)
钮时是
否显示
"
续生产
信息。
常结束
《发生
非同步
现象,
产异常
结束)
时无条
件地生
成维域
生产文
链续生
产的操
作小骗
,请
参见“
维续生
产”。
生产
中断时
生成维
健生产
文件.
5-23
5
它功能
RfivO3
7
所仃电
路都是
坏板标
记时结
束生产
置所有
电降出
现坏
板标记
时是否
中新
生产.
使生产
未达
到预
定数量
,生
M
也相
结束.
因为:
a
环板标
记位置
息错误
"3
传感
器的调
整不良
或故宿
”等
异常。
8
安装吸
嘴盹进
行方
向检测
设置
安装吸
嘴时进
行方向
检测.
T
吸嘴等
必须
对准元
件的
角度
吸取,
为此.
安装吸
嘴时需
要进行
安装方
向检测
,以
便对
元件
吸取、
识别、
贴片时
的吸嘴
安装他
度进行
校正.
但仅对
INI
丈件
定义的
吸嘴
有效.
设置有
效时,
每次动
作节拍
th
2
秒.
9
复数电
路的贴
片厦序
指定使
用的贴
片顺序
a
复数电
路的贴
片顺序
1
以同样
贴片
NT
电路的
点开
哈釉片
告束
后再进
行另
一个
电能的
贴甲
K
ZJ:
6
8
号数电
路的骷
片顺序
5
-
1
复散电
路的
贴片愿
伴选择
及椽要
序号
选项
概要
1
个电路
的贴
片结束
后再进
行方一
个电路
的贴片
在矩阵
或非矩
阵匕
每条电
路依次
贴片.
逐条
电路-
完成贴
片.
2
同样贴
片点开
始贴片
按照贴
片数据
顺序.
将第
1
,二
件贴
片在
条电路
.上.
然后
将第
2
个」
匚件贴
到各条
电路
上,
按贴
片数据
顺序完
8条
山路上
的贴片
a
3
多点
吸取贴
方式
对"
「一次
(吸
嘴数)
吸取
的元件
配对.
将其
贴片在
各条电
路上.
此种方
式可加
快生产
节拍.
逋常推
荐此种
模式.
5-29